电脑桌面
添加小米粒文库到电脑桌面
安装后可以在桌面快捷访问

回弹法检测混凝土强度在非洲某水电站工程上的应用模板

回弹法检测混凝土强度在非洲某水电站工程上的应用模板_第1页
1/7
回弹法检测混凝土强度在非洲某水电站工程上的应用模板_第2页
2/7
回弹法检测混凝土强度在非洲某水电站工程上的应用模板_第3页
3/7
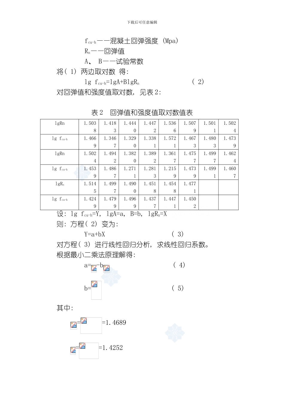
下载后可任意编辑回弹法检测混凝土强度在**水电站工程上的应用摘要: 回弹法检测常态混凝土强度由于具备较强的时效性, 操作方便, 已成为检测混凝土强度的一种重要手段。可是, 在水利水电工程建设中, 由于项目建设环境不同而导致工程的材料、 施工设备、 施工工艺等方面存在差异, 从而使回弹检测方法在工程检测的普遍有用性方面存在一定的局限。笔者针对**水电站工程建立了回弹检测混凝土强度的数学模型, 根据建立的强度曲线方程对该工程的混凝土强度进行检测, 并在项目建设过程中对数学模型不断修正, 真实反映混凝土的强度情况, 取得了较好的效果。关键词: 回弹法检测混凝土强度 应用讨论 数学模型1.项目概述**水电站位于非洲**共和国南方省**县境内的**河上, 是世界第一长河——尼罗河( NILE) 主干流的最上游, 电站装机容量9600KW( 3×3200KW) , 承包合同总价为 16180500 美元。项目业主为**国家基础设施部, 由**生态能源全球( 私有) 有限公司承担设计和施工任务, 由中国**科技有限公司和贵州**监理有限公司联合承担该项目的咨询( 监理) 工作。该电站是一个渠道引水式电站, 净水头为 137m, 设混凝土重力坝 1 座, 坝高 18m, 坝轴线长 138m, 钢筋混凝土渠道长 3180m, 渠道净断面为 2m×3m , 3座钢筋混凝土渡槽跨度分别为 60m、 75m、 125m, 1 条长为280m、 管径= mmØ的压力钢管和 1`幢单层发电厂房。混凝土工程量为 23000m3。2.回弹法检测混凝土强度的应用背景由于该工程战线长, 混凝土浇筑工程量不集中, 这就大大增加了混凝土抗压强度检测试验的取样数量。由于现场条件不具备造成承包商无法在施工场地现场建立施工场地实验室, 而**国家建筑科研相对落后, 全国具备检测资质和检测能力的实验室只有下载后可任意编辑两家, 其中一家为位于南方省**市的**国家大学实验室, 距施工现场 70 公里, 另一家为位于首都**的**国家实验室, 距施工现场190 公里。远距离交通给检测工作带来不便, 这就决定了需要寻找一种快捷、 有效、 准确的混凝土强度检测方法, 因此, 回弹法检测混凝土强度作为首选方法提出。3.回弹值—强度值曲线拟定3.1 工程使用的材料设备情况水泥: **生产的 32.5 水泥粗骨料: 最大料径为 37.5mm 的机制花岗片麻岩骨料细骨料: 洁净的河沙(主要成份为石英)模板: 木模板拌和设备: 德国生产的 DY-400 型自称重滚筒式拌和机3.2 实验室回弹值猎取回弹仪型...

1、当您付费下载文档后,您只拥有了使用权限,并不意味着购买了版权,文档只能用于自身使用,不得用于其他商业用途(如 [转卖]进行直接盈利或[编辑后售卖]进行间接盈利)。
2、本站所有内容均由合作方或网友上传,本站不对文档的完整性、权威性及其观点立场正确性做任何保证或承诺!文档内容仅供研究参考,付费前请自行鉴别。
3、如文档内容存在违规,或者侵犯商业秘密、侵犯著作权等,请点击“违规举报”。

碎片内容

回弹法检测混凝土强度在非洲某水电站工程上的应用模板

一帆文传+ 关注
实名认证
内容提供者

欢迎光临店铺,各类公文供您挑选。

确认删除?
VIP
微信客服
  • 扫码咨询
会员Q群
  • 会员专属群点击这里加入QQ群
客服邮箱
回到顶部