电脑桌面
添加小米粒文库到电脑桌面
安装后可以在桌面快捷访问

低压电缆载流量表[1]..

低压电缆载流量表[1].._第1页
1/11
低压电缆载流量表[1].._第2页
2/11
低压电缆载流量表[1].._第3页
3/11
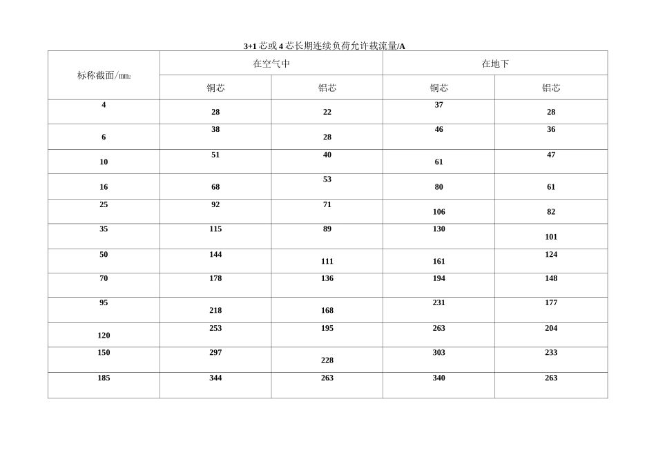
1~6KV 聚氯乙烯绝缘电力电缆载流量1. 0.6/lkv,vv 及 vlv 型聚氯乙烯绝缘及护套电缆长期连续负荷允许载流量 1~3 芯长期连续负荷允许载流量/A标称截面/mm2在空气中在地下1 芯2 芯3 芯1 芯2 芯3 芯铜芯铝芯铜芯铝芯铜芯铝芯铜芯铝芯铜芯铝芯铜芯铝芯1.52420173427222.5322528212318463535283023445343629312461474736393165643473639317558584549381080616651564310581806268521610683896976591381061058289692514311111791102781801381331041078335175133143111122942181691641271311015022317018013815412226519620115915912370265207217170191148310239244186195150953292542331803692832311781203822972702074163232622011504453393132444743643002311855193923602815304083372622406094724293346174743903013+1 芯或 4 芯长期连续负荷允许载流量/A标称截面/mm2在空气中在地下铜芯铝芯铜芯铝芯428223728638284636105140614716685380612592711068235115891301015014411116112470178136194148952181682311771202531952632041502972283032331853442633402632. 3.6/6kv,vv 及 vlv 型聚氯乙烯绝缘及护套电缆长期连续负荷允许载流量长期连续负荷允许载流量/A标称截面/mm2在空气中在地下1 芯3 芯1 芯3 芯铜芯铜芯铜芯铜芯108260906116111811198025143105157104351751271901285022315923415770265191286188953292393432261203822753942581504403134522951855043605003312406044295883813. 交联聚氯乙烯绝缘电力电缆的类型及主要技术特征电缆的型号、名称及使用条件型号名称工作条件符号意义铜芯铝芯YJVYJSVYJLVYJLSV交联聚乙烯绝缘聚氯乙烯护套电力电缆架空、室内、隧道、管道、电缆沟及直埋地下,不能承受机械力YJ-交联聚乙烯绝缘Y-聚乙烯护套22-钢带铠装聚氯乙烯护套32-细钢丝铠装聚氯乙烯护套41-粗钢丝铠装纤维护套43-粗钢丝铠装聚乙烯护套V-聚氯乙烯护套L-铝芯,无 L 为铜芯S-铜丝金属屏蔽,无 S 为铜丝金属屏蔽23-钢带铠装聚乙烯护套33-细钢丝铠装聚乙烯护套42-粗钢丝铠装聚氯乙烯护套YJYYJLY交联聚乙烯绝缘聚乙烯护套电力电缆同 YJV 型,电缆具有耐水、耐化学腐蚀作用YJV22YJLV22交联聚乙烯绝缘聚氯乙烯护套钢带铠装电力电缆室内、隧道、电缆沟及地下,能承受机械外力作用,不能承受大的拉力YJV23YJLV23交联聚乙烯绝缘聚乙烯护套钢带铠装电力电缆同 YJV22 型,电缆具有耐水、耐腐蚀作用YJV32YJLV32交联聚乙烯绝缘...

1、当您付费下载文档后,您只拥有了使用权限,并不意味着购买了版权,文档只能用于自身使用,不得用于其他商业用途(如 [转卖]进行直接盈利或[编辑后售卖]进行间接盈利)。
2、本站所有内容均由合作方或网友上传,本站不对文档的完整性、权威性及其观点立场正确性做任何保证或承诺!文档内容仅供研究参考,付费前请自行鉴别。
3、如文档内容存在违规,或者侵犯商业秘密、侵犯著作权等,请点击“违规举报”。

碎片内容

低压电缆载流量表[1]..

您可能关注的文档

确认删除?
VIP
微信客服
  • 扫码咨询
会员Q群
  • 会员专属群点击这里加入QQ群
客服邮箱
回到顶部