电脑桌面
添加小米粒文库到电脑桌面
安装后可以在桌面快捷访问

工程质量保证体系模板

工程质量保证体系模板_第1页
1/12
工程质量保证体系模板_第2页
2/12
工程质量保证体系模板_第3页
3/12
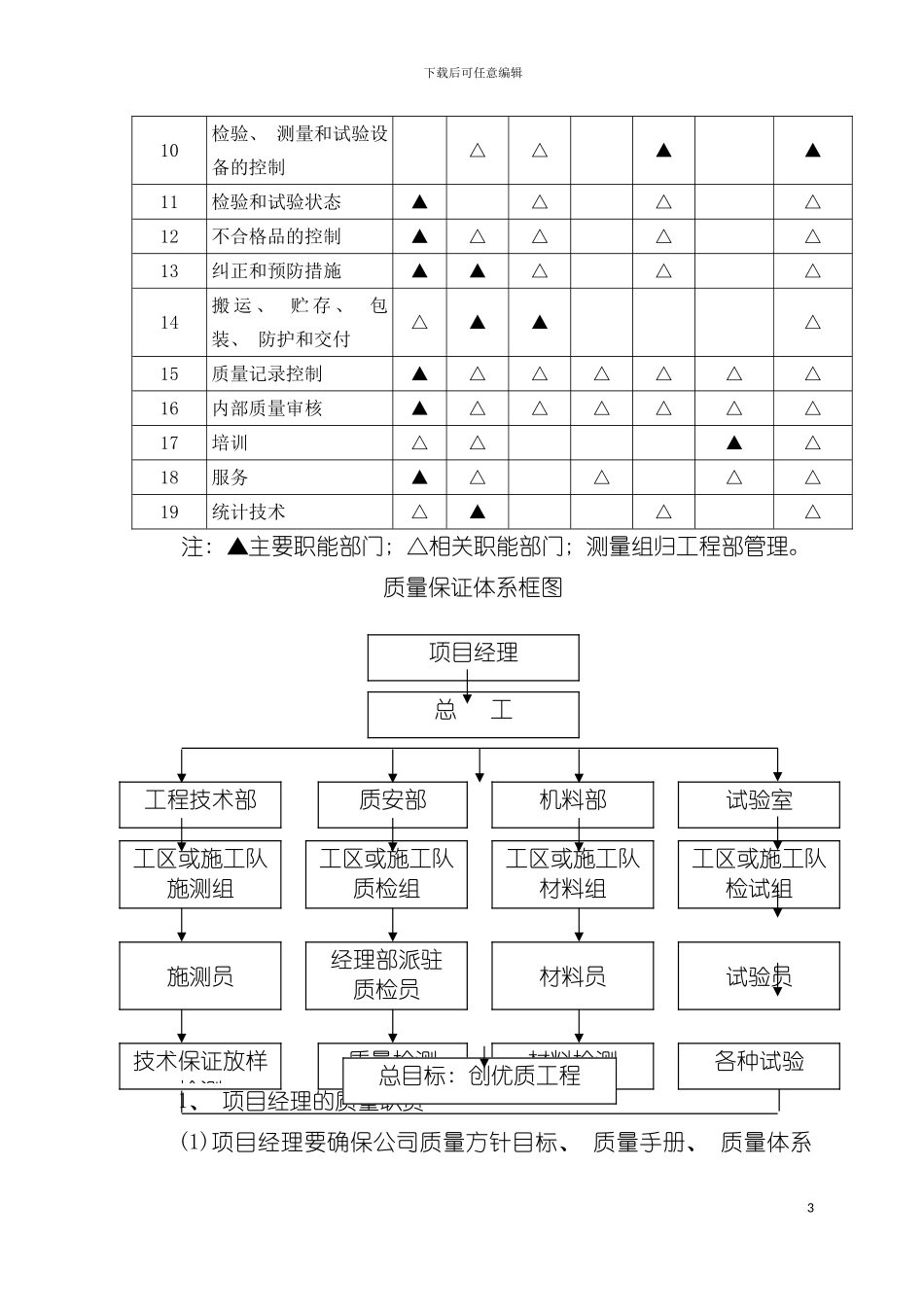
下载后可任意编辑工程质量保证体系1下载后可任意编辑工程质量保证体系 工程质量保证措施(一)项目施工质量目标: 优良工程, 即工程合格率 100%, 优良品率 85%以上, 不允许出现不合格工程, 坚决杜绝不合格项目。(二)建立质量保证体系(见质量保证体系框图)。(三)工程质量保证措施: 工程质量是项目管理的核心。工程质量, 是对建设工程安全、 经济、 适用、 美观等的综合要求, 工程施工应符合国家现行的有关法律、 法规、 技术标准、 施工法律规范和规程。工程质量管理是施工企业经营管理的中心环节, 是对建筑产品从原材料、 半成品、 成品以及施工全过程各个环节进行的质量管理。全体员工各职能部门都要以各自的工作质量来保证工程质量, 并承担相应的质量责任。质量体系各要素分配如下表: 质量体系要素分配表要素编号 部门要素质安部工程部机料部财务部试验室综合办公室工区或施工队1管理职责▲△△△△△△2质量体系▲△△△△△△3合同评审△△▲4文件和资料控制△▲△△△△△5采购△▲△△6顾客提供产品的控制△△▲△△7产品标识和可追溯性△▲△8过程控制△▲△△9检验和试验▲△△▲△2下载后可任意编辑10检验、 测量和试验设备的控制△△▲▲11检验和试验状态▲△△△12不合格品的控制▲△△△△13纠正和预防措施▲▲△△△14搬 运 、 贮 存 、 包装、 防护和交付△▲▲△15质量记录控制▲△△△△△△16内部质量审核▲△△△△△△17培训△△▲△18服务▲△△△△19统计技术△▲△△注: ▲主要职能部门; △相关职能部门; 测量组归工程部管理。质量保证体系框图 1、 项目经理的质量职责(1)项目经理要确保公司质量方针目标、 质量手册、 质量体系3项目经理总 工工程技术部质安部机料部试验室工区或施工队施测组工区或施工队质检组工区或施工队材料组工区或施工队检试组施测员经理部派驻质检员材料员试验员技术保证放样检测质量检测材料检测各种试验总目标: 创优质工程下载后可任意编辑程序文件、 作业文件和其它质量文件在本项目部的贯彻实施。对公司质量体系在本项目部的有效运行负全责。(2)项目经理是工程项目质量管理工作的组织者, 对保证工程质量起决定使用, 要带头学习质量管理知识, 提高质量意识, 应严格根据技术标准、 施工法律规范、 设计文件及合同要求组织施工, 对所承担工程的施工质量负全责。(3)贯彻执行国家和建设单位及监理颁发的工程质量规定、 管理制度和措施, 并检查落实。(...

1、当您付费下载文档后,您只拥有了使用权限,并不意味着购买了版权,文档只能用于自身使用,不得用于其他商业用途(如 [转卖]进行直接盈利或[编辑后售卖]进行间接盈利)。
2、本站所有内容均由合作方或网友上传,本站不对文档的完整性、权威性及其观点立场正确性做任何保证或承诺!文档内容仅供研究参考,付费前请自行鉴别。
3、如文档内容存在违规,或者侵犯商业秘密、侵犯著作权等,请点击“违规举报”。

碎片内容

工程质量保证体系模板

您可能关注的文档

雏圣文化+ 关注
实名认证
内容提供者

欢迎光临,大量办公文档供您挑选。

确认删除?
VIP
微信客服
  • 扫码咨询
会员Q群
  • 会员专属群点击这里加入QQ群
客服邮箱
回到顶部