电脑桌面
添加小米粒文库到电脑桌面
安装后可以在桌面快捷访问

化学品危害及处理参考VIP免费

化学品危害及处理参考_第1页
1/5
化学品危害及处理参考_第2页
2/5
化学品危害及处理参考_第3页
3/5
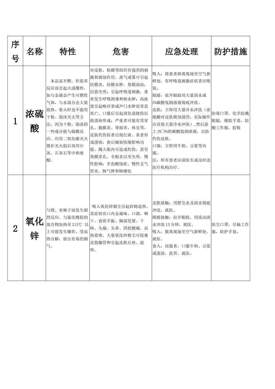
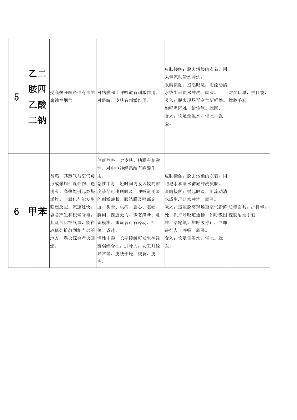
序号名称特性危害应急处理防护措施1浓硫酸本品虽不燃,但很多反应却会起火或爆炸,如与金属会产生可燃性气体,与水混合会大量放热。着火时也不能用干粉、泡沫灭火等方法,因为干粉,泡沫的一些成分能与硫酸反应,应用二氧化碳灭火器扑灭火焰后再用石灰,石灰石等中和废酸。对皮肤、粘膜等组织有强烈的刺激和腐蚀作用。蒸气或雾可引起结膜炎、结膜水肿、角膜混浊,以致失明;引起呼吸道刺激,重者发生呼吸困难和肺水肿;高浓度引起喉痉挛或声门水肿而窒息死亡。口服后引起消化道烧伤以致溃疡形成;严重者可能有胃穿孔、腹膜炎、肾损害、休克等。皮肤灼伤轻者出现红斑、重者形成溃疡,愈后癍痕收缩影响功能。溅入眼内可造成灼伤,甚至角膜穿孔、全眼炎以至失明。慢性影响:牙齿酸蚀症、慢性支气管炎、肺气肿和肺硬化吸入:将患者移离现场至空气新鲜处,有呼吸道刺激症状者应吸氧。眼睛:张开眼睑用大量清水或2%碳酸氢钠溶液彻底冲洗。皮肤:立即用大量冷水冲洗(浓硫酸对皮肤腐蚀强烈,实际操作应直接大量冷水冲洗),然后涂上3%~5%的碳酸氢钠溶液,以防灼伤皮肤。口服:立即用牛奶、豆浆等内服。注:所有患者应请医生或及时送医疗机构治疗。防毒口罩,化学防溅眼镜,橡胶手套,防酸工作服,胶鞋2氧化锌与镁、亚麻子油发生剧烈反应。与氯化橡胶的混合物加热至215℃以上可能发生爆炸。受高热分解,放出有毒的烟气。吸入氧化锌烟尘引起锌铸造热。其症状有口内金属味、口渴、咽干、食欲不振、胸部发紧、干咳、头痛、头晕、四肢酸痛、高热恶寒。大量氧化锌粉尘可阻塞皮脂腺管和引起皮肤丘疹、湿疹。皮肤接触:用肥皂水及清水彻底冲洗。就医。眼睛接触:拉开眼睑,用流动清水冲洗15分钟。就医。吸入:脱离现场至空气新鲜处。就医。食入:误服者,口服牛奶、豆浆或蛋清,洗胃。就医。防尘口罩,尽袖工作服,防护手套,3盐酸能与一些活性金属粉末发生反应,放出氢气。遇氰化物能产生剧毒的氰化氢气体。与碱发生中和反应,并放出大量的热。具有较强的腐蚀性。接触其蒸气或烟雾,可引起急性中毒:出现眼结膜炎,鼻及口腔粘膜有烧灼感,鼻出血、齿龈出血,气管炎等。误服可引起消化道灼伤、溃疡形成,有可能引起胃穿孔、腹膜炎等。眼和皮肤接触可致灼伤。慢性影响:长期接触,引起慢性鼻炎、慢性支气管炎、牙齿酸蚀症及皮肤损害。皮肤接触:立即脱去污染的衣着,用大量流动清水冲洗至少15分钟,可涂抹弱碱性物质(如碱水、肥皂水等),就医。眼睛接触:立即提起眼睑,用大量流动清水或生理盐水彻底冲洗至少15分钟。就医。吸入:迅速脱离现场至空气新鲜处。保持呼吸道通畅。如呼吸困难,给输氧。如呼吸停止,立即进行人工呼吸。就医。食入:用大量水漱口,吞服大量生鸡蛋清或牛奶(禁止服用小苏打等药品),就医。防毒口罩,护目镜,橡胶手套,防酸工作服,胶鞋4氨水易分解放出氨气,温度越高,分解速度越快,可形成爆炸性气氛。若遇高热,容器内压增大,有开裂和爆炸的危险。腐蚀某些涂料、塑料和橡胶。腐蚀铜、铝、铁、锡、锌及其合金。吸入后对鼻、喉和肺有刺激性,引起咳嗽、气短和哮喘等;可因喉头水肿而窒息死亡;可发生肺水肿,引起死亡。氨水溅入眼内,可造成严重损害,甚至导致失明,皮肤接触可致灼伤。慢性影响:反复低浓度接触,可引起支气管炎。皮肤反复接触,可致皮炎,表现为皮肤干燥、痒、发红。如果身体皮肤有伤口一定要避免接触伤口以防感染。皮肤接触:立即用水冲洗至少15分钟。若有灼伤,就医治疗。对少量皮肤接触,避免将物质播散面积扩大。注意患者保暖并且保持安静。眼睛接触:立即提起眼睑,用流动清水或生理盐水冲洗至少15分钟。吸入:迅速脱离现场至空气新鲜处。保持呼吸道通畅。呼吸困难时给输氧。呼吸停止时,立即进行人工呼吸。就医(如果患者食入或吸入该物质不要用口对口进行人工呼吸,可用单向阀小型呼吸器或其他适当的医疗呼吸器)。脱去并隔离被污染的衣服和鞋。食入:误服者立即漱口,口服稀释的醋,就医。防毒口罩,护目镜,橡胶手套5乙二胺四乙酸二钠受高热分解产生有毒的腐蚀性烟气对粘膜和上呼吸道有刺激作用。对眼睛、皮肤有刺激作用。皮肤接触:脱去污染...

1、当您付费下载文档后,您只拥有了使用权限,并不意味着购买了版权,文档只能用于自身使用,不得用于其他商业用途(如 [转卖]进行直接盈利或[编辑后售卖]进行间接盈利)。
2、本站所有内容均由合作方或网友上传,本站不对文档的完整性、权威性及其观点立场正确性做任何保证或承诺!文档内容仅供研究参考,付费前请自行鉴别。
3、如文档内容存在违规,或者侵犯商业秘密、侵犯著作权等,请点击“违规举报”。

碎片内容

化学品危害及处理参考

您可能关注的文档

确认删除?
VIP
微信客服
  • 扫码咨询
会员Q群
  • 会员专属群点击这里加入QQ群
客服邮箱
回到顶部