电脑桌面
添加小米粒文库到电脑桌面
安装后可以在桌面快捷访问

建筑施工起重机械塔式起重机安全检查记录表模板

建筑施工起重机械塔式起重机安全检查记录表模板_第1页
1/11
建筑施工起重机械塔式起重机安全检查记录表模板_第2页
2/11
建筑施工起重机械塔式起重机安全检查记录表模板_第3页
3/11
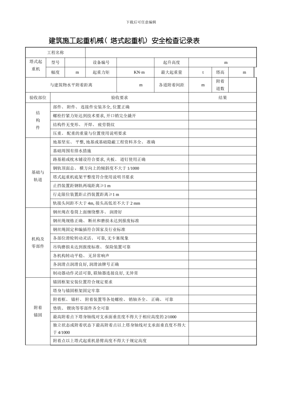
下载后可任意编辑建筑施工起重机械( 塔式起重机) 安全检查记录表工程名称塔式起重机型号设备编号起升高度 m幅度 m起重力矩 KN·m最大起重量 t塔高 m与建筑物水平附着距离 m各道附着间距 m附着道数验收部位验收要求结果结构件部件、 附件、 连接件安装齐全, 位置正确螺栓拧紧力矩达到技术要求, 开口销完全撬开结构件无变形、 开焊、 疲劳裂纹压重、 配重的重量与位置使用说明要求基础与轨道地基坚实、 平整, 地基或基础隐蔽工程资料齐全、 准确基础周围有排水措施路基箱或枕木铺设符合要求, 夹板、 道钉使用正确钢轨顶面总、 横方向上的倾斜度不大于 1/1000塔式起重机底架平整度符合使用说明书要求止挡装置距钢轨两端距离≥1 m行走限位装置距止挡装置距离≥1 m轨接头间距不大于 4m, 接头高低差不大于 2 mm机构及零部件钢丝绳在卷筒上面缠绕整齐、 润滑好钢丝绳规格正确、 断丝和磨损未达到报废标准钢丝绳固定和编插符合国家及行业标准各部位滑轮转动灵活、 可靠, 无卡塞现象吊钩磨损未达到报废标准、 保险装置可靠各机构转动平稳、 无异常响声各润滑点润滑良好, 润滑油牌号正确制动器动作灵活可靠, 联轴器连接良好, 无异常附着锚固锚固框架安装位置符合规定要求塔身与锚固框架固定牢靠附着框、 锚杆、 附着装置等各处螺栓、 销轴齐全、 正确、 可靠垫铁、 锲块等零部件齐全可靠最高附着点下塔身轴线对支承面垂直度不得大于相应高度的 2/1000独立状态或附着状态下最高附着点以上塔身轴线对支承面垂直度不得大于 4/1000附着点以上塔式起重机悬臂高度不得大于规定高度下载后可任意编辑( 续表) 电气系统供电系统电压稳定、 正常工作、 电压 380V±10%仪表、 照明、 报警系统完好、 可靠控制、 操纵装置动作灵活、 可靠电气按要求设置短路和过流、 失压及零位保护, 切断总电源的紧急开关符合要求电气系统对地的绝缘电阻不大于 0.5MΩ安全装置起重量限制器灵敏可靠, 其综合误差不大于额定值的±5%力矩限制器灵敏可靠, 其综合误差不大于额定值的±5%回转限位器灵敏可靠行走限位器灵敏可靠变幅限位器灵敏可靠顶升横梁防脱装置完好可靠吊钩上的钢丝绳防脱钩装置完好可靠滑轮、 卷筒上的钢丝绳防脱装置完好可靠小车断绳保护装置灵敏可靠小车断轴保护装置灵敏可靠环境布设位置合理符合施工组织设计要求与架空线最小距离符合规定塔式起重机的尾部与周围建( 构) 筑物及其外围施工设施之间的安全...

1、当您付费下载文档后,您只拥有了使用权限,并不意味着购买了版权,文档只能用于自身使用,不得用于其他商业用途(如 [转卖]进行直接盈利或[编辑后售卖]进行间接盈利)。
2、本站所有内容均由合作方或网友上传,本站不对文档的完整性、权威性及其观点立场正确性做任何保证或承诺!文档内容仅供研究参考,付费前请自行鉴别。
3、如文档内容存在违规,或者侵犯商业秘密、侵犯著作权等,请点击“违规举报”。

碎片内容

建筑施工起重机械塔式起重机安全检查记录表模板

您可能关注的文档

确认删除?
VIP
微信客服
  • 扫码咨询
会员Q群
  • 会员专属群点击这里加入QQ群
客服邮箱
回到顶部