电脑桌面
添加小米粒文库到电脑桌面
安装后可以在桌面快捷访问

现场勘察记录模板

现场勘察记录模板_第1页
1/2
现场勘察记录模板_第2页
2/2
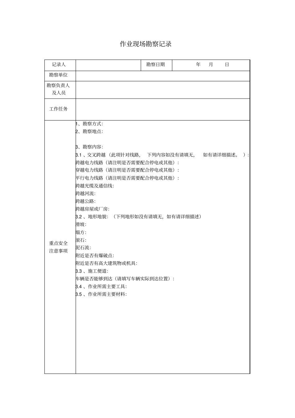
作业现场勘察记录记录人勘察日期年月日勘察单位勘察负责人及人员工作任务重点安全注意事项1、勘察方式:2、勘察地点:3、勘察内容:3.1 、交叉跨越 (此项针对线路, 下列内容如没有请填无,如有请详细描述。 ):跨越电力线路(请注明是否需要配合停电或其他):穿越电力线路(请注明是否需要配合停电或其他):平行电力线路(请注明是否需要配合停电或其他):跨越光缆及通信线:跨越河流:跨越公路:跨越房屋或厂房:3.2 、地形地貌:(下列地形如没有请填无,如有请详细描述)滑坡:塌方:滚石:泥石流:附近是否有爆破点:附近是否有高大建筑物或机具:3.3 、施工便道:车辆是否能够到达(请填写车辆实际到达位置):3.4 、作业所需主要工具:3.5 、作业所需主要材料:填写说明: 1、按照涉及项填写,不涉及是填写无。 2、当所例内容不满足可以增加内容,但不得删减所例条款。 3、所需要填写部分均为手工填写,禁止电子打印。 4、涉及外单位作业时,责任部门(或运行维护部门、单位)必须参与现场勘察并签字认可。4、作业现场需特别注意的危险点、风险辨识(需全部列举):5、应装设接地线位置或应合接地刀闸:6、是否附有现场简易图:7、是否需编制专题勘察报告、施工方案或其他(请注明):

1、当您付费下载文档后,您只拥有了使用权限,并不意味着购买了版权,文档只能用于自身使用,不得用于其他商业用途(如 [转卖]进行直接盈利或[编辑后售卖]进行间接盈利)。
2、本站所有内容均由合作方或网友上传,本站不对文档的完整性、权威性及其观点立场正确性做任何保证或承诺!文档内容仅供研究参考,付费前请自行鉴别。
3、如文档内容存在违规,或者侵犯商业秘密、侵犯著作权等,请点击“违规举报”。

碎片内容

现场勘察记录模板

您可能关注的文档

确认删除?
VIP
微信客服
  • 扫码咨询
会员Q群
  • 会员专属群点击这里加入QQ群
客服邮箱
回到顶部