电脑桌面
添加小米粒文库到电脑桌面
安装后可以在桌面快捷访问

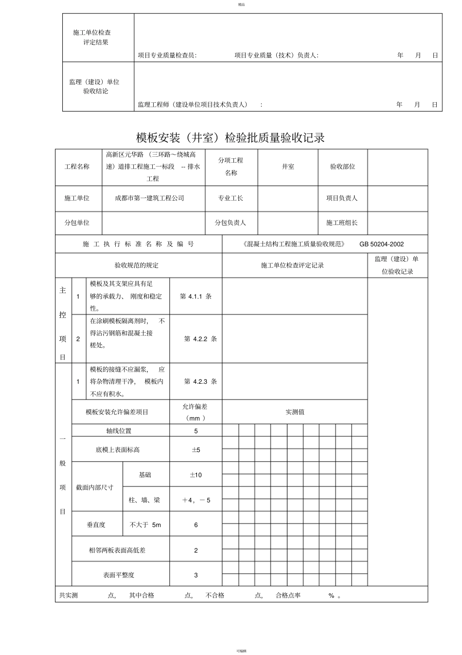
现浇检查井表格

现浇检查井表格_第1页
1/9
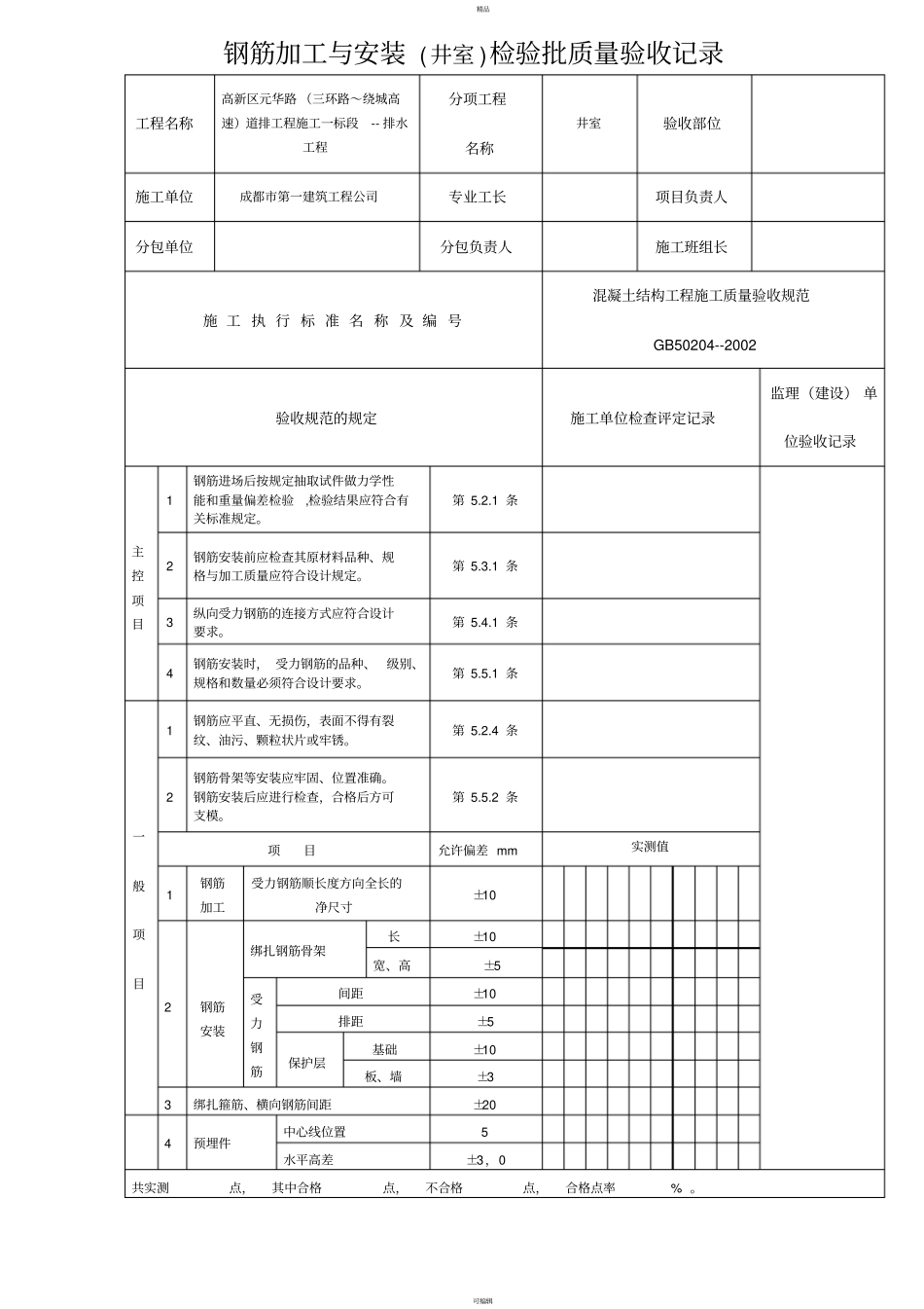
现浇检查井表格_第2页
2/9
现浇检查井表格_第3页
3/9
精品可编辑垫层混凝土 (井室 )检验批质量验收记录工程名称高新区元华路 (三环路~绕城高速)道排工程施工一标段-- 排水工程分项工程名称井室验收部位施工单位成都市第一建筑工程公司专业工长项目负责人分包单位分包负责人施工班组长施 工 执 行 标 准 名 称 及 编 号给排水管道工程施工及验收规范GB 50268-2008验收规范的规定施工单位检查评定记录监理(建设)单位验收记录主控项目1原状地基的承载力符合设计要求第 5.10.1 条第 1 款2混凝土垫层的强度符合设计要求第 6.2.8 条第 2 款3一般项目1混凝土垫层外光内实,无严重缺陷 . 第 5.10.1 条第 5 款项目允许偏差( mm )实测值2垫层中线每侧宽度不小于设计要求高程0,-15厚度不小于设计要求共实测点,其中合格点,不合格点,合格点率% 。施工单位检查评定结果项目专业质量检查员:项目专业质量 (技术负责人:年月日监理(建设)单位验收结论监理工程师 (建设单位项目技术负责人):年月日精品可编辑钢筋加工与安装 (井室 )检验批质量验收记录工程名称高新区元华路 (三环路~绕城高速)道排工程施工一标段-- 排水工程分项工程名称井室验收部位施工单位成都市第一建筑工程公司专业工长项目负责人分包单位分包负责人施工班组长施 工 执 行 标 准 名 称 及 编 号混凝土结构工程施工质量验收规范GB50204--2002验收规范的规定施工单位检查评定记录监理(建设) 单位验收记录主控项目1钢筋进场后按规定抽取试件做力学性能和重量偏差检验,检验结果应符合有关标准规定。第 5.2.1 条2钢筋安装前应检查其原材料品种、规格与加工质量应符合设计规定。第 5.3.1 条3纵向受力钢筋的连接方式应符合设计要求。第 5.4.1 条4钢筋安装时, 受力钢筋的品种、级别、规格和数量必须符合设计要求。第 5.5.1 条一般项目1钢筋应平直、无损伤,表面不得有裂纹、油污、颗粒状片或牢锈。第 5.2.4 条2钢筋骨架等安装应牢固、位置准确。钢筋安装后应进行检查,合格后方可支模。第 5.5.2 条项目允许偏差 mm实测值1钢筋加工受力钢筋顺长度方向全长的净尺寸±102钢筋安装绑扎钢筋骨架长±10宽、高±5受力钢筋间距±10排距±5保护层基础±10板、墙±33绑扎箍筋、横向钢筋间距±204预埋件中心线位置5水平高差±3,0共实测点,其中合格点,不合格点,合格点率% 。精品可编辑施工单位检查评定结果项目专业质量检查员:项目专业质量(技术)负责人:年月日监理(建...

1、当您付费下载文档后,您只拥有了使用权限,并不意味着购买了版权,文档只能用于自身使用,不得用于其他商业用途(如 [转卖]进行直接盈利或[编辑后售卖]进行间接盈利)。
2、本站所有内容均由合作方或网友上传,本站不对文档的完整性、权威性及其观点立场正确性做任何保证或承诺!文档内容仅供研究参考,付费前请自行鉴别。
3、如文档内容存在违规,或者侵犯商业秘密、侵犯著作权等,请点击“违规举报”。

碎片内容

现浇检查井表格

文库当当响+ 关注
实名认证
内容提供者

该用户很懒,什么也没介绍

相关文档

确认删除?
VIP
微信客服
  • 扫码咨询
会员Q群
  • 会员专属群点击这里加入QQ群
客服邮箱
回到顶部