电脑桌面
添加小米粒文库到电脑桌面
安装后可以在桌面快捷访问

生产总监绩效考核指标教学提纲

生产总监绩效考核指标教学提纲_第1页
1/4
生产总监绩效考核指标教学提纲_第2页
2/4
生产总监绩效考核指标教学提纲_第3页
3/4
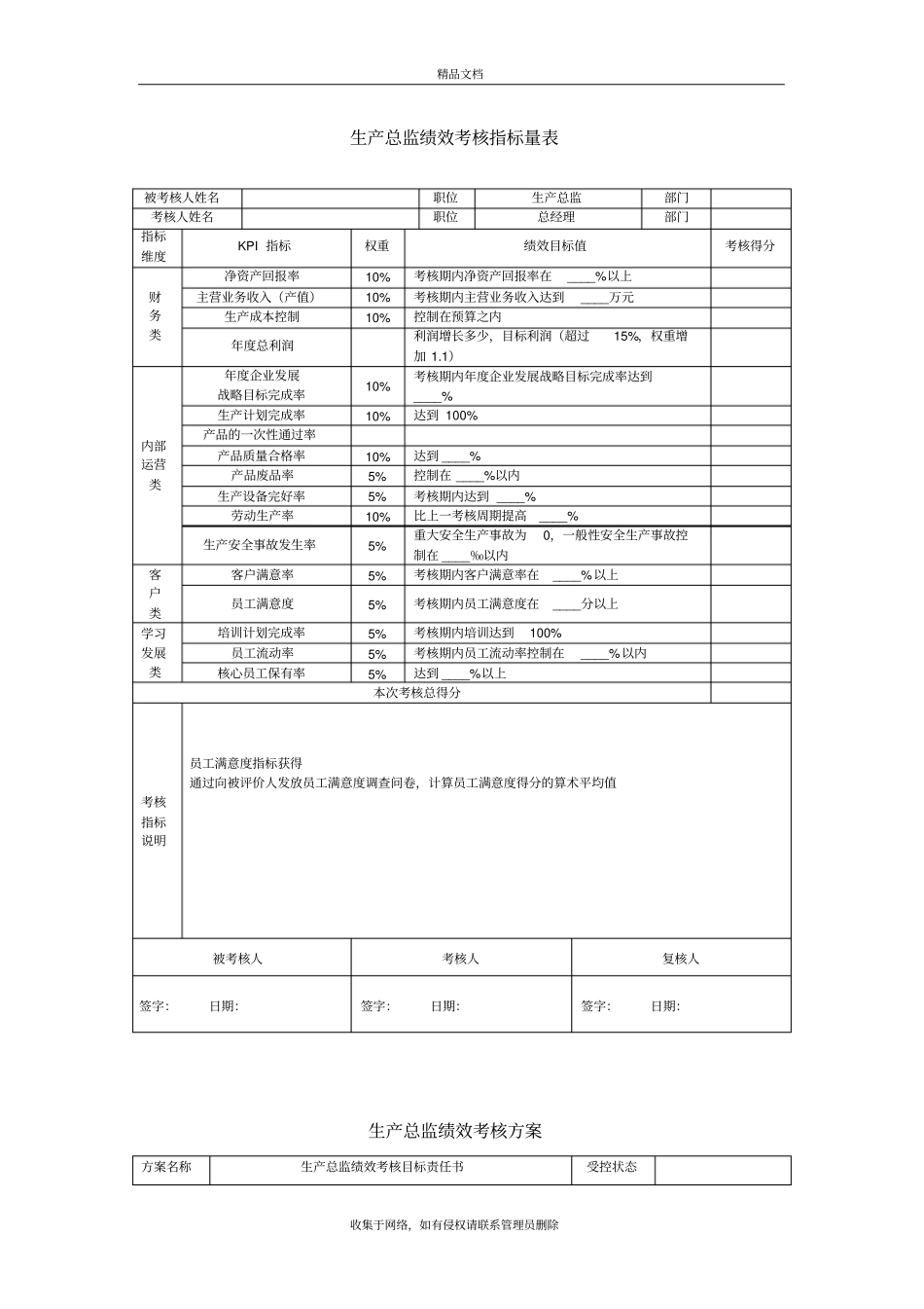
生 产 总 监 绩 效 考 核 指标精品文档收集于网络,如有侵权请联系管理员删除生产总监绩效考核指标量表被考核人姓名职位生产总监部门考核人姓名职位总经理部门指标维度KPI 指标权重绩效目标值考核得分财务类净资产回报率10% 考核期内净资产回报率在____%以上主营业务收入(产值)10% 考核期内主营业务收入达到____万元生产成本控制10% 控制在预算之内年度总利润利润增长多少,目标利润(超过15%,权重增加 1.1)内部运营类年度企业发展战略目标完成率10% 考核期内年度企业发展战略目标完成率达到____% 生产计划完成率10% 达到 100% 产品的一次性通过率产品质量合格率10% 达到 ____% 产品废品率5% 控制在 ____%以内生产设备完好率5% 考核期内达到 ____% 劳动生产率10% 比上一考核周期提高____% 生产安全事故发生率5% 重大安全生产事故为0,一般性安全生产事故控制在 ____‰以内客户类客户满意率5% 考核期内客户满意率在____%以上员工满意度5% 考核期内员工满意度在____分以上学习发展类培训计划完成率5% 考核期内培训达到100% 员工流动率5% 考核期内员工流动率控制在____%以内核心员工保有率5% 达到 ____%以上本次考核总得分考核指标说明员工满意度指标获得通过向被评价人发放员工满意度调查问卷,计算员工满意度得分的算术平均值被考核人考核人复核人签字:日期:签字:日期:签字:日期:生产总监绩效考核方案方案名称生产总监绩效考核目标责任书受控状态精品文档收集于网络,如有侵权请联系管理员删除编号甲方总裁乙方生产总监甲方现聘请乙方担任公司生产部总监职务,根据公司年度经营目标,经双方充分协商,特制定本考核协议书。一、考核期限××××年××月××日 ~××××年××月 ××日。二、双方的权利和义务① 甲方拥有对乙方的监督考核权,并负有指导、协助乙方展开必要工作的责任。② 乙方负责所在部门的一切日常事务,要求保质保量地完成公司规定的相应工作,在工作上服从甲方的安排。三、薪酬标准① 乙方年薪为 ____万元(乙方年薪 =固定薪酬 ×65%+浮动薪酬 ×35%)。② 每月固定发放薪水____人民币;每月浮动部分为____~____元人民币,根据月度KPI 打分确定发放额度,并于当月发放。③ 每半年根据半年考核的常规KPI 指标表对生产总监进行考核,根据考核结果发放绩效奖励,奖励额度为 ____~____元。四、工作目标与考核(一) KPI 指标考核生产总监常规的KPI 考核指标如下表...

1、当您付费下载文档后,您只拥有了使用权限,并不意味着购买了版权,文档只能用于自身使用,不得用于其他商业用途(如 [转卖]进行直接盈利或[编辑后售卖]进行间接盈利)。
2、本站所有内容均由合作方或网友上传,本站不对文档的完整性、权威性及其观点立场正确性做任何保证或承诺!文档内容仅供研究参考,付费前请自行鉴别。
3、如文档内容存在违规,或者侵犯商业秘密、侵犯著作权等,请点击“违规举报”。

碎片内容

生产总监绩效考核指标教学提纲

您可能关注的文档

确认删除?
VIP
微信客服
  • 扫码咨询
会员Q群
  • 会员专属群点击这里加入QQ群
客服邮箱
回到顶部