电脑桌面
添加小米粒文库到电脑桌面
安装后可以在桌面快捷访问

排水管道施工技术要求

排水管道施工技术要求_第1页
1/26
排水管道施工技术要求_第2页
2/26
排水管道施工技术要求_第3页
3/26
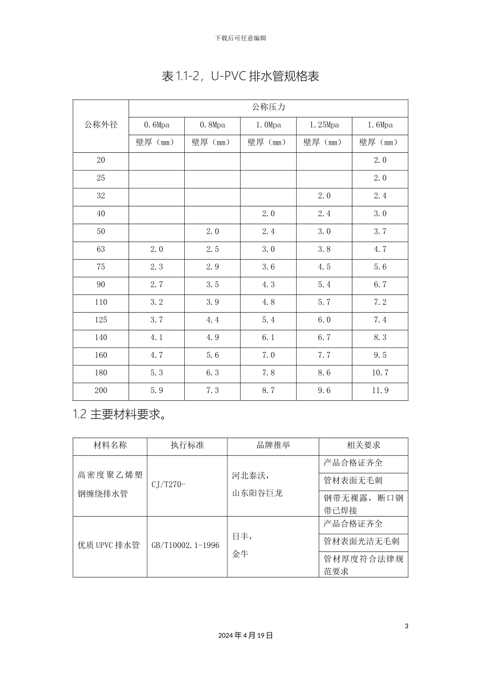
下载后可任意编辑排水管道施工技术要求12024 年 4 月 19 日下载后可任意编辑六、排水管道一、管道及组成件材质1、管道材料1.1 排水管包括室外雨水管道、污水管道、屋面雨水排水管道、虹吸雨水排水管道。其中室外雨水管道、污水管道使用高密度聚乙烯塑钢缠绕排水管,采纳卡箍式连接或热塑带连接,高密度聚乙烯塑钢缠绕排水管规格详见表 1.1-1;屋面雨水管、生活废、污水采纳优质 U-PVC 排水管,采纳粘接连接或橡胶圈密封柔性连接。U-PVC 排水管规格详见表 1.1-2。表 1.1-1,高密度聚乙烯塑钢缠绕排水管规格表材料名称规格钢环度单位备注高密度聚乙烯塑钢缠绕排水管DN300-DN1000SN8mSN10mSN12.5mSN16m22024 年 4 月 19 日下载后可任意编辑表 1.1-2,U-PVC 排水管规格表公称外径公称压力0.6Mpa0.8Mpa1.0Mpa1.25Mpa1.6Mpa壁厚(mm)壁厚(mm)壁厚(mm)壁厚(mm)壁厚(mm)202.0252.0322.02.4402.02.43.0502.02.43.03.7632.02.53.03.84.7752.32.93.64.55.6902.73.54.35.46.71103.23.94.85.77.21253.74.45.46.07.41404.14.96.16.78.31604.75.67.07.79.51805.36.37.88.610.72005.97.38.79.611.91.2 主要材料要求。材料名称执行标准品牌推举相关要求高密度聚乙烯塑钢缠绕排水管CJ/T270- 河北泰沃,山东阳谷巨龙产品合格证齐全管材表面无毛刺钢带无裸露,断口钢带已焊接优质 UPVC 排水管GB/T10002.1-1996日丰,金牛产品合格证齐全管材表面光洁无毛刺管材厚度符合法律规范要求32024 年 4 月 19 日下载后可任意编辑二、管道施工的技术标准1、室外排水管施工要求1.1 开槽施工。(1)沟槽槽底宽度,按管径加 600mm 确定。(2)沟底为软土,或沟底位于地下水位之下时,在沟底铺砾石砂卵石,厚度为 150mm,再用黄砂找平,其上做 120°混凝土条基。(3)沟底为土质较好且位于地下水位之上时,在沟底铺设一层砂垫层,厚度为 100mm,其上做 60°混凝土条基。(4)采纳机械开挖管道沟槽时,应保留 0.20m 厚的不开挖土层,该土层用人工清槽,不得超挖,如若超挖,应进行地基处理。(5)管道基础应坐落在良好原状土层上,如为刚性接口,其地基承载力特征值 fak 不得低于 80KPa;如为柔性接口,地基承载力特征值 fak 不得低于 60KPa,否则应进行地基处理。42024 年 4 月 19 日下载后可任意编辑(6)地基土被扰动,应实行如下处理措施:扰动 150mm 以内,可原状土夯实,压实系数≥0.95;扰动150mm 以上,可用 3:7...

1、当您付费下载文档后,您只拥有了使用权限,并不意味着购买了版权,文档只能用于自身使用,不得用于其他商业用途(如 [转卖]进行直接盈利或[编辑后售卖]进行间接盈利)。
2、本站所有内容均由合作方或网友上传,本站不对文档的完整性、权威性及其观点立场正确性做任何保证或承诺!文档内容仅供研究参考,付费前请自行鉴别。
3、如文档内容存在违规,或者侵犯商业秘密、侵犯著作权等,请点击“违规举报”。

碎片内容

排水管道施工技术要求

确认删除?
VIP
微信客服
  • 扫码咨询
会员Q群
  • 会员专属群点击这里加入QQ群
客服邮箱
回到顶部