电脑桌面
添加小米粒文库到电脑桌面
安装后可以在桌面快捷访问

化学工业生产VIP免费

化学工业生产_第1页
1/16
化学工业生产_第2页
2/16
化学工业生产_第3页
3/16
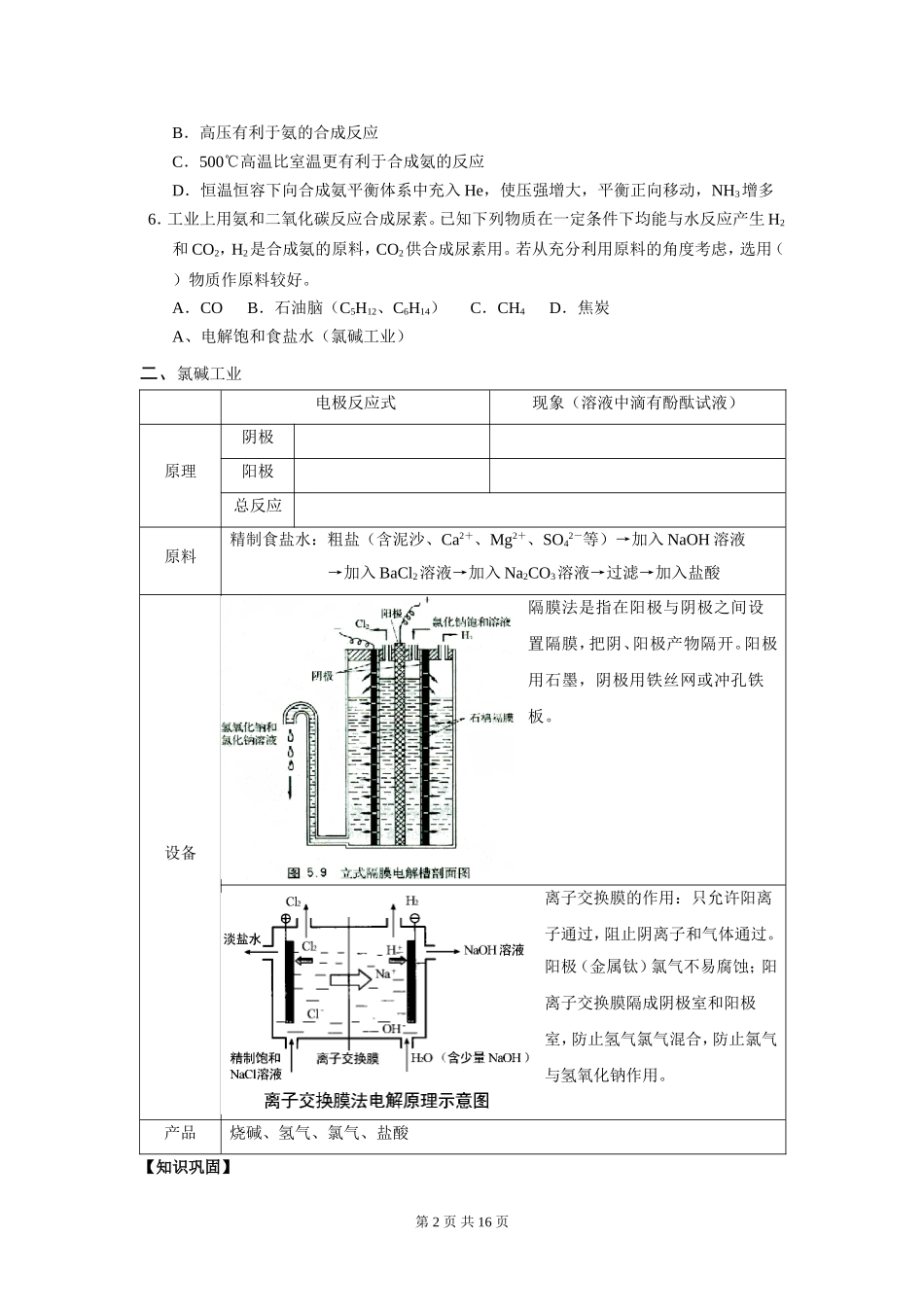
化学工业生产一、合成氨原理适宜的条件温度压强催化剂原料气制备:N2来源于空气H2来源于水煤气流程【知识巩固】1.工业合成氨时,必须除去原料气中的杂质,其主要原因是()A.减少副反应B.提高N2、H2的浓度C.防止催化剂中毒D.有利于平衡移动2.在N2+3H22NH3+Q的平衡体系中,对于分离出氨,下列说法正确的是()A.平衡向逆反应方向移动B.平衡不移动C.正反应速率先变大后变小D.逆反应速率先变小后逐渐变大3.工业上合成氨时一般采用500℃左右的温度,其原因是()⑴适当提高氨的合成速率⑵提高H2的转化率⑶提高氨的产率⑷催化剂在500℃时活性最大A.只有⑴B.⑴⑵C.⑵⑶⑷D.⑴⑷4.有平衡体系:CO(g)+2H2(g)CH3OH(g)+Q,为了增加甲醇的产量,工厂应采取的正确措施是()A.高温、高压B.适宜温度、高压、催化剂C.低温、低压D.低温、高压、催化剂5.下列说法合理,且能够用勒沙特列原理来解释的是()A.加入催化剂可以提高单位时间氨的产量第1页共16页B.高压有利于氨的合成反应C.500℃高温比室温更有利于合成氨的反应D.恒温恒容下向合成氨平衡体系中充入He,使压强增大,平衡正向移动,NH3增多6.工业上用氨和二氧化碳反应合成尿素。已知下列物质在一定条件下均能与水反应产生H2和CO2,H2是合成氨的原料,CO2供合成尿素用。若从充分利用原料的角度考虑,选用()物质作原料较好。A.COB.石油脑(C5H12、C6H14)C.CH4D.焦炭A、电解饱和食盐水(氯碱工业)二、氯碱工业电极反应式现象(溶液中滴有酚酞试液)原理阴极阳极总反应原料精制食盐水:粗盐(含泥沙、Ca2+、Mg2+、SO42-等)→加入NaOH溶液→加入BaCl2溶液→加入Na2CO3溶液→过滤→加入盐酸设备隔膜法是指在阳极与阴极之间设置隔膜,把阴、阳极产物隔开。阳极用石墨,阴极用铁丝网或冲孔铁板。离子交换膜的作用:只允许阳离子通过,阻止阴离子和气体通过。阳极(金属钛)氯气不易腐蚀;阳离子交换膜隔成阴极室和阳极室,防止氢气氯气混合,防止氯气与氢氧化钠作用。产品烧碱、氢气、氯气、盐酸【知识巩固】第2页共16页1.用立式隔膜式电解槽电解饱和食盐水,下列说法中错误的是()A.阴、阳极电极材料分别是铁和石墨B.加入电解槽中的原料是预先加热过的饱和食盐水C.加入电解槽的饱和食盐水必须先除去钙、镁等离子D.从电解槽中流出的是纯净的氢氧化钠溶液2.关于电解NaCl水溶液,下列叙述正确的是()A.电解时在阳极得到氯气,在阴极得到金属钠B.若在阳极附近的溶液中滴入KI试液,溶液呈棕色C.若在阴极附近的溶液中滴入酚酞试液,溶液呈无色D.电解一段时间后,将全部电解液转移到烧杯中,充分搅拌后溶液呈中性3.氯碱厂电解饱和食盐水溶液制取氢氧化钠的工艺流程示意图如下:粗盐NaOHNa2CO3Cl2H2依据上图,完成下列填空:⑴.在电解过程中,与电源正极相连的电极上的产物是___________;与电源负极相连的电极附近,溶液的碱性__________(填“增强”、“减弱”或“不变”)。⑵.工业食盐含Ca2+、Mg2+等杂质,精制过程发生反应的离子方程式为:________________________________,_______________________________。⑶.如果粗盐中SO42-离子含量较高,必须添加钡试剂除去SO42-,该钡试剂可以是()A.Ba(OH)2B.Ba(NO3)2C.BaCl2⑷.为了有效地除去Ca2+、Mg2+、SO42-离子,加入试剂的合理顺序为()A.先加入NaOH,后加入Na2CO3,再加入钡试剂B.先加入NaOH,后加入钡试剂,再加入Na2CO3C.先加入钡试剂,后加入NaOH,再加入Na2CO3⑸.脱盐工序中利用NaOH和NaCl在溶解度上的差异,通过____________、冷却、____________(填写操作名称)除去NaCl。⑹.在隔膜法电解食盐水时,电解槽分隔为阳极区和阳极区,为阳极区和阴极区,防止氯气与氢氧化钠反应;采用无隔膜电解冷的食盐水时,氯气与氢氧化钠充分接触,产物仅是氢氧化钠和氢气,相应的化学方程式为________________________________________。三、联合制碱法索尔维法(氨碱法)侯氏制碱法(联合制碱法)第3页共16页50%的NaOH溶液NaCl晶体沉淀物16%NaCl的溶液10%NaOHH2O化盐精制电解脱盐△△高温原理⑴.利用氯化钠溶液与碳酸氢铵反应...

1、当您付费下载文档后,您只拥有了使用权限,并不意味着购买了版权,文档只能用于自身使用,不得用于其他商业用途(如 [转卖]进行直接盈利或[编辑后售卖]进行间接盈利)。
2、本站所有内容均由合作方或网友上传,本站不对文档的完整性、权威性及其观点立场正确性做任何保证或承诺!文档内容仅供研究参考,付费前请自行鉴别。
3、如文档内容存在违规,或者侵犯商业秘密、侵犯著作权等,请点击“违规举报”。

碎片内容

化学工业生产

文章天下+ 关注
实名认证
内容提供者

各种文档应有尽有

确认删除?
VIP
微信客服
  • 扫码咨询
会员Q群
  • 会员专属群点击这里加入QQ群
客服邮箱
回到顶部