电脑桌面
添加小米粒文库到电脑桌面
安装后可以在桌面快捷访问

甲醇泄漏事故应应急处理预案

甲醇泄漏事故应应急处理预案_第1页
1/13
甲醇泄漏事故应应急处理预案_第2页
2/13
甲醇泄漏事故应应急处理预案_第3页
3/13
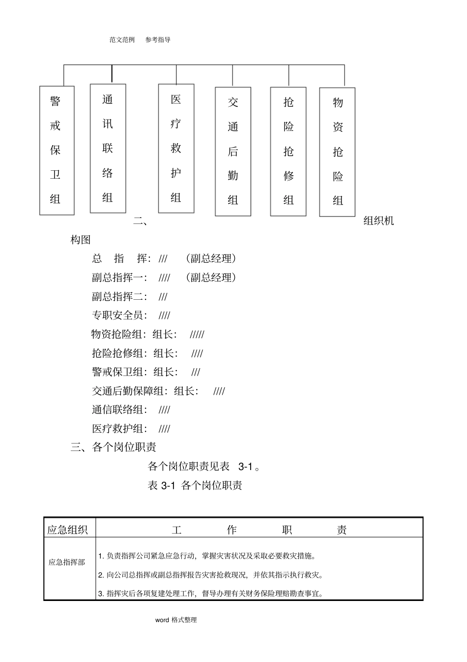
范文范例参考指导word 格式整理甲醇泄漏事故应急预案(一)事故类型和危害程度1、事故类型:火灾,爆炸事故。2、危险性类别:第3.2 类中闪点易燃液体。3、危险特性:易燃,其蒸汽与空气可形成爆炸性混合物。遇明火、高温能引起燃烧爆炸。与氧化剂接触发生化学反应或引起燃烧。在火场中,受热的容器有爆炸危险。能在较低处扩散到相当远的地方,遇明火会引起回燃。4、健康危害: 对中枢神经系统有麻醉作用;对视神经和视网膜有特殊选择作用,引起病变;可导致代谢性酸中毒。5、事故发生的可能性在生产过程中每天使用甲醇2-3 吨左右,如因误操作、 设备失修、工艺失控、物料不纯、池漏等都会造成意想不到的事故发生。所以,甲醇泄露危险性极大,不仅造成储罐和其他设备的损坏,更为严重的是导致重大火灾事故,扩大事故损失和人员伤亡。(二)应急处置的基本原则1、一旦发现泄漏应迅速向安全生产领导小组汇报,并向公司安全总负责人报告。报告中要说明罐区罐号位置, 罐的储存甲醇数量情况, 以便迅速赶赴现场进行扑救。2、迅速切断进料或像泄漏的甲醇进行喷水稀释降低浓度避免发生着火爆炸事故。3、应迅速打开喷淋保护,防止引起爆炸。迅速使用防爆潜水泵及时进行回收搜集到事故池。4、根据储罐损坏情况,应立即组织人员进行疏散等措施措施,防止发生中毒事范文范例参考指导word 格式整理故及造成人员伤亡。5、现场施救人员和其他人员必须在确保自身安全的前提下进行处置。6、有关人员立即分析泄漏情况并制定应急措施,保护好现场。7、不得隐瞒和拖延上报时间。 。(三)应急原则坚持以人为本,先救人后救物;立足防范,统一指挥,分级负责;自救为主,依靠科技,提高素质;归口管理,信息及时,协调一致的原则。(四)预案适用范围本预案所指的是新疆聚力聚环保科技有限公司生产装置区甲醇泄漏造成的人员中毒、伤亡、经济损失等安全的突发事故。本预案适用于本公司生产区域和生产范围内所发生的甲醇泄漏事故的应急处置预案。(五)组织机构与职责一、应急组织体系公司成立事故应急指挥部和相应的事故抢险组。指挥部由总指挥、副总指挥和联络员组成。总指挥由公司负责人徐冀担任,副总指挥由刘玉江及胡文胜任,组织机构图详见图3-1。总指挥副总指挥专职安全员范文范例参考指导word 格式整理二、组织机构图总指挥:/// (副总经理)副总指挥一: ////(副总经理)副总指挥二: /// 专职安全员: //// 物资抢险组:组长: ///// 抢险...

1、当您付费下载文档后,您只拥有了使用权限,并不意味着购买了版权,文档只能用于自身使用,不得用于其他商业用途(如 [转卖]进行直接盈利或[编辑后售卖]进行间接盈利)。
2、本站所有内容均由合作方或网友上传,本站不对文档的完整性、权威性及其观点立场正确性做任何保证或承诺!文档内容仅供研究参考,付费前请自行鉴别。
3、如文档内容存在违规,或者侵犯商业秘密、侵犯著作权等,请点击“违规举报”。

碎片内容

甲醇泄漏事故应应急处理预案

确认删除?
VIP
微信客服
  • 扫码咨询
会员Q群
  • 会员专属群点击这里加入QQ群
客服邮箱
回到顶部