电脑桌面
添加小米粒文库到电脑桌面
安装后可以在桌面快捷访问

皮带输送机使用说明书

皮带输送机使用说明书_第1页
1/8
皮带输送机使用说明书_第2页
2/8
皮带输送机使用说明书_第3页
3/8
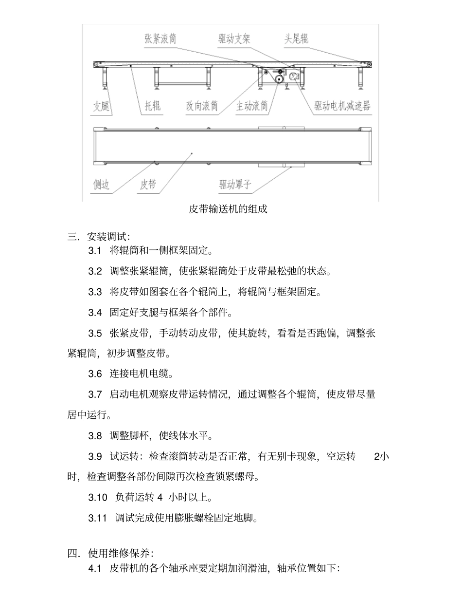
皮带输送机使用安装说明书2017年5月大连鼎盛机械工程有限公司皮带输送机使用说明书一.概述:皮带式输送机是许多工业部门广泛需要的物流运输机械。由于皮带式输送机品种多、规格广,能适用于化工、轻工、食品、粮食、建材、邮电及其它许多部门物流输送的要求;也能满足码头、堆场、仓库、车间等各种作业线输送要求。皮带输送机是以胶带、钢带、钢纤维带、塑料带和化纤带作为传送物料和牵引工件的输送机械。其特点是承载物料的输送带也是传递动力的牵引件,这与其他输送机械有显著的区别。它在连续式输送机中是应用最广泛的一种,且以胶带为主。二.结构及工作原理:皮带输送机组成包括:框架部分(支腿、侧边和驱动框架等),驱动辊部件(改向滚筒、张紧辊筒、驱动滚筒和电机减速器等),输送部分(皮带、上托辊、下托辊、头尾辊等)几部分组成。框架的作用在于支撑驱动部分和输送部分部件,一般安装时候先安装框架部分,驱动部分为皮带输送机的动力源,输送部分为物料输送和物料支撑的作用。工作原理如下:电机通电后转动,通过减速器减速后带动链轮,链轮带动主动滚筒,主动滚筒为包胶辊筒,与皮带有较大的摩擦力,所以主动辊筒转动,就会带动皮带转动,而皮带转动是饶着各个支撑辊进行的,在皮带输送机上面,就形成了水平平移的运动,即皮带机进行水平输送。改向辊筒的作用在于改变皮带的缠绕方向,使得皮带包裹主动辊筒的包角更多,张紧辊筒的作用在于使皮带张紧的同时,改变皮带两边的张紧成,对皮带进行调偏。皮带输送机的组成三.安装调试:3.1 将辊筒和一侧框架固定。3.2 调整张紧辊筒,使张紧辊筒处于皮带最松弛的状态。3.3 将皮带如图套在各个辊筒上,将辊筒与框架固定。3.4 固定好支腿与框架各个部件。3.5 张紧皮带,手动转动皮带,使其旋转,看看是否跑偏,调整张紧辊筒,初步调整皮带。3.6 连接电机电缆。3.7 启动电机观察皮带运转情况,通过调整各个辊筒,使皮带尽量居中运行。3.8 调整脚杯,使线体水平。3.9 试运转:检查滚筒转动是否正常,有无别卡现象,空运转2小时,检查调整各部份间隙再次检查锁紧螺母。3.10 负荷运转 4 小时以上。3.11 调试完成使用膨胀螺栓固定地脚。四.使用维修保养:4.1 皮带机的各个轴承座要定期加润滑油,轴承位置如下:润滑油为 0#锂基脂(黄油),加油周期为1个月。4.2 皮带运行 24小时后要进行第一次调偏,主要是对头尾辊筒和张紧辊筒进行调偏,运行 1周后进行第二次调偏,以后使...

1、当您付费下载文档后,您只拥有了使用权限,并不意味着购买了版权,文档只能用于自身使用,不得用于其他商业用途(如 [转卖]进行直接盈利或[编辑后售卖]进行间接盈利)。
2、本站所有内容均由合作方或网友上传,本站不对文档的完整性、权威性及其观点立场正确性做任何保证或承诺!文档内容仅供研究参考,付费前请自行鉴别。
3、如文档内容存在违规,或者侵犯商业秘密、侵犯著作权等,请点击“违规举报”。

碎片内容

皮带输送机使用说明书

您可能关注的文档

确认删除?
VIP
微信客服
  • 扫码咨询
会员Q群
  • 会员专属群点击这里加入QQ群
客服邮箱
回到顶部