电脑桌面
添加小米粒文库到电脑桌面
安装后可以在桌面快捷访问

监理平行检查记录

监理平行检查记录_第1页
1/50
监理平行检查记录_第2页
2/50
监理平行检查记录_第3页
3/50
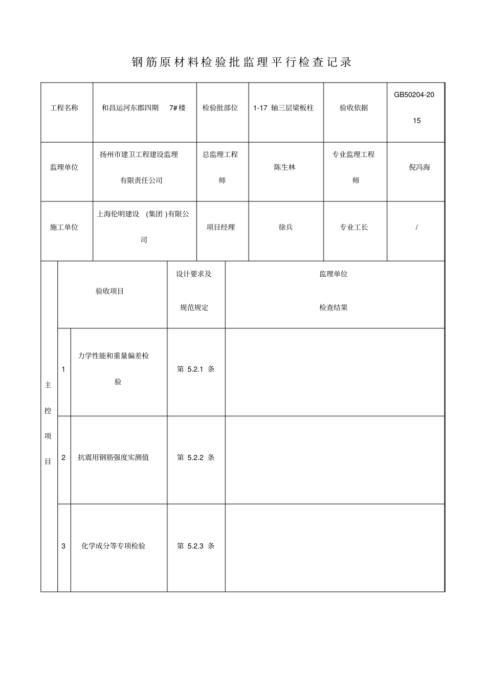
钢 筋 原 材 料 检 验 批 监 理 平 行 检 查 记 录工程名称和昌运河东郡四期7# 楼检验批部位1-17 轴三层梁板柱验收依据GB50204-2015 监理单位扬州市建卫工程建设监理有限责任公司总监理工程师陈生林专业监理工程师倪冯海施工单位上海伦明建设(集团 )有限公司项目经理徐兵专业工长/ 主控项目验收项目设计要求及规范规定监理单位检查结果1 力学性能和重量偏差检验第 5.2.1 条2 抗震用钢筋强度实测值第 5.2.2 条3 化学成分等专项检验第 5.2.3 条一般项目1 外观质量第 5.2.4 条监理单位验收结论专业监理工程师:年月日钢 筋 加 工 检 验 批 监 理 平 行 检 查 记 录工程名称和昌运河东郡四期7# 楼检验批部位1-17轴三层梁板柱验收依据GB50204-2015 监理单位扬州市建卫工程建设监理有限责任公司总监理工程师陈生林专业监理工程师倪冯海施工单位上海伦明建设(集团 ) 有限公司项目经理徐兵专业工长/ 主控项目验收项目设计要求及规范规定监理单位检查结果1 受力钢筋的弯钩和弯折第 5.3.1 条2 箍筋弯钩形式第 5.3.2 条3 钢筋调直后应进行力学性能和重量偏差检验第条一般项目1 钢筋调直第 5.3.3 条2 钢筋加工的形状、尺寸受力钢筋顺长度方向全长的净尺寸±10 3 弯起钢筋的弯折位置±20 4 箍筋内净尺寸±5 监理单位验收结论专业监理工程师:年月日钢 筋 连 接 检 验 批 监 理 平 行 检 查 记 录工程名称和昌运河东郡四期7# 楼检验批部位1-17轴三层墙板柱验收依据GB50204-2015 监理单位扬州市建卫工程建设监理有限责任公司总监理工程师陈生林专业监理工程师倪冯海施工单位上海伦明建设(集团 )有限公司项目经理徐兵专业工长/ 主控项目验收项目设计要求及规范规定监理单位检查结果1 纵向受力钢筋的连接方式第 5.4.1 条2 机械连接和焊接接头的力学性能第 5.4.2 条一般项目1 接头位置和数量第 5.4.3 条2 机械连接和焊接的外观质量第 5.4.4 条3 机械连接和焊接的接头面积百分率第 5.4.5 条4 绑扎搭接接头面积百分率和搭接长度第 5.4.6 条附录 B 5 搭接长度范围内的箍筋第 5.4.7 条监理单位验收结论专业监理工程师:年月日钢 筋 安 装 检 验 批 监 理 平 行 检 查 记 录工程名称和昌运河东郡四期7#楼检验批部位1-17 轴三层墙板柱验收依据GB50204-2002 监理单位扬州市建卫工程建设监理有限责任公司总监理工程师陈生林专业监理工程师倪冯...

1、当您付费下载文档后,您只拥有了使用权限,并不意味着购买了版权,文档只能用于自身使用,不得用于其他商业用途(如 [转卖]进行直接盈利或[编辑后售卖]进行间接盈利)。
2、本站所有内容均由合作方或网友上传,本站不对文档的完整性、权威性及其观点立场正确性做任何保证或承诺!文档内容仅供研究参考,付费前请自行鉴别。
3、如文档内容存在违规,或者侵犯商业秘密、侵犯著作权等,请点击“违规举报”。

碎片内容

监理平行检查记录

您可能关注的文档

确认删除?
VIP
微信客服
  • 扫码咨询
会员Q群
  • 会员专属群点击这里加入QQ群
客服邮箱
回到顶部