电脑桌面
添加小米粒文库到电脑桌面
安装后可以在桌面快捷访问

加工中心几何精度检验VIP免费

加工中心几何精度检验_第1页
1/9
加工中心几何精度检验_第2页
2/9
加工中心几何精度检验_第3页
3/9
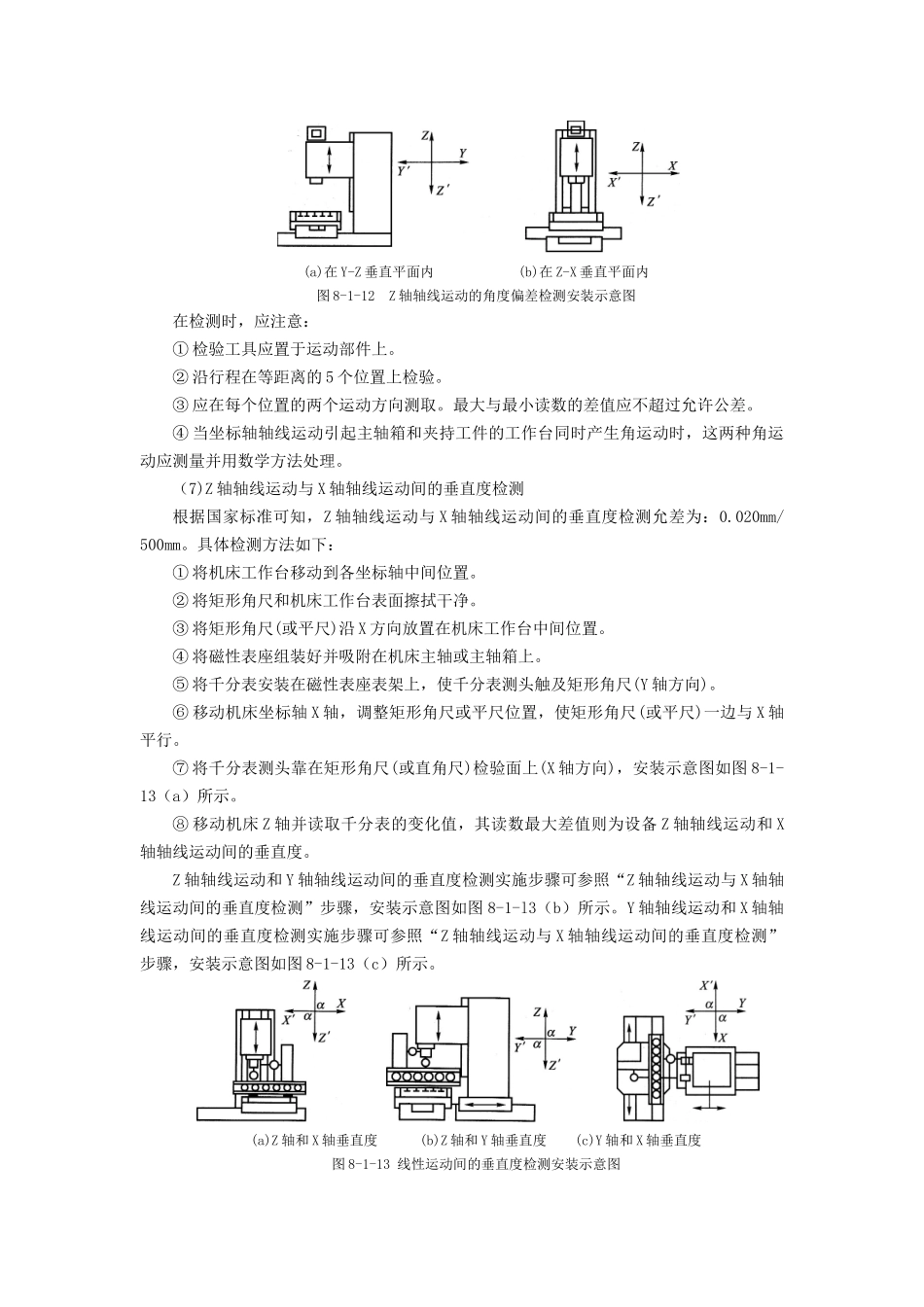
加工中心几何精度检验检验项目主要有:各直线轴轴线运动直线度、各直线轴轴线运动的角度偏差、各直线轴相会垂直度检验、主轴的轴向窜动、主轴的径向跳动、主轴轴线与Z轴轴线运动间的平行度、工作台面的平面度等。(1)X轴轴线运动直线度检测(a)在Z-X垂直平面内(b)在X-Y水平面内图8-1-7X轴轴线运动直线度检测安装示意图根据国家标准可知,X轴轴线运动直线度检测允差为:X≤500mm时,允差为0.010mm;500mm<X≤800mm时,允差为0.015mm;800mm<X≤1250mm时,允差为0.020mm;1250mm<X≤2000mm时,允差为0.025mm。局部公差要求为:在任意300mm测量长度上为0.007mm。具体检测方法如下:①将平尺和机床工作台表面擦拭干净。②将平尺沿X轴放置在机床工作台中间位置,找正平尺,使平尺与X轴平行。③将磁性表座组装好并吸附在机床主轴箱上,将千分表安装在磁性表座表架上。④移动机床坐标轴X轴,使千分表测头垂直触及平尺工作面。安装示意图如图8-1—7所示。⑤移动机床X轴并读取千分表的变化值,其读数最大差值则为机床X轴轴线运动直线度。(2)Y轴轴线运动直线度检测Y轴轴线运动直线度检测实施步骤可参照X轴轴线运动直线度检测步骤,检测允差与X轴相同,安装示意图如图8-1-8所示。(a)在Y-Z垂直平面内(b)在X-Y水平面内图8-1-8Y轴轴线运动直线度检测安装示意图(3)Z轴轴线运动直线度检测Z轴轴线运动直线度检测实施步骤可参照X轴轴线运动直线度检测步骤,检测允差与X轴相同,安装示意图如图8-1-9所示。.(a)在Z-X垂直平面内(b)在Y-Z垂直平面内图8-1-9Z轴轴线运动直线度检测安装示意图注意:对所有结构型式的机床,平尺、钢丝、直线度反射器都应置于工作台上,如果主轴能锁紧,则指示器、显微镜、干涉仪可装在主轴上,否则检验工具应装在机床的主轴箱上。测量位置应尽可能靠近工作台的中央。(4)X轴轴线运动的角度偏差检测根据国家标准可知,X轴轴线运动的角度偏差检测允差为:0.060mm/1000mm。局部公差要求为:在任意500mm测量长度上为0.030mm/1000mm。具体检测方法如下:①将水平仪和机床工作台表面擦拭干净,将水平仪放置在机床工作台中间位置。②找正水平仪,使水平仪与X轴平行,安装示意图如图8-1-10所示。(a)在Z-X垂直平面内b)在X-Y水平面内(c)在Y-Z垂直平面内图8-1-10X轴轴线运动的角度偏差检测安装示意图③移动机床X轴,读取水平仪的变化值,其读数最大差值则为机床X轴轴线运动的角度偏差。(5)Y轴轴线运动的角度偏差检测Y轴轴线运动的角度偏差检测实施步骤可参照X轴角度偏差检测步骤,检测允差与X轴相同,安装示意图如图8-1-l1所示。(a)在Y-Z垂直平面内(b)在X-Y平面内(c)在Z-X垂直平面内图8-1-11Y轴轴线运动的角度偏差检测安装示意图(6)Z轴轴线运动的角度偏差检测Z轴轴线运动的角度偏差检测实施步骤可参照X轴角度偏差检测步骤,检测允差与X轴相同,安装示意图如图8-1-12所示。(a)在Y-Z垂直平面内(b)在Z-X垂直平面内图8-1-12Z轴轴线运动的角度偏差检测安装示意图在检测时,应注意:①检验工具应置于运动部件上。②沿行程在等距离的5个位置上检验。③应在每个位置的两个运动方向测取。最大与最小读数的差值应不超过允许公差。④当坐标轴轴线运动引起主轴箱和夹持工件的工作台同时产生角运动时,这两种角运动应测量并用数学方法处理。(7)Z轴轴线运动与X轴轴线运动间的垂直度检测根据国家标准可知,Z轴轴线运动与X轴轴线运动间的垂直度检测允差为:0.020mm/500mm。具体检测方法如下:①将机床工作台移动到各坐标轴中间位置。②将矩形角尺和机床工作台表面擦拭干净。③将矩形角尺(或平尺)沿X方向放置在机床工作台中间位置。④将磁性表座组装好并吸附在机床主轴或主轴箱上。⑤将千分表安装在磁性表座表架上,使千分表测头触及矩形角尺(Y轴方向)。⑥移动机床坐标轴X轴,调整矩形角尺或平尺位置,使矩形角尺(或平尺)一边与X轴平行。⑦将千分表测头靠在矩形角尺(或直角尺)检验面上(X轴方向),安装示意图如图8-1-13(a)所示。⑧移动机床Z轴并读取千分表的变化值,其读数最大差值则为设备Z轴轴线运动和X轴轴线运动间的垂直度。Z轴轴线运动和Y轴轴线运动间的垂直度检测实施步骤可参照“Z轴...

1、当您付费下载文档后,您只拥有了使用权限,并不意味着购买了版权,文档只能用于自身使用,不得用于其他商业用途(如 [转卖]进行直接盈利或[编辑后售卖]进行间接盈利)。
2、本站所有内容均由合作方或网友上传,本站不对文档的完整性、权威性及其观点立场正确性做任何保证或承诺!文档内容仅供研究参考,付费前请自行鉴别。
3、如文档内容存在违规,或者侵犯商业秘密、侵犯著作权等,请点击“违规举报”。

碎片内容

加工中心几何精度检验

确认删除?
VIP
微信客服
  • 扫码咨询
会员Q群
  • 会员专属群点击这里加入QQ群
客服邮箱
回到顶部