电脑桌面
添加小米粒文库到电脑桌面
安装后可以在桌面快捷访问

施工组织设计(正新仓库钢结构)

施工组织设计(正新仓库钢结构)_第1页
1/56
施工组织设计(正新仓库钢结构)_第2页
2/56
施工组织设计(正新仓库钢结构)_第3页
3/56
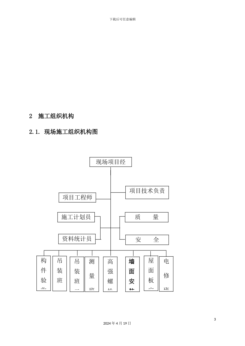
下载后可任意编辑施工组织设计(正新仓库钢结构)12024 年 4 月 19 日下载后可任意编辑一 施工组织设计1 工程概况项目名称:正新橡胶(中国)有限公司新建仓库钢结构屋面工程地点:昆山建设单位:正新橡胶(中国)有限公司本工程主体为两栋单层钢结构仓库,其中仓库一建筑面积 2970 平方米,仓库二建筑面积 6038 平方米,屋面梁采纳 H 型焊接钢梁, 主要梁之间采纳双向钢性连接, 次梁及檩条采纳铰接。次结构采纳 G450,镀锌量 350g/m2, 屈服强度 450Mpa。屋面压型钢板采纳镀锌钢板制作,用螺栓隐埋式固定于檩条,连接点每波设置一个,每块钢板与同一檩条的连接不得少于 3 个连接点。整个施工过程将严格根据业主提供的招标文件的要求执行,并根据中国施工法律规范及有关标准进行施工,根据 ISO9002 管理标准对施工全过程进行质量管理。22024 年 4 月 19 日下载后可任意编辑2 施工组织机构2.1. 现场施工组织机构图32024 年 4 月 19 日现场项目经理构件验收吊装班一测量班高强螺栓屋面板安电修班项目技术负责人施工计划员资料统计员质 量 员安 全 员 墙面安装吊装班二项目工程师下载后可任意编辑2.2.工程项目主要管理人员职责 工程项目主要管理人员职责: (1)项目经理:本公司现场代表,全面负责本工程施工,其职责为:A.履行工程合同、确保项目目标的实现、提高企业的信誉。B.设计项目的组织机构、恰当选配人员、组织精干高效的领导班子。C.接受企业的委托或在其授权下,负责处理项目以外的各项关系。D.组织有关的协调会议,进行信息沟通。E.对工程成本、质量、安全检查进行监督管理。F.负责工程变更、交工验收和交工文件。G.负责合同规定的售后服务。(2)技术负责人:负责本工程项目施工技术革新、质量管理,对施工质量负技术责任。A. 分管施工技术、质量监督检验组的日常工作。B. 组织编制项目质量计划。C. 组织编制单位工程施工组织设计、施工方案和作业指导书。D. 负责法律规范、标准、设计文件、质量体系文件和技术资料的控制。E. 负责项目的技术培训。F. 参加图纸会审、处理设计变更、负责向施工人员进行技术沟通。G. 组织技术攻关,开展 QC 小组活动,运用统计技术分析或解决施工技术难题,确保工程质量符合规定要求。H. 负责本工程的质量检验、评定工作,具有质量否决权。I.建立工程现场与公司之间的技术质量信息传递反馈渠道。(3) 项目工程师:在项目经理及分管领导的领导下负责本专业的施工管理:A. 参加设计...

1、当您付费下载文档后,您只拥有了使用权限,并不意味着购买了版权,文档只能用于自身使用,不得用于其他商业用途(如 [转卖]进行直接盈利或[编辑后售卖]进行间接盈利)。
2、本站所有内容均由合作方或网友上传,本站不对文档的完整性、权威性及其观点立场正确性做任何保证或承诺!文档内容仅供研究参考,付费前请自行鉴别。
3、如文档内容存在违规,或者侵犯商业秘密、侵犯著作权等,请点击“违规举报”。

碎片内容

施工组织设计(正新仓库钢结构)

确认删除?
VIP
微信客服
  • 扫码咨询
会员Q群
  • 会员专属群点击这里加入QQ群
客服邮箱
回到顶部