电脑桌面
添加小米粒文库到电脑桌面
安装后可以在桌面快捷访问

机械企业安全质量标准化考评检查表模板VIP专享

机械企业安全质量标准化考评检查表模板_第1页
1/68
机械企业安全质量标准化考评检查表模板_第2页
2/68
机械企业安全质量标准化考评检查表模板_第3页
3/68
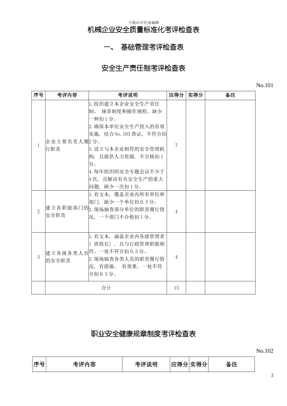
下载后可任意编辑机械企业安全质量标准化考评检查表1下载后可任意编辑机械企业安全质量标准化考评检查表一、 基础管理考评检查表安全生产责任制考评检查表No.101 序号考评内容考评说明应得分 实得分备注1企业主要负责人履行职责1.组织建立本企业安全生产责任制、 规章制度和操作规程。缺少一种扣 1 分。2.确保本单位安全生产投入的有效实施, 结合 No.103 查证, 不符合扣2 分。3.设立与本企业相符的安全管理机构, 且提供人力资源, 不合格扣 1分。4.每年组织的安全专题会议不少于4 次, 且解决有关安全生产的重大问题, 缺少一次扣 1 分。72建立各职能部门的安全职责1.有文本, 覆盖企业内所有单位和部门, 缺少一个单位扣 0.5 分。2.现场抽查部分单位的职责履行情况, 一个部门不合格扣 1 分。43建立各级各类人员的安全职责1.有文本, 涵盖企业内各级管理者( 班组长) , 且与行政管理职能相符。一处不符合扣 0.5 分。2.现场抽查各类人员的职责履行情况, 有措施、 有效果。一处不符合扣 0.5 分。4合计15职业安全健康规章制度考评检查表 No.102 序号考评内容考评说明应得分 实得分备注2下载后可任意编辑1企业应建立以下规章制度: ⑴ 安全生产检查制度; 有⑵ 伤亡事故管理制度; 有⑶ 职业安全健康教育制度 ; 有⑷ 建设项目安全健康管理制度; ⑸ 特种设备及人员安全管理制度; ⑹ 相关方安全管理制度; ⑺ 防火安全管理制度; ⑻ 危险作业审批制度; ⑼ 电气临时线审批制度; ⑽ 危险化学品管理制度; ⑾ 厂内交通安全管理制度; ⑿ 职业病预防管理制度; 有⒀ 安全奖惩制度; ⒁ 安全防护设备管理制度 ; 有⒂ 防尘防毒设施管理制度; ⒃ 劳动防护用品管理制度 ; 有⒄ 女工和未成年人保护制度; ⒅ 易燃易爆场所管理制度⒆ 安全生产”五同时”管理制度; ⒇ 劳动合同安全监督制度。1.查看文本, 每少一种扣 0.8 分。2.其中⑵、 ⑶、 ⑷、 ⑸、 ⑹项结合基础管理的其它内容评价其效果, 一种不合格扣 0.3分。3.其中⑴、 ⑻、 ⑼ 、 ⒀ 、 ⒆ 、 ⒇查看各种记录评价其效果, 一种不合格扣 0.3 分。4. 剩 余 的 ⑺ 、 ⑽ 、 ⑾ 、 ⑿ 、 ⒁ 、 ⒂ 、 ⒃ 、 ⒄、 ⒅项结合设备设施安全考评、 作业环境与职业健康考评等内容评价其效果, 一种不合格扣 0.3 分。10 2规章制度符合国家法律法规和标准的要求。所有规章制度中出现 一 处 不 合 格 ...

1、当您付费下载文档后,您只拥有了使用权限,并不意味着购买了版权,文档只能用于自身使用,不得用于其他商业用途(如 [转卖]进行直接盈利或[编辑后售卖]进行间接盈利)。
2、本站所有内容均由合作方或网友上传,本站不对文档的完整性、权威性及其观点立场正确性做任何保证或承诺!文档内容仅供研究参考,付费前请自行鉴别。
3、如文档内容存在违规,或者侵犯商业秘密、侵犯著作权等,请点击“违规举报”。

碎片内容

机械企业安全质量标准化考评检查表模板

确认删除?
VIP
微信客服
  • 扫码咨询
会员Q群
  • 会员专属群点击这里加入QQ群
客服邮箱
回到顶部