电脑桌面
添加小米粒文库到电脑桌面
安装后可以在桌面快捷访问

机械制造企业安全质量标准化考评检查明细表模板

机械制造企业安全质量标准化考评检查明细表模板_第1页
1/46
机械制造企业安全质量标准化考评检查明细表模板_第2页
2/46
机械制造企业安全质量标准化考评检查明细表模板_第3页
3/46
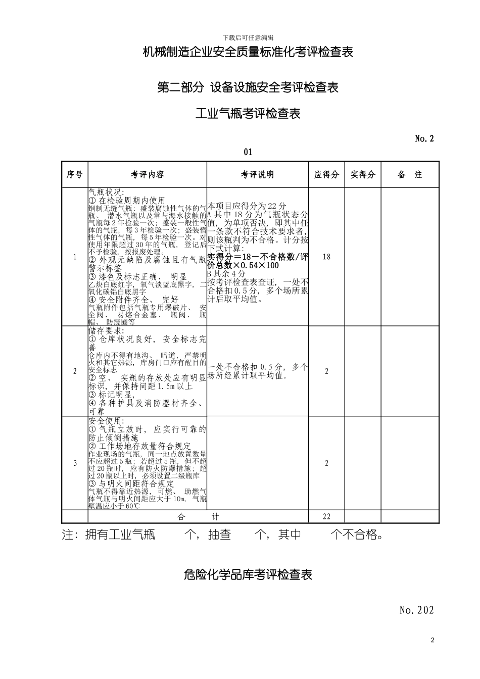
下载后可任意编辑机械制造企业安全质量标准化考评检查明细表1下载后可任意编辑机械制造企业安全质量标准化考评检查表第二部分 设备设施安全考评检查表工业气瓶考评检查表 No.201序号考评内容考评说明应得分实得分备 注1气瓶状况: ① 在检验周期内使用钢制无缝气瓶: 盛装腐蚀性气体的气瓶、 潜水气瓶以及常与海水接触的气瓶每 2 年检验一次; 盛装一般性气体的气瓶, 每 3 年检验一次; 盛装惰性气体的气瓶, 每 5 年检验一次。对使用年限超过 30 年的气瓶, 登记后不予检验, 按报废处理。② 外观无缺陷及腐蚀且有气瓶警示标签③ 漆色及标志正确、 明显乙炔白底红字, 氧气淡蓝底黑字, 二氧化碳铝白底黑字④ 安全附件齐全、 完好气瓶附件包括气瓶专用爆破片、 安全阀、 易熔合金塞、 瓶阀、 瓶帽、 防震圈等本项目应得分为 22 分A 其中 18 分为气瓶状态分值, 为单项否决, 即其中任一条款不符合技术要求者, 则该瓶判为不合格。计分按下式计算: 实得分=18-不合格数/评价总数×O.54×100B 其余 4 分按考评检查表查证, 一处不合格扣 0.5 分, 多个场所累计后取平均值。182储存要求: ① 仓库状况良好, 安全标志完善仓库内不得有地沟、 暗道, 严禁明火和其它热源, 库房门口应有醒目的安全标志② 空、 实瓶的存放处应有明显标识, 并保持间距 1.5m 以上③ 标记明显, ④ 各种护具及消防器材齐全、 可靠一处不合格扣 0.5 分, 多个场所经累计取平均值。23安全使用: ① 气瓶立放时, 应实行可靠的防止倾倒措施② 工作场地存放量符合规定作业现场的气瓶, 同一地点放置数量不应超过 5 瓶; 若超过 5 瓶, 但不超过 20 瓶时, 应有防火防爆措施; 超过 20 瓶以上时, 必须设置二级瓶库③ 与明火间距符合规定气瓶不得靠近热源, 可燃、 助燃气体气瓶与明火间距应大于 lOm, 气瓶壁温应小于 60℃2合 计22注: 拥有工业气瓶 个, 抽查 个, 其中 个不合格。危险化学品库考评检查表 No.2022下载后可任意编辑序号考评内容考评说明应得分实得分备 注1危险化学品应按其危险特性进行分类、 分区、 分库贮存, 库房符合安全标准的要求一处不合格扣 0.5 分。22消防设施齐全, 通道畅通一处不合格扣 0.5 分。23库内有隔热、 降温、 通风等措施一处不合格扣 1 分。24电气设施应采纳相应等级的防爆性电器一处不合格扣 0.8 分。25按危险化学品的特性处理废弃物品或包装容器 无...

1、当您付费下载文档后,您只拥有了使用权限,并不意味着购买了版权,文档只能用于自身使用,不得用于其他商业用途(如 [转卖]进行直接盈利或[编辑后售卖]进行间接盈利)。
2、本站所有内容均由合作方或网友上传,本站不对文档的完整性、权威性及其观点立场正确性做任何保证或承诺!文档内容仅供研究参考,付费前请自行鉴别。
3、如文档内容存在违规,或者侵犯商业秘密、侵犯著作权等,请点击“违规举报”。

碎片内容

机械制造企业安全质量标准化考评检查明细表模板

元素商铺+ 关注
实名认证
内容提供者

欢迎挑选合适的文档

相关文档

确认删除?
VIP
微信客服
  • 扫码咨询
会员Q群
  • 会员专属群点击这里加入QQ群
客服邮箱
回到顶部