电脑桌面
添加小米粒文库到电脑桌面
安装后可以在桌面快捷访问

某公司零件加工作业指导书样本样本

某公司零件加工作业指导书样本样本_第1页
1/19
某公司零件加工作业指导书样本样本_第2页
2/19
某公司零件加工作业指导书样本样本_第3页
3/19
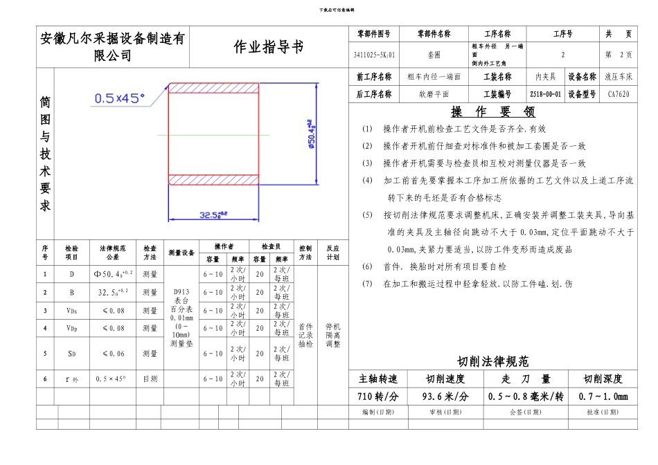
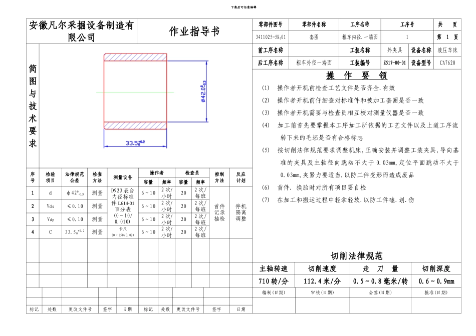
下载后可任意编辑安徽凡尔采掘设备制造有限公司作业指导书零部件图号零部件名称工序名称工序号共 页3411025-5K101套圈粗车内径.一端面1第 1 页简图与技术要求前工序名称工装名称外夹具设备名称液压车床后工序名称粗车外径一端面工装编号Z517-00-01设备型号CA7620操 作 要 领(1) 操作者开机前检查工艺文件是否齐全.有效 (2) 操作者开机前仔细查对标准件和被加工套圈是否一致 (3) 操作者开机需要与检查员相互校对测量仪器是否一致 (4) 加工前首先要掌握本工序加工所依据的工艺文件以及上道工序流转下来的毛坯是否有合格标志 (5) 按切削法律规范要求调整机床,正确安装并调整工装夹具,导向基准的夹具及主轴径向跳动不大于 0.03mm,定位平面跳动不大于0.03mm,夹紧力要适当,以防工件变形而造成废品 (6) 首件. 换胎时对所有项目要自检 (7) 在加工和搬运过程中轻拿轻放.以防工件磕.划.伤切削法律规范序号检验项目法律规范公差检查方法测量设备操作者检查员控制方法反应计划容量频率容量频率1dφ420-0.3测量D923 表台内径标准件 L614-01百分表(0~10/0.010)6~102 次/小时202 次/每班首件记录抽检停机隔离调整2Vds≤0.10测量6~102 次/小时202 次/每班3Vdp≤0.10测量6~102 次/小时202 次/每班4C33.50+0.2测量卡尺(0~150/0.02)6~102 次/小时202 次/每班主轴转速切削速度走 刀 量切削深度710 转/分112.4 米/分0.5~0.8 毫米/转0.6~0.9mm编制(日期)审核(日期)会签(日期)批准(日期)标记处数更改文件号签字日期标记处数更改文件号签字日期下载后可任意编辑安徽凡尔采掘设备制造有限公司作业指导书零部件图号零部件名称工序名称工序号共 页3411025-5K101套圈粗车外径 另一端面倒内外工艺角2第 2 页简图与技术要求前工序名称粗车内径一端面工装名称内夹具设备名称液压车床后工序名称软磨平面工装编号Z518-00-01设备型号CA7620操 作 要 领(1) 操作者开机前检查工艺文件是否齐全.有效 (2) 操作者开机前仔细查对标准件和被加工套圈是否一致 (3) 操作者开机需要与检查员相互校对测量仪器是否一致 (4) 加工前首先要掌握本工序加工所依据的工艺文件以及上道工序流转下来的毛坯是否有合格标志 (5) 按切削法律规范要求调整机床,正确安装并调整工装夹具,导向基准的夹具及主轴径向跳动不大于 0.03mm,定位平面跳动不大于0.03mm,夹紧力要适当,以防工件变形而造成废品 (6) 首件. 换胎时对所有项目要自检 (7) 在加...

1、当您付费下载文档后,您只拥有了使用权限,并不意味着购买了版权,文档只能用于自身使用,不得用于其他商业用途(如 [转卖]进行直接盈利或[编辑后售卖]进行间接盈利)。
2、本站所有内容均由合作方或网友上传,本站不对文档的完整性、权威性及其观点立场正确性做任何保证或承诺!文档内容仅供研究参考,付费前请自行鉴别。
3、如文档内容存在违规,或者侵犯商业秘密、侵犯著作权等,请点击“违规举报”。

碎片内容

某公司零件加工作业指导书样本样本

确认删除?
VIP
微信客服
  • 扫码咨询
会员Q群
  • 会员专属群点击这里加入QQ群
客服邮箱
回到顶部