电脑桌面
添加小米粒文库到电脑桌面
安装后可以在桌面快捷访问

桥梁墩台施工作业指导书样本

桥梁墩台施工作业指导书样本_第1页
1/14
桥梁墩台施工作业指导书样本_第2页
2/14
桥梁墩台施工作业指导书样本_第3页
3/14
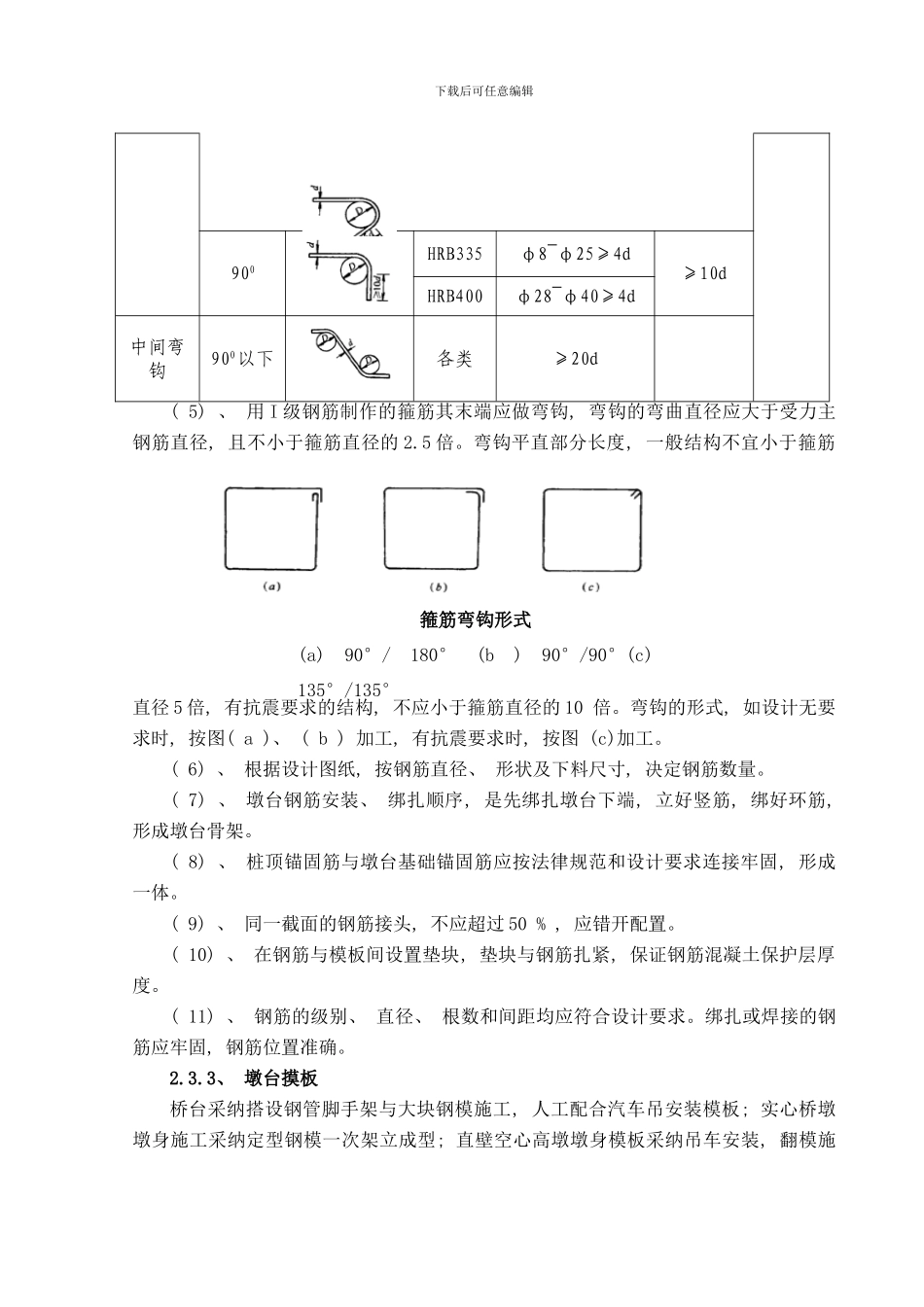
桥梁墩台施工作业指导书1、 适用范围本作业指导书适用于 DK746+759.4~DK763+574 段内的四通特大桥、 江肇高速特大桥、 正社大桥、 青岐涌中桥、 青岐涌特大桥。2、 施工工艺2.1、 总体施工方案墩身采纳大块钢模板施工, 实体墩一次浇筑混凝土, 墩高小于 20m 的空心墩, 分二次浇筑混凝土; 桥墩高于 20m 时采纳翻模施工, 采纳吊车吊装模板, 模板自设施工平台, 对于空心高墩, 墩身垂直度的允许误差为 1/1000, 且最大不超过 20mm, 每施工一层要进行一次中心线校正。2.2、 施工工艺流程( 见下图) 2.3、 施工方法及要求 2.3.1、 墩台测量定位为了使墩台位置、 尺寸符合设计要求, 桥梁施工前, 首先应对桥梁所在位置的路承台顶面清理测量放样钢筋绑扎钢筋制作模板安装模板制作混凝土浇筑混凝土养护混凝土拌和运输拆除模板制作试件桥梁墩台施工流程框图钢筋模板检查下载后可任意编辑线中线进行复测。复测无误后, 在现场定出控制桩。以桥梁中线控制桩或桥梁三角网控制点为基准, 按规定精度测量出墩台中心的位置。控制桩采纳混凝土桩, 并设混凝土保护桩。2.3.2、 墩台钢筋加工与安装(1)、 钢筋混凝土墩、 台钢筋加工与安装, 应符合一般钢筋混凝土构筑物的基本要求。(2)、 钢筋进场时应具有出厂合格证明书或试验报告, 并按不同规格、 等级、 钢种、 牌号分批验收、 分别存放、 设立标识牌。根据规定抽取试件进行力学 , 化学和可焊性试验。( 3) 、 钢筋加工前必须调直及除锈, 钢筋调直和清除污锈应符合下列要求: 1) 、 钢筋的表面应洁净, 使用前应将表面油渍、 油漆污皮、 鳞锈等清除洁净。2) 、 钢筋应平直无局部弯折, 成盘的钢筋和弯曲的钢筋均应调直。3) 、 采纳冷拉方法调直钢筋时, I 级钢筋的冷拉率不宜大于 2 %; HRB335 、 HRB400 牌号钢筋的冷拉率不宜大于 1%。( 4) 、 钢筋的弯制和末端的弯钩应符合设计要求, 如设计无规定时, 应符合下表的规定。受力主钢筋制作和末端弯钩形状夸曲部位夸曲角度形状图钢筋种类弯曲直径 D平直部分长度备注末端弯钩1800I≥2.5d≥3dd 为钢筋直径1350HRB335φ8~φ25≥4d≥5dHRB400φ28~φ40≥4d下载后可任意编辑900HRB335φ8~φ25≥4d≥10dHRB400φ28~φ40≥4d中间弯钩900以下各类≥20d( 5) 、 用 I 级钢筋制作的箍筋其末端应做弯钩, 弯钩的弯曲直径应大于受力主钢筋直径, 且不小于箍筋直径的 2.5 倍。弯钩平直部分长度, 一般...

1、当您付费下载文档后,您只拥有了使用权限,并不意味着购买了版权,文档只能用于自身使用,不得用于其他商业用途(如 [转卖]进行直接盈利或[编辑后售卖]进行间接盈利)。
2、本站所有内容均由合作方或网友上传,本站不对文档的完整性、权威性及其观点立场正确性做任何保证或承诺!文档内容仅供研究参考,付费前请自行鉴别。
3、如文档内容存在违规,或者侵犯商业秘密、侵犯著作权等,请点击“违规举报”。

碎片内容

桥梁墩台施工作业指导书样本

阳光书坊+ 关注
实名认证
内容提供者

阳光书坊,传播未来

确认删除?
VIP
微信客服
  • 扫码咨询
会员Q群
  • 会员专属群点击这里加入QQ群
客服邮箱
回到顶部