电脑桌面
添加小米粒文库到电脑桌面
安装后可以在桌面快捷访问

桥梁工程作业指导书样本VIP专享

桥梁工程作业指导书样本_第1页
1/18
桥梁工程作业指导书样本_第2页
2/18
桥梁工程作业指导书样本_第3页
3/18
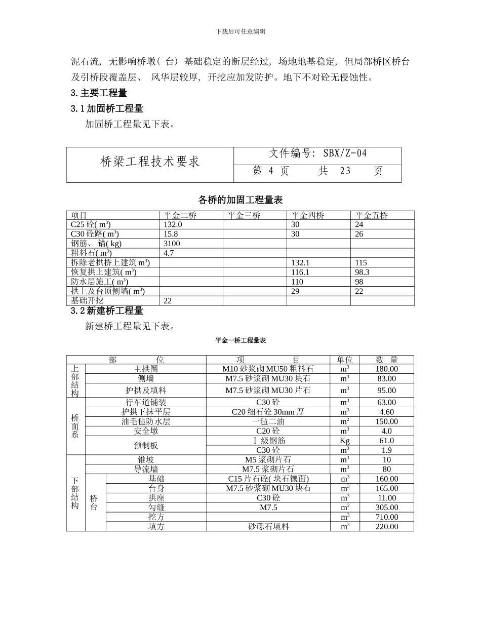
下载后可任意编辑三板溪水电站对外交通工程施工( 响水坝_锦屏新拱桥) A 合同段桥梁工程技术要求版 号: A/0 起草人/日期: 杨箫 .2.10受控号: 审核人/日期: 肖克社 .2.12页 数: 批准人/日期: 刘崇新 .2.15持有人: 受控状态: 2 月 17 日发布 2 月 20 日实施桥梁工程技术要求SBX/Z-05第 2 页 共 23 页1.工程概况三板溪水电站新拱桥至响水坝对外公路, 贵州段( 新拱桥 ~星子界) 长12.9km, 该段线路内布置有 6 座桥梁( 包括原有桥梁加固) , 桥梁设计荷载为汽车-超 20 级, 挂车-300t 新建桥面净宽为 7m, 老桥保持原宽, 为 7~8m 不等。下载后可任意编辑新建亮江大桥位在清水江支流亮江上, 距贵州锦平县以东约 3km, 新建桥梁布置在原亮江老桥的下游侧, 两桥桥面净距 1m, 两桥的跨度、 矢高保持一致。桥面高程为 311.893m, 桥宽为 5+2×0.5m, 全桥总长为 110.8m(6.8+4×24+8m)。结构形式采纳 4 跨 24m 的砼斜腿刚架, 每跨布置 3 片刚架梁, 横向用系梁连成整体; 下部为片石砼桥墩配扩大基础。桥址河床比较平坦, 常水位时水面宽约 70m, 最大水深 3m, 基岩裸露, 桥梁基础条件较好, 但右桥头由于原公路较窄, 与大桥交叉的转弯半径不能满足挂车的要求, 需要将路面扩宽 8~10m。新建的平金一桥, 桥梁结合现场地形地质条件, 以及施工方便, 采纳等截面悬链无铰拱石拱桥, 矢高比 f0/L0=1/5。下结构采纳 U 型重力式桥台和重力式桥墩, 桥墩( 台) 基础坐落在基岩上, 要求地基承载能力不小于 1000kpa。在原线路上的老桥, 因修建的时间不一样和原设计图纸遗失, 加上现设计的荷载等级相差较大, 根据现场勘测的情况进行加固, 依照老桥的跨度采纳钢筋砼材料加固改造。桥梁简述见下表。桥梁工程技术要求文件编号: SBX/Z-04第 3 页 共 23 页新拱桥~星子界沿线桥梁简况表序号桥名桥型跨度或跨径( m) 中心桩号斜交角( 度) 1亮江大桥新建6.8+4×24+8K21+963.7502平金一桥新建1×1203平金二桥加固2×1004平金三桥加固1×13.205平金四桥加固1×1006平金五桥加固1×80老桥加固情况一览表序号桥名加固部位加大拱圈厚( m) 下部加固简述1平金二桥主拱圈内侧0.45桥墩、 台基础扩宽 1.3m, 座落基岩2平金三桥板桥上部0.50桥墩、 台基础扩宽 1.3m, 座落基岩3平金四桥主拱圈上部0.25桥墩、 台基础扩宽 1.3m, 座落基岩4平金五桥主拱圈上部0.30桥墩、 台基础扩宽 1.3m, ...

1、当您付费下载文档后,您只拥有了使用权限,并不意味着购买了版权,文档只能用于自身使用,不得用于其他商业用途(如 [转卖]进行直接盈利或[编辑后售卖]进行间接盈利)。
2、本站所有内容均由合作方或网友上传,本站不对文档的完整性、权威性及其观点立场正确性做任何保证或承诺!文档内容仅供研究参考,付费前请自行鉴别。
3、如文档内容存在违规,或者侵犯商业秘密、侵犯著作权等,请点击“违规举报”。

碎片内容

桥梁工程作业指导书样本

确认删除?
VIP
微信客服
  • 扫码咨询
会员Q群
  • 会员专属群点击这里加入QQ群
客服邮箱
回到顶部