电脑桌面
添加小米粒文库到电脑桌面
安装后可以在桌面快捷访问

模具塑料模毕业设计论文样本

模具塑料模毕业设计论文样本_第1页
1/14
模具塑料模毕业设计论文样本_第2页
2/14
模具塑料模毕业设计论文样本_第3页
3/14
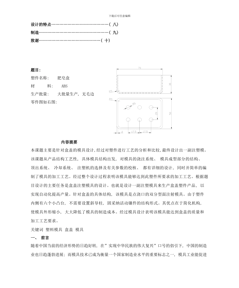
下载后可任意编辑毕业设计说明书目录 前言……………………………………………( 一) 塑料工艺分析…………………………………( 二) 1、 原材料的分析2、 塑料的结构分析3、 表面质量分析4、 尺寸精度分析塑件的体积与质量……………………………( 三) 注射工艺参数的确定…………………………( 四) 结构设计………………………………………( 五) 1、 分型面的选择2、 型腔的排列方式3、 浇注系统的设计①、 主流道的设计②、 分流道的设计③、 浇口设计4、 成型零件的结构设计①、 凹摸的结构设计②、 凸模的结构设计 计算……………………………………………( 六) 1、 型芯、 型腔尺寸的计算① 凹模有关尺寸的计算②、 模具型新位置尺寸计算③、 模具型新位置尺寸计算2、 侧壁及底板厚度计算3、 加热或冷却有关计算4、 闭合高度的计算5、 注射机有关参数的校核模具工作原理…………………………………( 七) 下载后可任意编辑设计的特点……………………………………( 八) 制造……………………………………………( 九) 致谢………………………………………( 十) 题目: 塑件名称: 肥皂盒材 料: ABS生产批量: 大批量生产, 无毛边零件图如右图:内容提要本课题主要是针对盒盖的模具设计,经过对塑件进行工艺的分析和比较,最终设计出一副注塑模。该课题从产品结构工艺性, 具体模具结构出发, 对模具的浇注系统、 模具成型部分的结构、 顶出系统、 冷却系统、 注塑机的选择及有关参数的校核、 都有详细的设计, 同时并简单的编制了模具的加工工艺。经过整个设计过程表明该模具能够达到此塑件所要求的加工工艺。根据题目设计的主要任务是盒盖注塑模具的设计。也就是设计一副注塑模具来生产盒盖塑件产品, 以实现自动化提高产量。针对盒盖的具体结构, 该模具是点浇口的双分型面注射模具。由于塑件内侧有六个小凸台, 不需要设置斜导柱, 固采纳活动镶件的结构形式。其优点在于简化机构, 使模具外形缩小, 大大降低了模具的制造成本。经过模具设计表明该模具能达到盒盖的质量和加工工艺要求。关键词 塑料模具 盒盖 模具一、 前言随着中国当前的经济形势的日趋好转, 在”实现中华民族的伟大复兴”口号的倡引下, 中国的制造业也日趋蓬勃进展; 而模具技术已成为衡量一个国家制造业水平的重要标志之一, 模具工业能促进下载后可任意编辑工业产品生产的进展和质量提高, 并能获得极大的经济效...

1、当您付费下载文档后,您只拥有了使用权限,并不意味着购买了版权,文档只能用于自身使用,不得用于其他商业用途(如 [转卖]进行直接盈利或[编辑后售卖]进行间接盈利)。
2、本站所有内容均由合作方或网友上传,本站不对文档的完整性、权威性及其观点立场正确性做任何保证或承诺!文档内容仅供研究参考,付费前请自行鉴别。
3、如文档内容存在违规,或者侵犯商业秘密、侵犯著作权等,请点击“违规举报”。

碎片内容

模具塑料模毕业设计论文样本

您可能关注的文档

确认删除?
VIP
微信客服
  • 扫码咨询
会员Q群
  • 会员专属群点击这里加入QQ群
客服邮箱
回到顶部