电脑桌面
添加小米粒文库到电脑桌面
安装后可以在桌面快捷访问

模板安装拆除工程检验批质量验收记录改样本

模板安装拆除工程检验批质量验收记录改样本_第1页
1/4
模板安装拆除工程检验批质量验收记录改样本_第2页
2/4
模板安装拆除工程检验批质量验收记录改样本_第3页
3/4
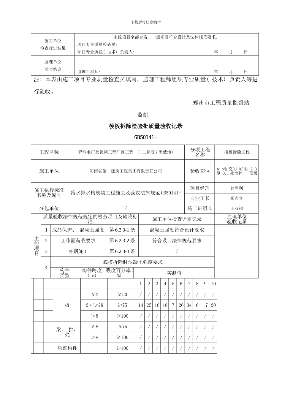
下载后可任意编辑模板安装工程检验批质量验收记录GB50141- 工程名称罗垌水厂及管网工程厂区工程 ( 二标段 反冲洗泵房、 鼓风机房及变配电间) 分项工程名称模板安装工程施工单位河南省第一建筑工程集团有限责任公司验收部位-Ⓐ 轴交⑤-⑫ 轴-2.9至-0.03 处梁、 柱施工执行标准名称及编号给水排水构筑物工程施工及验收法律规范 GB50141- 项目经理曾照利专业工长杨宾宾分包单位/施工班组长王双超主控 项目施工质量验收规格的规定施工单位检查评定记录监理单位验收记录1模板及其支架的承载能力、 刚度和稳定性要求第 6.8.1-1 条符合设计要求且安装牢固2模板、 对拉螺栓、 垫块预埋件、 预留孔洞等第 6.8.1-2 条符合设计要求且安装牢固3清洁、 脱模剂涂刷、 钢筋和混凝土接茬处第 6.8.1-3 条涂刷均匀、 无污渍一般项目目1模板内杂物、 钢模锈渍清理第 6.8.1-4 条杂物已清理洁净2清水、 装饰混凝土工程模板的使用第 6.8.1-5 条/整体现浇混凝土模板安装允许偏差项目( 表 6.8.1) 允许偏差( mm) 实测值( 符合设计及法律规范要求 mm) 相邻板差21121211212表面平整度32112121131高程±51211211111垂直度池壁、 柱H≤5m512122111115m<H≤15m 0.1%H, 且≤6 //////////平面尺寸L≤20m±10//////////20m≤L≤50m±L/ 12131-2-12-2-1L≥50m±25//////////截面尺寸池壁、 顶板±31000111101梁、 柱±31111111121洞净空±5//////////槽、 沟净空±5//////////轴线位移底板102112131312墙51111010211梁、 柱51001120101预埋件、 预埋管31110001211中心位置预留洞5//////////止水带中心位移51212111121垂直度51211111111下载后可任意编辑施工单位检查评定结果主控项目全部合格, 一般项目符合设计及法律规范要求。项目专业质量检查员: 项目专业质量( 技术) 负责人: 年 月 日监理单位验收结论监理工程师: 年 月 日注: 本表由施工项目专业质量检查员填写, 监理工程师组织专业质量( 技术) 负责人等进行验收。 郑州市工程质量监督站监制模板拆除检验批质量验收记录GB50141- 工程名称罗垌水厂及管网工程厂区工程 ( 二标段 V 型滤池) 分项工程名称模板拆除工程施工单位河南省第一建筑工程集团有限责任公司验收部位- 轴交①-⑥ 轴-2.3至-0.1 处墙体、 顶板施工执行标准名称及编号给水排水构筑物工程施工及验收法律规范 GB50141- 项目经理曾照利专业工长杨宾宾分包单位/施工班组长王双超...

1、当您付费下载文档后,您只拥有了使用权限,并不意味着购买了版权,文档只能用于自身使用,不得用于其他商业用途(如 [转卖]进行直接盈利或[编辑后售卖]进行间接盈利)。
2、本站所有内容均由合作方或网友上传,本站不对文档的完整性、权威性及其观点立场正确性做任何保证或承诺!文档内容仅供研究参考,付费前请自行鉴别。
3、如文档内容存在违规,或者侵犯商业秘密、侵犯著作权等,请点击“违规举报”。

碎片内容

模板安装拆除工程检验批质量验收记录改样本

您可能关注的文档

确认删除?
VIP
微信客服
  • 扫码咨询
会员Q群
  • 会员专属群点击这里加入QQ群
客服邮箱
回到顶部