电脑桌面
添加小米粒文库到电脑桌面
安装后可以在桌面快捷访问

水运施工现场控制模板VIP专享

水运施工现场控制模板_第1页
1/18
水运施工现场控制模板_第2页
2/18
水运施工现场控制模板_第3页
3/18
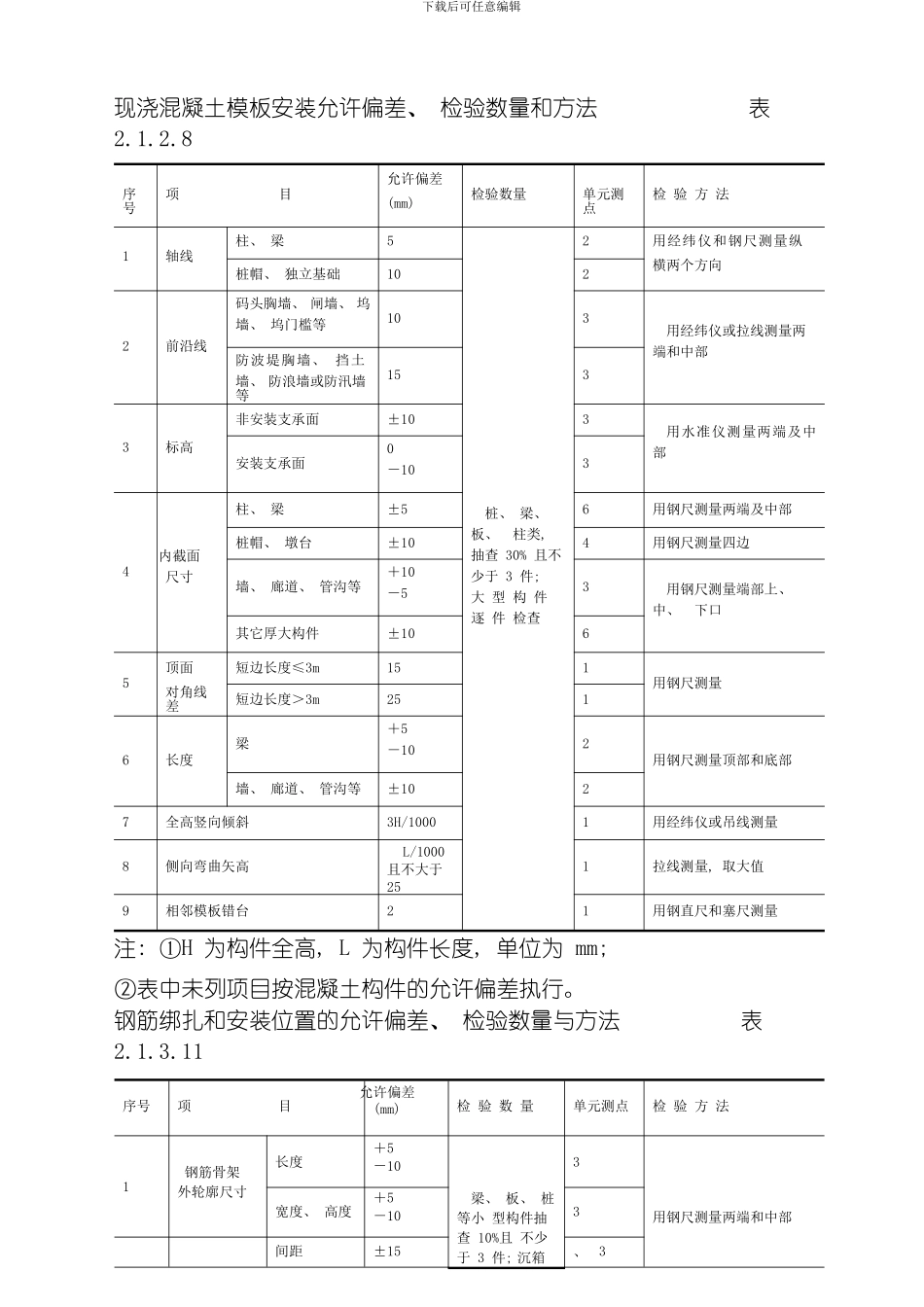
下载后可任意编辑现浇混凝土模板安装允许偏差、 检验数量和方法表 2.1.2.8序号项目允许偏差(mm)检验数量单元测点检 验 方 法1轴线柱、 梁5桩、 梁、 板、 柱类, 抽查 30% 且不少于 3 件; 大 型 构 件 逐 件 检查2用经纬仪和钢尺测量纵横两个方向桩帽、 独立基础1022前沿线码头胸墙、 闸墙、 坞墙、 坞门槛等103用经纬仪或拉线测量两 端和中部防波堤胸墙、 挡土墙、 防浪墙或防汛墙等1533标高非安装支承面±103用水准仪测量两端及中 部安装支承面0-1034内截面 尺寸柱、 梁±56用钢尺测量两端及中部桩帽、 墩台±104用钢尺测量四边墙、 廊道、 管沟等+10-53用钢尺测量端部上、 中、 下口其它厚大构件±1065顶面对角线差短边长度≤3m151用钢尺测量短边长度>3m2516长度梁+5-102用钢尺测量顶部和底部墙、 廊道、 管沟等±1027全高竖向倾斜3H/10001用经纬仪或吊线测量8侧向弯曲矢高L/1000 且不大于 251拉线测量, 取大值9相邻模板错台21用钢直尺和塞尺测量注: ①H 为构件全高, L 为构件长度, 单位为 mm; ②表中未列项目按混凝土构件的允许偏差执行。钢筋绑扎和安装位置的允许偏差、 检验数量与方法表 2.1.3.11序号项目允许偏差 (mm)检 验 数 量单元测点检 验 方 法1钢筋骨架 外轮廓尺寸长度+5-10梁、 板、 桩等小 型构件抽查 10%且 不少于 3 件; 沉箱 3用钢尺测量两端和中部宽度、 高度+5-103间距±15、 3下载后可任意编辑2受力钢筋扶壁等大型构件逐 件检查层距或排距±1033弯起钢筋弯起点位置±202用钢尺测量4箍筋、 分布筋间距±203用钢尺测量两端和中部 连续 3 档, 取大值注: 预制构件外伸环形钢筋的间距或倾斜允许偏差为±20mm一般检验项目2.1.2.3 模板表面应平整、 光洁, 接缝应平顺、 严密、 不漏浆。透水模板敷面材料应敷 贴平顺。检验数量: 施工单位、 监理单位全部检查。 检验方法: 观察检查。2.1.2.4用作底模的地坪和胎模, 表面应平整, 不应有影响构件质量的沉陷和裂缝。 检验数量: 施工单位、 监理单位全部检查。检验方法: 观察检查。2.1.2.5 现场制作模板的允许偏差应符合表 2.1.2.5 的规定。模板制作允许偏差表 2.1.2.5序号项目允许偏差(mm)1木模板长度与宽度+5-2表面平整度3表面错台12钢模板长度与宽度±2表面平整度2连接孔眼位置1表面错台23混凝土底胎模长线台座宽度和单台座长度与宽度±3平整度3长线台座每 10m 和单台座...

1、当您付费下载文档后,您只拥有了使用权限,并不意味着购买了版权,文档只能用于自身使用,不得用于其他商业用途(如 [转卖]进行直接盈利或[编辑后售卖]进行间接盈利)。
2、本站所有内容均由合作方或网友上传,本站不对文档的完整性、权威性及其观点立场正确性做任何保证或承诺!文档内容仅供研究参考,付费前请自行鉴别。
3、如文档内容存在违规,或者侵犯商业秘密、侵犯著作权等,请点击“违规举报”。

碎片内容

水运施工现场控制模板

确认删除?
VIP
微信客服
  • 扫码咨询
会员Q群
  • 会员专属群点击这里加入QQ群
客服邮箱
回到顶部