电脑桌面
添加小米粒文库到电脑桌面
安装后可以在桌面快捷访问

沪太路主线桥PHC管桩施工方案模板

沪太路主线桥PHC管桩施工方案模板_第1页
1/15
沪太路主线桥PHC管桩施工方案模板_第2页
2/15
沪太路主线桥PHC管桩施工方案模板_第3页
3/15
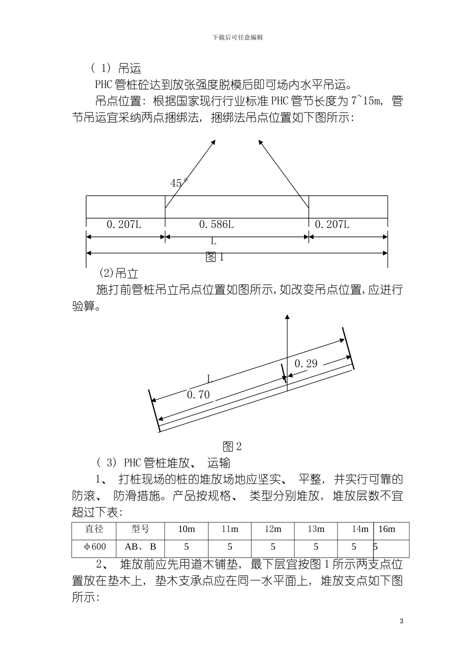
下载后可任意编辑沪太路主线桥 PHC管桩施工方案1下载后可任意编辑上跨沪太路主线桥 PHC 管桩施工方案一、 工程概况上 跨 沪 太 路 主 线 桥 桥 上 跨 沪 太 公 路 , 起 点 桩 号 为K24+446.53, 终点桩号为 K25+119.47, 全桥长 672.94m, 共 33 跨, 跨径分别为 16m、 18m、 18.37m、 18.63m、 19m、 20m、 21m、 22m。桥梁桥台桩基础为 φ600mmB 型 PHC 预制管桩, 桥墩桩基础为 φ600mmAB 型 PHC 预制管桩, 单桩长分别 46m、 47m、 50m, 计 有 428 根 , 总 计 19934m, 其 中 0# 台 、 1#~3# 墩 、 15#~16#墩、 27#墩桩为水中桩, 计有 81 根, 3772m; 其余部位为陆上桩, 计有 347 根, 16162m。二、 工程地质和水文该区域属宾海平原地貌类型, 地势平坦, 原地面标高约在5.0m 左右。根据上海市政工程设计讨论院提供的地质勘测报告, 自地表向下土层依次为: 填土、 黄色粉质粘土、 灰黄色粉质粘土、 灰色淤泥质粉色粘土、 灰色淤泥质粘土、 暗绿~黄色粘土 黄~灰色砂质粉土、 灰色粉质粘土、 灰色粉质粘土夹粉砂、 灰色粉质粘土及粉沙互层, 其中灰色粉质粘土夹粉砂、 灰色粉质粘土及粉沙互层土质较好, 分布稳定, 为良好的桥梁桩基持力层。该区域地下水水位标高在 3.96~2.91 m之间, 属潜水类型, 常受季节、 气候、 降水量影响而变化。上海地区 4、 5、 6 月份为南方地区特有的梅雨季节, 夏季雨季较长, 对工程施工影响较大。三、 现场施工条件 该处交通条件较为便利, 管桩运输可经沪太路、 长联路运至沪太路东西两侧施工现场。在主线桥前进方向右侧修筑宽度为 4m的施工便道, 便道使用房屋拆迁后的混凝土碎块、 碎砖, 用推土机推平, 压路机碾压密实, 能够满足管桩运输车辆的进出。由于管桩运输车辆车身较长, 在经沪太公路向两侧施工现场运输管桩时, 拐弯、 转向较为困难, 对桩基工程施工有较大影响。施工场地经平整碾压, 可满足桩机进场和管桩进场、 堆放的要求。四、 管桩施工( 一) PHC 管桩的吊运、 吊立及堆放、 运输 1、 PHC 管桩吊运和吊立2下载后可任意编辑 ( 1) 吊运 PHC 管桩砼达到放张强度脱模后即可场内水平吊运。 吊点位置: 根据国家现行行业标准 PHC 管节长度为 7~15m, 管节吊运宜采纳两点捆绑法, 捆绑法吊点位置如下图所示: 45° 0.207L 0.586L 0.207L L 图 1(2)吊立 施打前管...

1、当您付费下载文档后,您只拥有了使用权限,并不意味着购买了版权,文档只能用于自身使用,不得用于其他商业用途(如 [转卖]进行直接盈利或[编辑后售卖]进行间接盈利)。
2、本站所有内容均由合作方或网友上传,本站不对文档的完整性、权威性及其观点立场正确性做任何保证或承诺!文档内容仅供研究参考,付费前请自行鉴别。
3、如文档内容存在违规,或者侵犯商业秘密、侵犯著作权等,请点击“违规举报”。

碎片内容

沪太路主线桥PHC管桩施工方案模板

您可能关注的文档

确认删除?
VIP
微信客服
  • 扫码咨询
会员Q群
  • 会员专属群点击这里加入QQ群
客服邮箱
回到顶部