电脑桌面
添加小米粒文库到电脑桌面
安装后可以在桌面快捷访问

河北石油分公司计检站站长岗位说明书模板

河北石油分公司计检站站长岗位说明书模板_第1页
1/3
河北石油分公司计检站站长岗位说明书模板_第2页
2/3
河北石油分公司计检站站长岗位说明书模板_第3页
3/3
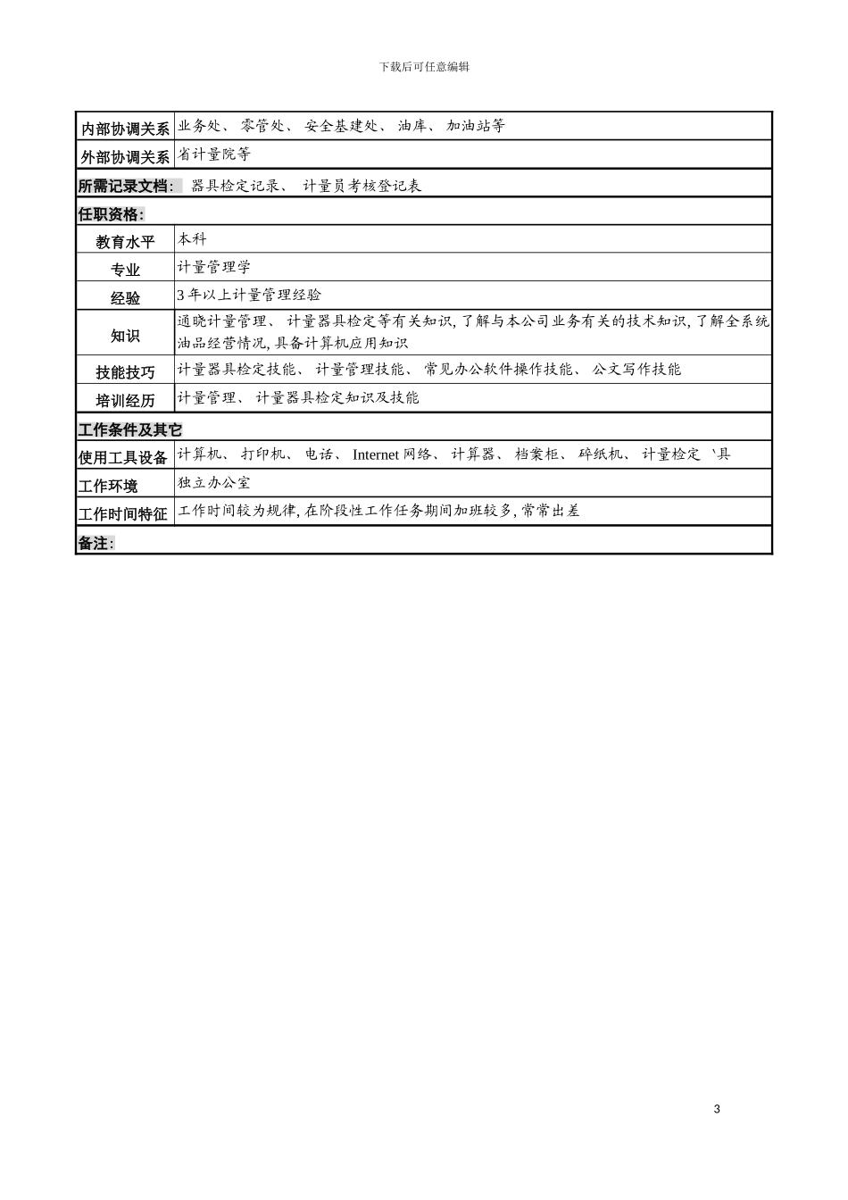
下载后可任意编辑河北石油分公司计检站站长岗位说明书1计检站站长岗位说明书岗位名称计检站站长岗位编号所在部门质量计量处岗位定员直接上级质量计量处处长工资等级直接下级无薪酬类型所辖人员无岗位分析日期本职: 负责系统油品计量检定及技术服务职责与工作任务: 职责一职责表述: 负责执行计量监督工作工作时间百分比: 25%工作任务负责宣传、 贯彻国家计量法律、 法规频次: 负责宣传、 贯彻集团公司、 销售公司有关制度、 规定频次: 负责宣传、 贯彻省公司《油品计量管理实施细则》, 执行计量监督工作频次: 职责二职责表述: 负责计量器具的购置、 分配工作时间百分比: 25%工作任务负责统计各分公司所需计量器具数额频次: 负责联系计量器具生产厂家, 组织器具竞标工作频次: 负责购进、 分配计量器具频次: 职责三职责表述: 负责计量器具的技术检定工作工作时间百分比: 50%工作任务负责系统立、 卧式油罐周期检定工作频次: 负责系统量油尺、 温度计、 密度计周期检定工作频次: 负责系统油罐汽车周期检定工作频次: 职责四职责表述: 完成领导交办的其它工作权力: 权限一: 计量管理体系的建立与法律规范权权限二: 油库、 加油站的计量工作监督、 检查权权限三: 计量纠纷的处理权权限四: 计量器具检定权权限五: 系统计量员的考评权工作协作关系: 下载后可任意编辑内部协调关系 业务处、 零管处、 安全基建处、 油库、 加油站等外部协调关系 省计量院等所需记录文档: 器具检定记录、 计量员考核登记表任职资格: 教育水平本科专业计量管理学经验3 年以上计量管理经验知识通晓计量管理、 计量器具检定等有关知识, 了解与本公司业务有关的技术知识, 了解全系统油品经营情况, 具备计算机应用知识技能技巧计量器具检定技能、 计量管理技能、 常见办公软件操作技能、 公文写作技能培训经历计量管理、 计量器具检定知识及技能工作条件及其它使用工具设备 计算机、 打印机、 电话、 Internet 网络、 计算器、 档案柜、 碎纸机、 计量检定`具工作环境独立办公室工作时间特征 工作时间较为规律, 在阶段性工作任务期间加班较多, 常常出差备注: 3

1、当您付费下载文档后,您只拥有了使用权限,并不意味着购买了版权,文档只能用于自身使用,不得用于其他商业用途(如 [转卖]进行直接盈利或[编辑后售卖]进行间接盈利)。
2、本站所有内容均由合作方或网友上传,本站不对文档的完整性、权威性及其观点立场正确性做任何保证或承诺!文档内容仅供研究参考,付费前请自行鉴别。
3、如文档内容存在违规,或者侵犯商业秘密、侵犯著作权等,请点击“违规举报”。

碎片内容

河北石油分公司计检站站长岗位说明书模板

您可能关注的文档

一二三四传媒+ 关注
实名认证
内容提供者

大量资料供您选择,没有合适的可以联系小二。

确认删除?
VIP
微信客服
  • 扫码咨询
会员Q群
  • 会员专属群点击这里加入QQ群
客服邮箱
回到顶部