电脑桌面
添加小米粒文库到电脑桌面
安装后可以在桌面快捷访问

液压轴向柱塞泵马达工艺设计及生产线规划概述

液压轴向柱塞泵马达工艺设计及生产线规划概述_第1页
1/72
液压轴向柱塞泵马达工艺设计及生产线规划概述_第2页
2/72
液压轴向柱塞泵马达工艺设计及生产线规划概述_第3页
3/72
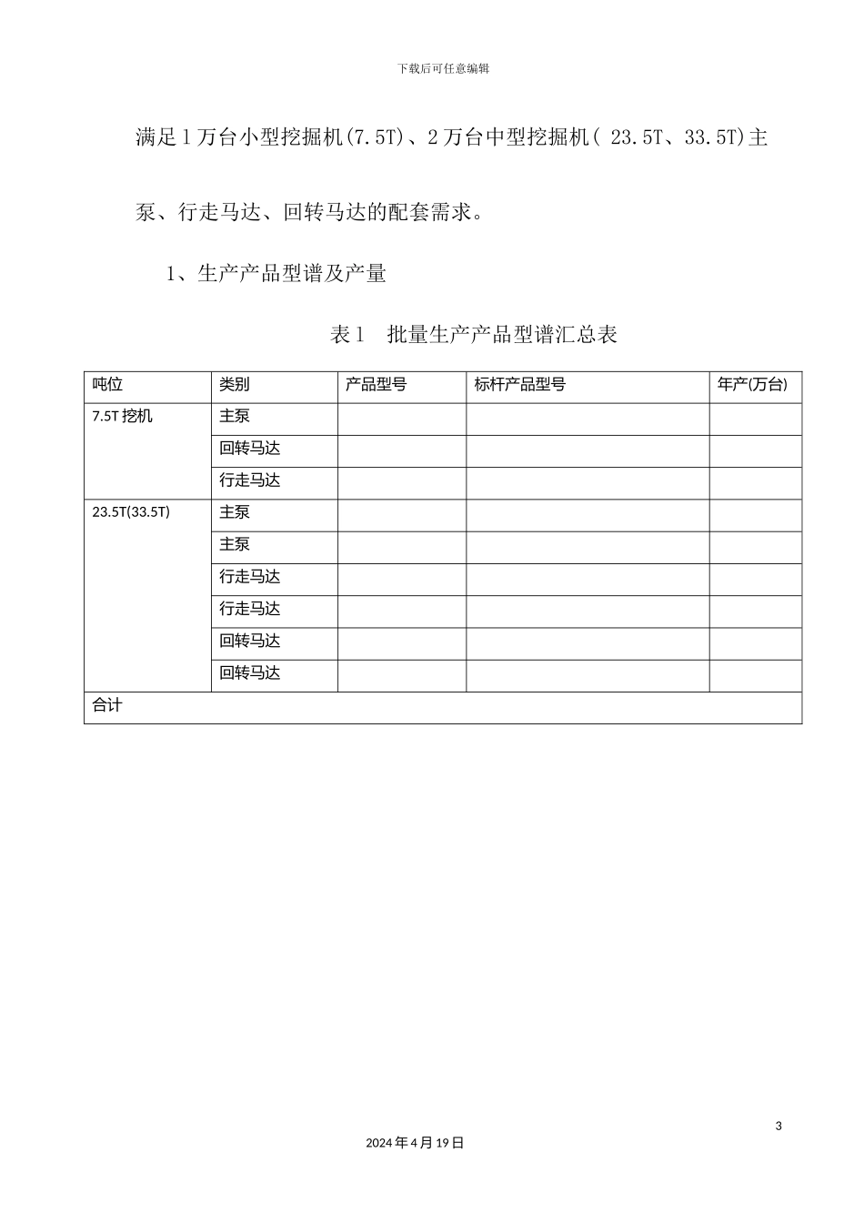
下载后可任意编辑液压轴向柱塞泵马达工艺设计及生产线规划概述12024 年 4 月 19 日下载后可任意编辑液压轴向柱塞泵马达工艺设计及生产线规划一、生产纲领 Xx 液压公司厂房的规划建设、设备选型工作根据公司高层指示,紧密围绕挖掘机配套液压元件批量生产来展开,满足年产 1 万台小型挖掘机、2 万台中型挖掘机配套泵、马达的需求,共计年产泵、马达 12 万台。 XX 液压公司对主泵、马达的各零部件根据工艺路线进行分类、汇总,根据各型产品关键零部件的技术和加工工艺特点,确定了批量生产车间各类型主要零件成组单元的生产工艺方案,达到 6 型马达、3 型泵年产 I2 万台的生产能力。在设备选型和工艺布置上参照了川崎、萨奥、纳博等标杆液压件生产厂家生产模式,借鉴了国内外一流标杆企业的冷、热加工和辅助设备。以精益生产为指导思想,根据典型零件成组分类、成组工艺、制定标准工艺流程,根据同类零件年产量确定了中小批量、大批量两种不同生产模式的设备选型和生产单元布置模式。投产后可22024 年 4 月 19 日下载后可任意编辑满足 l 万台小型挖掘机(7.5T)、2 万台中型挖掘机( 23.5T、33.5T)主泵、行走马达、回转马达的配套需求。1、生产产品型谱及产量表 l 批量生产产品型谱汇总表吨位类别产品型号标杆产品型号年产(万台)7.5T 挖机主泵回转马达行走马达23.5T(33.5T)主泵主泵行走马达行走马达回转马达回转马达合计32024 年 4 月 19 日下载后可任意编辑2、生产单元零件类型及产量序号生产单元名称成组零件种数单品种最大年产量生产规模共计年产量1端盖单元2壳体单元3斜盘单元4阀体单元5主轴单元6缸体球铰单元7柱塞滑靴单元8配流盘回程盘单元9阀芯阀套单元10精密磨削单元11热处理、下料单元12装配单元13试验单元14喷漆包装单元15原材料、外协外购件仓库16动力设备3、工作时间及设备利用率核算原则 按设备全年有效工作时间 300 天,每天 3 班制,有效工作时间 20 小时计算,全年有效工作时间 6000 小时。4、外协、外购零件类型 锻、铸件毛坯热处理、粗加工工序、弹簧、冲压件、简单零件外协;42024 年 4 月 19 日下载后可任意编辑标准件、轴承、密封件外购。52024 年 4 月 19 日下载后可任意编辑二、厂房工艺布置简述1、批量生产车间制造流程如图 l 厂房设计、施工时,结合液压件精密制造的工艺要求,各生产单元、辅助间、功能区域等均按其实际使用需求进行设计。设备基础、防振、恒温、恒湿、防爆、抽风...

1、当您付费下载文档后,您只拥有了使用权限,并不意味着购买了版权,文档只能用于自身使用,不得用于其他商业用途(如 [转卖]进行直接盈利或[编辑后售卖]进行间接盈利)。
2、本站所有内容均由合作方或网友上传,本站不对文档的完整性、权威性及其观点立场正确性做任何保证或承诺!文档内容仅供研究参考,付费前请自行鉴别。
3、如文档内容存在违规,或者侵犯商业秘密、侵犯著作权等,请点击“违规举报”。

碎片内容

液压轴向柱塞泵马达工艺设计及生产线规划概述

您可能关注的文档

确认删除?
VIP
微信客服
  • 扫码咨询
会员Q群
  • 会员专属群点击这里加入QQ群
客服邮箱
回到顶部