电脑桌面
添加小米粒文库到电脑桌面
安装后可以在桌面快捷访问

火电厂烟气排放连续监测技术规范样本

火电厂烟气排放连续监测技术规范样本_第1页
1/20
火电厂烟气排放连续监测技术规范样本_第2页
2/20
火电厂烟气排放连续监测技术规范样本_第3页
3/20
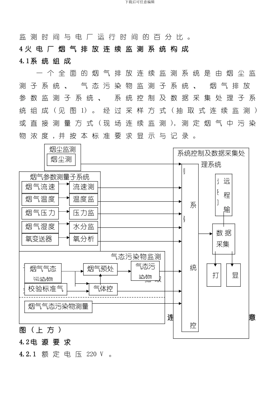
下载后可任意编辑火 电 厂 烟 气 排 放 连 续 监 测 技 术 法 律 规 范1 范 围本 标 准 适 用 于 以 固 体 、 液 体 、 气 体 化 石 为 燃料 的 火 电 厂 固 定 式 烟 气 排 放 连 续 监 测 系 统 。2 法 律 规 范 性 引 用 文 件下 列 文 件 中 的 条 款 经 过 HJ/T75 - 的 引 用 而 成 为本 标 准 的 条 款 。 凡 是 注 日 期 的 引 用 文 件 , 其 随 后所 有 的 修 改 ( 不 包 括 勘 误 的 内 容 ) 或 修 订 版 均 不 适用 于 本 标 准 , 然 而 , 鼓 舞 根 据 本 标 准 达 成 协 议 的各 方 讨 论 是 否 可 使 用 这 些 文 件 的 最 新 的 版 本 。 凡是 未 注 日 期 的 引 用 文 件 . 其 最 新 的 版 本 适 用 于 本 际准 。GB13223 火 电 厂 大 气 污 染 物 排 放 标 准GB/T16157 固 定 污 染 源 排 气 中 颗 粒 物 测 定 与 气 态污 染 物 采 样 方 法HJ/T47 - 1999 烟 气 采 样 器 技 术 条 件HJ/T48 - 1999 烟 尘 采 样 器 技 术 条 件HJ/T56 固定污染源排气中二氧化硫的测定 碘 量 法HJ/T57 固定污染源排气中二氧化硫的测定 定 电 位 电 解 法HJ/T42 固定污染源排气中氮氧化物的测定 紫 外 分 光 光 度 法HJ/T43 固定污染源排气中氮氧化物的测定 盐 酸 萘 乙 二 胺 分 光 光 度 法《 空 气 与 废 气 监 测 分 析 方 法 》 ( 国 家 环 保 局 编 写 ,下载后可任意编辑 中 国 环 境 科 学 出 版 社 , 1990 年 版 )3 术 语 和 定 义3.1 烟 气 排 放 连 续 监 测 continuous emissions monitoring烟 气 排 放 连 续 监 测 是 指 对 火 电 厂 排 放 烟 气 进 行连 续 地 、 实 时 地 跟 踪 测 定 : 当 火 电 厂 烟 气 排 放 连续 监 测 系 统 配 置 多 个 测 定 探 头 时 , 每 个 探 头 在 每小 时 的 测 定 时 间 不 得 低 于 15min, 其 测 定 结 果 即 为 该小 时 的 监 测 结 果 平 均 值 ; 烟 气 排 放 连 续 监 测 系 统的 监 测 时 间 不 得 小 于 火 电 厂 运 行 时 ...

1、当您付费下载文档后,您只拥有了使用权限,并不意味着购买了版权,文档只能用于自身使用,不得用于其他商业用途(如 [转卖]进行直接盈利或[编辑后售卖]进行间接盈利)。
2、本站所有内容均由合作方或网友上传,本站不对文档的完整性、权威性及其观点立场正确性做任何保证或承诺!文档内容仅供研究参考,付费前请自行鉴别。
3、如文档内容存在违规,或者侵犯商业秘密、侵犯著作权等,请点击“违规举报”。

碎片内容

火电厂烟气排放连续监测技术规范样本

确认删除?
VIP
微信客服
  • 扫码咨询
会员Q群
  • 会员专属群点击这里加入QQ群
客服邮箱
回到顶部