电脑桌面
添加小米粒文库到电脑桌面
安装后可以在桌面快捷访问

烟气脱硫装置防腐衬里施工组织设计概述

烟气脱硫装置防腐衬里施工组织设计概述_第1页
1/52
烟气脱硫装置防腐衬里施工组织设计概述_第2页
2/52
烟气脱硫装置防腐衬里施工组织设计概述_第3页
3/52
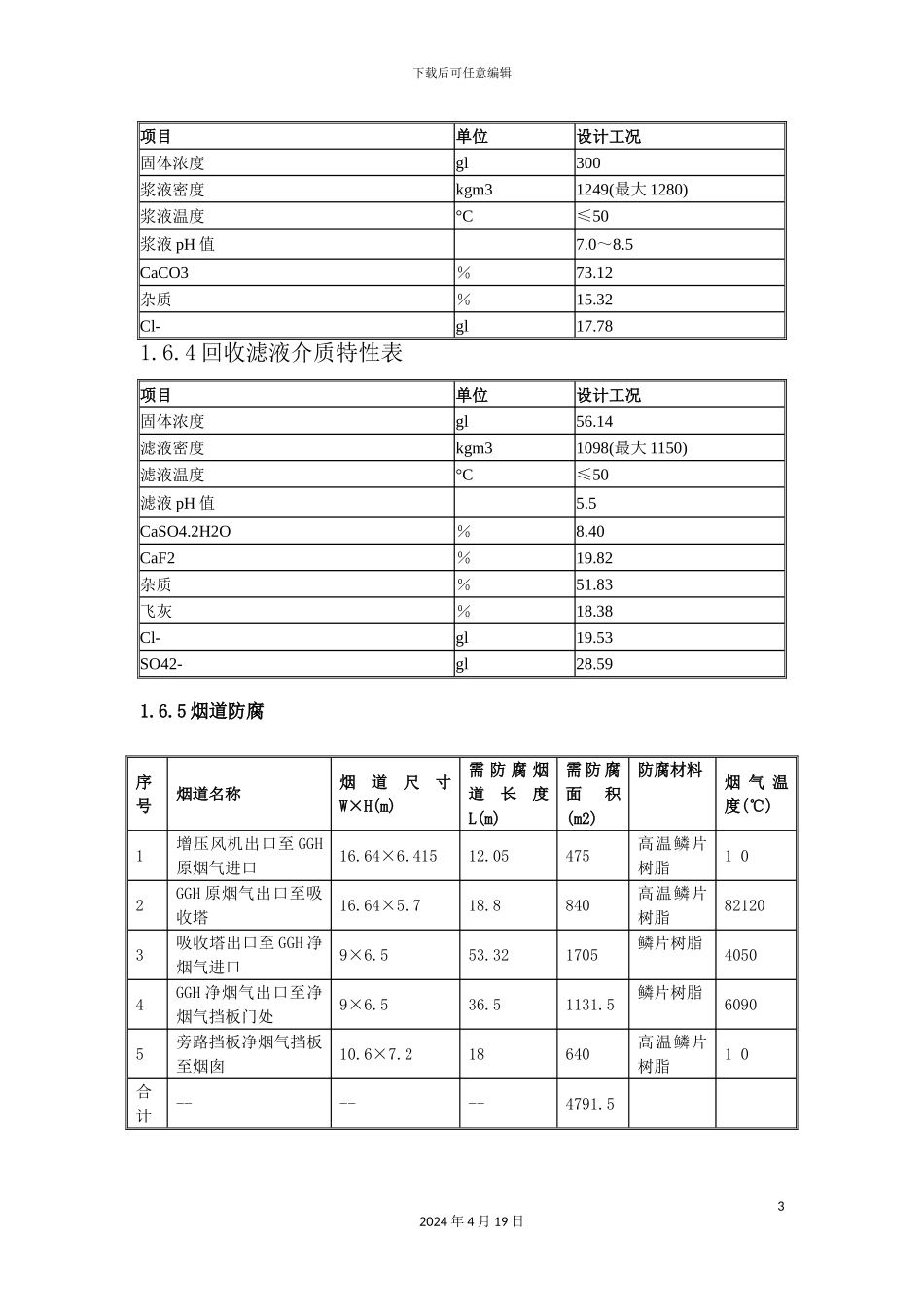
下载后可任意编辑烟气脱硫装置防腐衬里施工组织设计概述12024 年 4 月 19 日下载后可任意编辑(此文档为 word 格式,下载后您可任意编辑修改!)烟气脱硫装置防腐衬里施工组织设计一、 工程概况1.1 工程地址:泸州电厂 2×600MW 机组锅炉烟气脱硫工程施工场地。1.2 工程范围: 吸收塔、箱罐、烟道等防腐。1.3 进厂时间: 合同签订后 7 个工作日。1.4 交工时间:根据现场工作情况,在最短时间内根据项目部计划完成防腐工作。1.5 质量目标:本标工程质量应达到 GB<建筑防腐蚀工程施工及验收法律规范>及 HGT<玻璃鳞片衬里胶泥>优良标准。1.6、设计参数1.6.1 烟气参数表项 目单位参数备注FGD 入口处烟气温度℃ 160 设计温度℃170最高(旁路烟温)吸收塔出口净烟气温度℃ 50 设计温度(此时在酸露点以下)1.6.2 石膏浆液特性表项目单位设计工况固体浓度gl150.35浆液密度kgm31152(最大 1200)浆液温度°C≤50浆液 pH 值5.5CaSO4.2H2O%59.98杂质%21.65Cl-gl19.66SO42-gl28.701.6.3 石灰石浆液特性表22024 年 4 月 19 日下载后可任意编辑项目单位设计工况固体浓度gl300浆液密度kgm31249(最大 1280)浆液温度°C≤50浆液 pH 值7.0~8.5CaCO3%73.12杂质%15.32Cl-gl17.781.6.4 回收滤液介质特性表项目单位设计工况固体浓度gl56.14滤液密度kgm31098(最大 1150)滤液温度°C≤50滤液 pH 值5.5CaSO4.2H2O%8.40CaF2%19.82杂质%51.83飞灰%18.38Cl-gl19.53SO42-gl28.591.6.5 烟道防腐序号烟道名称烟道尺寸W×H(m)需 防 腐 烟道长度L(m)需 防 腐面积(m2)防腐材料烟 气 温度(℃)1增压风机出口至 GGH原烟气进口16.64×6.41512.05475高温鳞片树脂1 02GGH 原烟气出口至吸收塔16.64×5.718.8840高温鳞片树脂821203吸收塔出口至 GGH 净烟气进口9×6.553.321705鳞片树脂40504GGH 净烟气出口至净烟气挡板门处9×6.536.51131.5鳞片树脂60905旁路挡板净烟气挡板至烟囱10.6×7.218640高温鳞片树脂1 0合计------4791.532024 年 4 月 19 日下载后可任意编辑1.6.6 GGH 防腐序号设备名称需防腐面积(m2)防腐材料烟气温度(℃)1GGH1640高温鳞片树脂≤1701.6.7 箱罐、地坑及沟道防腐吸收塔序号设备名称防腐材料单位数量备注吸收塔1塔底板及 2 米以下壁板鳞片树脂m2100.5鳞片涂层为两层2原烟气入口鳞片树脂m24032 米以上壁板到喷淋层鳞片树脂m2771.14喷淋层壁板鳞片树脂m2271.3鳞片涂层为两层5喷淋层以上壁板到除雾器鳞片...

1、当您付费下载文档后,您只拥有了使用权限,并不意味着购买了版权,文档只能用于自身使用,不得用于其他商业用途(如 [转卖]进行直接盈利或[编辑后售卖]进行间接盈利)。
2、本站所有内容均由合作方或网友上传,本站不对文档的完整性、权威性及其观点立场正确性做任何保证或承诺!文档内容仅供研究参考,付费前请自行鉴别。
3、如文档内容存在违规,或者侵犯商业秘密、侵犯著作权等,请点击“违规举报”。

碎片内容

烟气脱硫装置防腐衬里施工组织设计概述

您可能关注的文档

确认删除?
VIP
微信客服
  • 扫码咨询
会员Q群
  • 会员专属群点击这里加入QQ群
客服邮箱
回到顶部