电脑桌面
添加小米粒文库到电脑桌面
安装后可以在桌面快捷访问

先张法空心板施工方案

先张法空心板施工方案_第1页
1/22
先张法空心板施工方案_第2页
2/22
先张法空心板施工方案_第3页
3/22
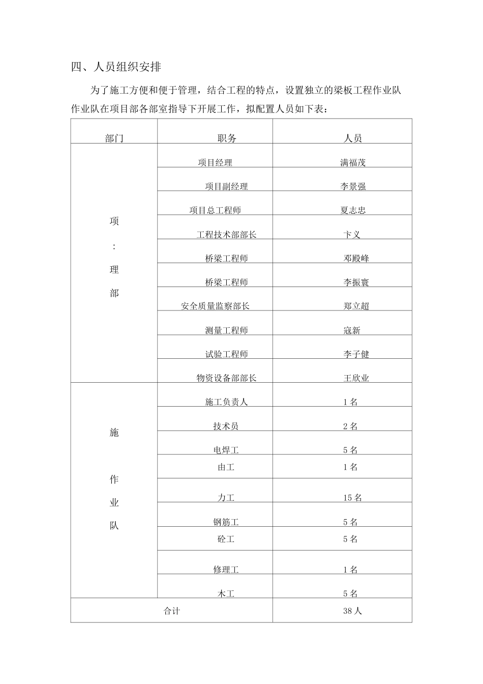
先张法空心板施工方案一、编制说明:(一)编制依据:(1)、招标文件和施工设计图纸。(2)、国家和交通部颁布的相关施工技术规范,质量验收、评定标准。(3)、国家和辽宁省相关建设管理部门颁布的有关施工技术、环保、安全、质量验收规范、评定标准及法规文件。(4)、《城市桥梁工程施工与质量验收规范》(CJJ2-2008)(二)编制原则:1、确保实现业主所要求的工期、质量、安全、环保目标。2、严格遵守施工验收规范、规程和制度。3、科学组织、精心施工,保证优良率 95 达%以上,争创鲁班奖。4、合理安排施工计划,统筹规划、保证施工有序性、连续性、均衡性5、考虑本标段工程特点、工期要求,精心施工。二、工程概况白沙河中桥中心桩号 K0+915.16,孔径 4-20 米,设计交角 45 度,桥梁全长 85.08 米,桥宽 22m。沈抚灌渠中桥中心桩号 K1+669,孑 L 径2-20 米,设计交角 90 度,桥梁全长 45.02 米,桥宽 22m。桥梁纵向按 20m 布跨,每跨布置 15 块中板、块边板每块预制板高5cm 宽 124cm 顶、底板厚 2cm 边板悬臂长 38cm空心板主要工程量为:C50 现浇砼 1103.1m3415.24 钢绞线 43947KgR235 钢筋 21385.2KgHRB335 带肋钢筋 149701.2kg本工程计划于 2013 年 5 月 25 日进行施工,2013 年 7 月 31 日完成。共36 个日历天,平均每天完成 3 片。三、机械设备安排:序号机械设备名称型号数量单位1钢筋切断机GO50B2台2钢筋弯曲机GW403台3钢筋调直机GT4-143台4交直流电焊机ZXE1-4002台5电焊机BX1-300J6台6千斤顶ZB4-5002台7装载机ZL50F2辆8砼运输车斯太尔2辆9龙门吊50T2台10龙门吊20T1台四、人员组织安排为了施工方便和便于管理,结合工程的特点,设置独立的梁板工程作业队作业队在项目部各部室指导下开展工作,拟配置人员如下表:部门职务人员项:理部项目经理满福茂项目副经理李景强项目总工程师夏志忠工程技术部部长卞义桥梁工程师邓殿峰桥梁工程师李振寰安全质量监察部长郑立超测量工程师寇新试验工程师李子健物资设备部部长王欣业施作业队施工负责人1 名技术员2 名电焊工5 名由工1 名力工15 名钢筋工5 名砼工5 名修理工1 名木工5 名合计38 人五、施工工艺流程图先张法预应力梁施工工艺吊车架梁施工工艺框图(空心板梁)六、施工方法为保证本工程预制板梁预制施工质量,在沈抚大道南一路右侧设预制场及存梁场,所有预应力梁采用集中预制。先张空心板梁在混凝土达到设计要求时,再切割钢...

1、当您付费下载文档后,您只拥有了使用权限,并不意味着购买了版权,文档只能用于自身使用,不得用于其他商业用途(如 [转卖]进行直接盈利或[编辑后售卖]进行间接盈利)。
2、本站所有内容均由合作方或网友上传,本站不对文档的完整性、权威性及其观点立场正确性做任何保证或承诺!文档内容仅供研究参考,付费前请自行鉴别。
3、如文档内容存在违规,或者侵犯商业秘密、侵犯著作权等,请点击“违规举报”。

碎片内容

先张法空心板施工方案

您可能关注的文档

确认删除?
VIP
微信客服
  • 扫码咨询
会员Q群
  • 会员专属群点击这里加入QQ群
客服邮箱
回到顶部