电脑桌面
添加小米粒文库到电脑桌面
安装后可以在桌面快捷访问

盘扣式脚手架计算书

盘扣式脚手架计算书_第1页
1/13
盘扣式脚手架计算书_第2页
2/13
盘扣式脚手架计算书_第3页
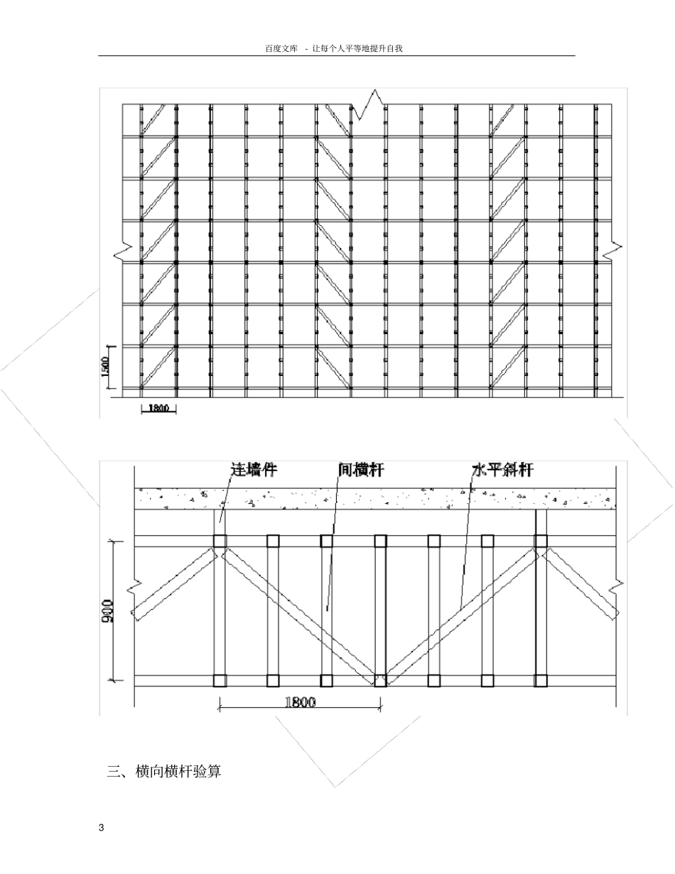
3/13
百度文库- 让每个人平等地提升自我1 盘扣式脚手架计算书计算依据:1、《建筑施工承插型盘扣式钢管支架安全技术规程》JGJ231-2010 2、《建筑地基基础设计规范》GB50007-2011 3、《建筑结构荷载规范》 GB50009-2012 4、《钢结构设计规范》 GB50017-2003 一、脚手架参数脚手架架体高度 H(m) 脚手架沿纵向搭设长度L(m) 25 立杆纵向间距 la(m) 立杆横向间距 lb(m) 立杆步距 h(m) 脚手架总步数 n 8 顶部防护栏杆高 h1(m) 纵横向扫地杆距立杆底距离h2(mm) 200 内立杆离建筑物距离a(mm) 150 脚手架立杆安放位置混凝土板二、荷载设计脚手板类型冲压钢脚手板脚手板自重标准值Gkjb (kN/m 2) 脚手板铺设方式6步 1设密目式安全立网自重标准值Gkmw (kN/m2) 挡脚板类型冲压钢脚手板挡板栏杆与挡脚板自重标准值Gkdb (kN/m) 挡脚板铺设方式6步 1设装修脚手架作业层数nzj1 装修脚手架荷载标准值Q kzj (kN/m 2) 2 百度文库- 让每个人平等地提升自我2 风荷载标准值ωk (kN/m 2)(连墙件、立杆稳定性 ) 基本风压ω0 (kN/m 2) ,风荷载高度变化系数μ z(连墙件、立杆稳定性 ) ,风荷载体型系数μs搭设示意图百度文库- 让每个人平等地提升自我3 三、横向横杆验算百度文库- 让每个人平等地提升自我4 横向横杆钢管类型A-SG-1500 横向横杆自重 Gkhg (kN) 单跨间横杆根数 njg2 间横杆钢管类型B-SG-1500 间横杆自重 Gkjg (kN) 纵向横杆钢管类型B-SG-1500 纵向横杆自重 Gkzg (kN) 横向横杆抗弯强度设计值(f)(N/mm2) 205 横向横杆截面惯性矩I(mm 4) 92800 横向横杆弹性模量E(N/mm2) 206000 横向横杆截面抵抗矩W(mm 3 ) 3860 承载力使用极限状态q= ×(Gkhg /l b+G kjb×l a/(n jg+1) )+ ×Qkzj × l a /( n jg +1) = ×+ ×(2+1))+ ××(2+1)=m 正常使用极限状态q'=(G khg /l b+G kjb ×l a/(n jg+1) )+Qkzj × la /( n jg +1) =+ ×(2+1))+ ×(2+1)=m 计算简图如下1、抗弯验算M max =ql b 2/8= ×8= ·m 百度文库- 让每个人平等地提升自我5 σ=M max /W= ×10 6/3860=mm2≤[f]=205N/mm2 满足要求。2、挠度验算Vmax =5q 'l b4/(384EI)=5 ××900 4/(384 ×206000 ×92800) = ≤[ν]=min[l b/150 ,10] = min[900/150,10] =6mm 满足要求。3、支座反力计算承载力使用极限状态R1=R 2= ql b/2= ×2= 正常使用极限状...

1、当您付费下载文档后,您只拥有了使用权限,并不意味着购买了版权,文档只能用于自身使用,不得用于其他商业用途(如 [转卖]进行直接盈利或[编辑后售卖]进行间接盈利)。
2、本站所有内容均由合作方或网友上传,本站不对文档的完整性、权威性及其观点立场正确性做任何保证或承诺!文档内容仅供研究参考,付费前请自行鉴别。
3、如文档内容存在违规,或者侵犯商业秘密、侵犯著作权等,请点击“违规举报”。

碎片内容

盘扣式脚手架计算书

爱的疯狂+ 关注
实名认证
内容提供者

该用户很懒,什么也没介绍

相关文档

确认删除?
VIP
微信客服
  • 扫码咨询
会员Q群
  • 会员专属群点击这里加入QQ群
客服邮箱
回到顶部