电脑桌面
添加小米粒文库到电脑桌面
安装后可以在桌面快捷访问

直流自动控制系统试卷5及答案第一题8分

直流自动控制系统试卷5及答案第一题8分_第1页
1/13
直流自动控制系统试卷5及答案第一题8分_第2页
2/13
直流自动控制系统试卷5及答案第一题8分_第3页
3/13
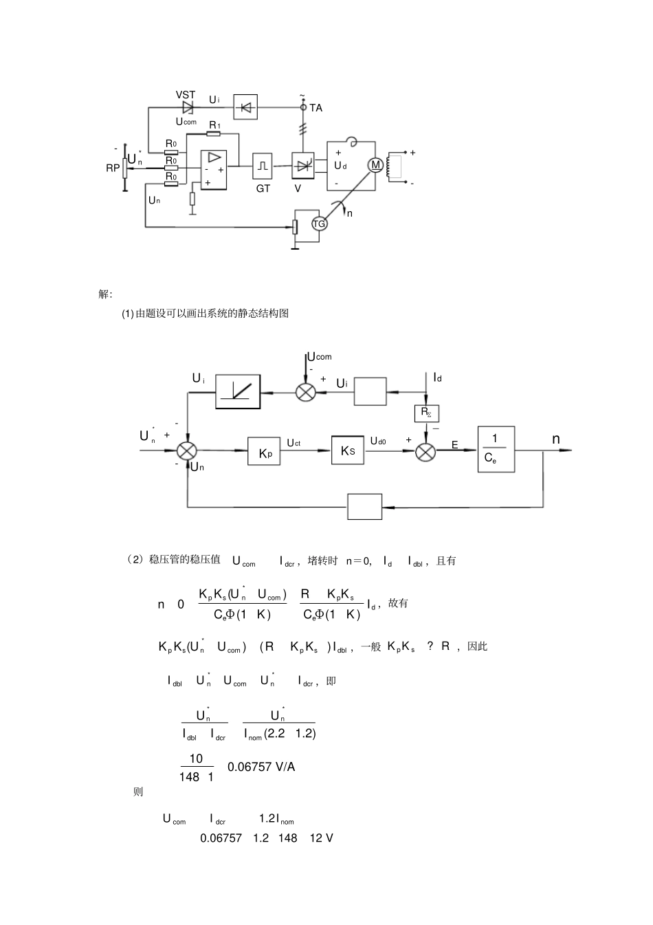
直流自动控制系统试卷 5 及答案第一题( 8 分)某 V -M 调速系统如下图所示,已知数据如下:直流电动机: Pnom=10kW ,Unom= 220V,I nom=55A ,nnom=1000 r/min , Ra=0.5Ω;整流装置:触发整流环节的放大系数Ks=44,整流装置内阻Rrec=0.5Ω;生产机械希望调速系统满足的稳态指标为:调速范围D=10,静差率 S=5%。要求:(1) 计算开环系统的稳态速降Δnop 和调速指标所允许的稳态速降Δnc1;(2 分)(2) 画出该系统的静态结构图;(2 分)(3) 若当电动机运行于额定转速时的给定电压*nU =20V ,计算此时的转速反馈系数α;(2 分)(4) 计算满足稳态要求所需放大器的放大系数Kp。(2 分)解:(1)首先计算出电动机的电动势系数所以,nomnomaenom220550.50.1925 V min/1000UIRCrng开环系统的稳态速降为nomope55 1.00.1925IRnCr/min = 285.7 r/min 调速要求所允许的稳态速降nomclnom10000.05(1)10(10.05)nSnnDSr / min- U n- + + Uct+ - M + - U dL TG n RbaR0R0R2R3U n* ~ R1=5.26 r / min(2)该系统的静态结构图如下图所示(3)当*nU = 20V 时, nnom=1000r/min,则转速反馈系数为*200.02 V min/1000nnnomnomUUrnng(4)闭环系统的放大倍数为spopecl285.71153.35.26K KnKCn则所需的放大器放大系数为53.3 0.192511.7440.02epsKCKK第二题( 6 分)某一带电流截止环节的转速负反馈单闭环直流调速系统如下图所示。其中,已知电动机额定参数 Pnom=40 kW , Unom=300 V ,Inom=148 A ,nnom=910 r/min , Ra=0.06 Ω;整流装置放大系数K s= 30,内阻 Rrec=0.07 Ω;设计指标: D=14,S=10%,额定转速时的给定电压为*nU =10 V,堵转电流2.2dblnomII,临界截止电流1.2dcrnomII。(1) 画出该系统的静态结构图;(2) 计算稳压管的稳压值Ucom 和电流反馈系数;(3) 计算出满足稳态要求的放大器的放大倍数Kp。*nUKpKs + - U ct+ - U d0U nn nURI d1eCE解:(1)由题设可以画出系统的静态结构图(2)稳压管的稳压值comdcrUI,堵转时 n=0,ddblII,且有*psncompsdee()0(1)(1)K K UURK KnIC ΦKC ΦK,故有*psncomps()()dblK K UURK KI,一般psK KR?,因此**ncomndbldcrIUUUI,即**nn(2.21.2)dbldcrnomUUIII100.06757 V/A148 1则com1.20.067571.2 14812 VdcrnomUIIR1 R0R0 R0 VST M + - U d + - GT RP- - + + V...

1、当您付费下载文档后,您只拥有了使用权限,并不意味着购买了版权,文档只能用于自身使用,不得用于其他商业用途(如 [转卖]进行直接盈利或[编辑后售卖]进行间接盈利)。
2、本站所有内容均由合作方或网友上传,本站不对文档的完整性、权威性及其观点立场正确性做任何保证或承诺!文档内容仅供研究参考,付费前请自行鉴别。
3、如文档内容存在违规,或者侵犯商业秘密、侵犯著作权等,请点击“违规举报”。

碎片内容

直流自动控制系统试卷5及答案第一题8分

您可能关注的文档

确认删除?
VIP
微信客服
  • 扫码咨询
会员Q群
  • 会员专属群点击这里加入QQ群
客服邮箱
回到顶部