电脑桌面
添加小米粒文库到电脑桌面
安装后可以在桌面快捷访问

石膏板A级燃烧性能报告

石膏板A级燃烧性能报告_第1页
1/3
石膏板A级燃烧性能报告_第2页
2/3
石膏板A级燃烧性能报告_第3页
3/3
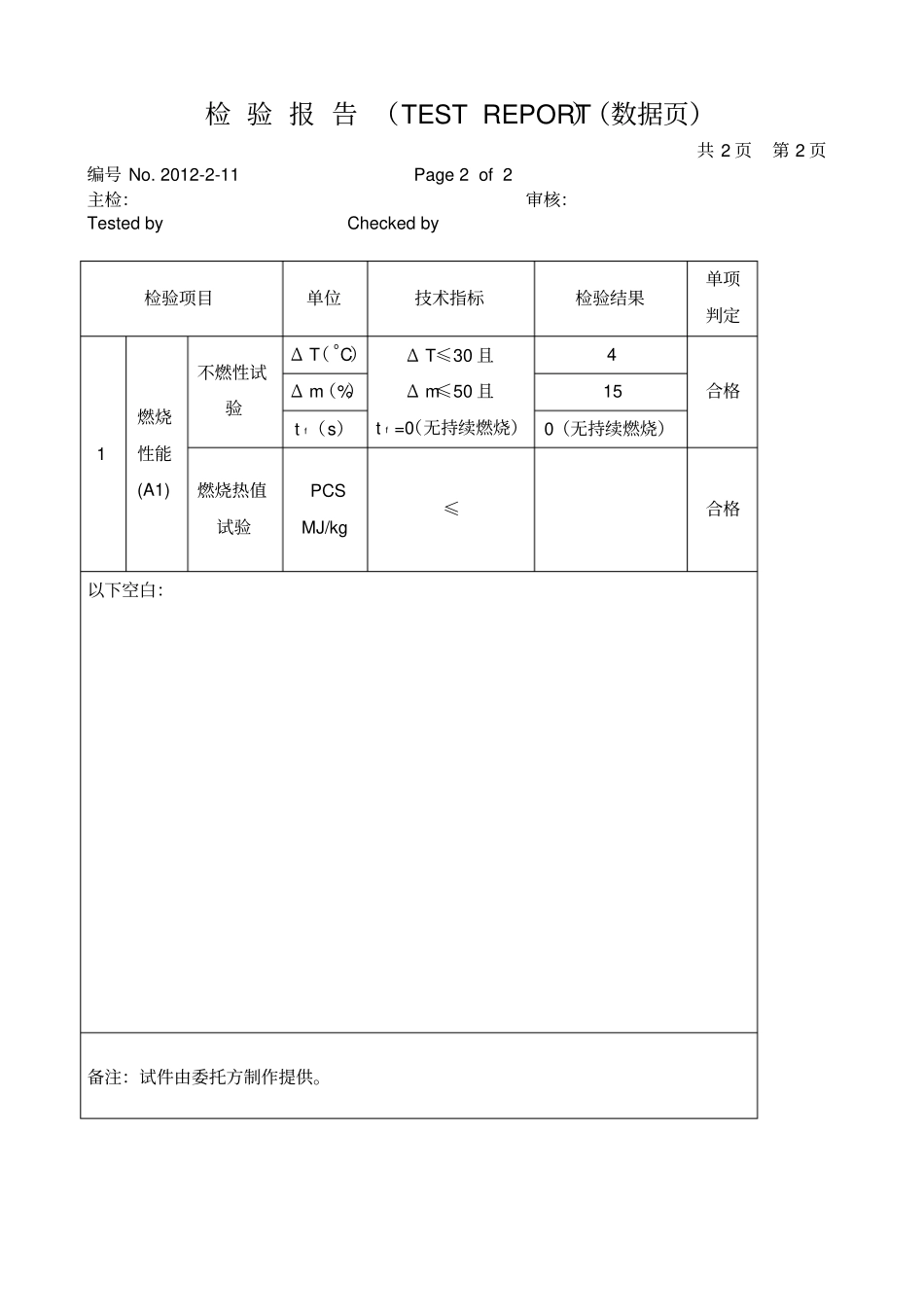
检 验 报 告TEST REPORT No. 2013-0006工程 / 产品名称Name of Engineering/Product普通纸面石膏板受检单位Inspected Body北京工程有限公司检验类别Test Category委托工程质量检测中心Engineering Quality Testing Center工程质量检测中心(LEQTC)检 验 报 告 (TEST REPORT)共 2 页第 1 页编号 No. 2012-0006 Page 1 of 2样品名称( Name of Sample)普通纸面石膏板采(送)检编号[Sampling(delivery)No.]11委托单位( Client )北京工程有限公司来样方式( Sampling Method )送样建设单位( Investor Unit)广场有限公司送样人( Sampler)曹工程名称( Name of Engineering )广场样板间精装修工程取样见证人 (Sampling eyewitness)刘规格 / 型号( Specifications / Model)2440mm×1220mm×9.5mm 样品数量( Sample Quantity )2440mm×1220mm×9.5mm 2 块产地( Place of origin)北京使用部位 (Use the site)室内墙面材质(牌号)(Material(grades)北京龙牌见证单位( Witness body )建设监理有限责任公司收样日期( Reception Date )检测日期( Test Date )检测依据( Test Method )GB 8624-2012检测项目( Test Range )燃烧性能( A1)1 项检验结论( Test Conclusion)该样品燃烧性能检验结果符合GB8624-2012标准 A1 级要求。检验专用章Issued by(Stamp)2013 年 08 月 21 日复印报告未重盖红色“检验专用章”无效No copy of this report is valid without orignal special red stamp of testing body附注( Remarks):1.检测环境条件( Enviornmental condition during testing): - ℃ - %RH2.检测结果的不确定度 (必要时填写)[uncertatnity of the test result(where applicable)]3.偏离标准方法的例外情况(必要时填写)[Deviations from statndard test method(where applicable)]主检:审核:批准:Tested by Checked by Approved by工程质量检测中心(LEQTC)检 验 报 告 (TEST REPORT)(数据页)共 2 页第 2 页编号 No. 2012-2-11 Page 2 of 2主检:审核:Tested by Checked by 检验项目单位技术指标检验结果单项判定1燃烧性能(A1)不燃性试验Δ T( oC)Δ T≤30 且Δ m≤50 且t f =0(无持续燃烧)4合格Δ m(%)15t f(s)0(无持续燃烧)燃烧热值试验PCS MJ/kg≤合格以下空白:备注:试件由委托方制作提供。

1、当您付费下载文档后,您只拥有了使用权限,并不意味着购买了版权,文档只能用于自身使用,不得用于其他商业用途(如 [转卖]进行直接盈利或[编辑后售卖]进行间接盈利)。
2、本站所有内容均由合作方或网友上传,本站不对文档的完整性、权威性及其观点立场正确性做任何保证或承诺!文档内容仅供研究参考,付费前请自行鉴别。
3、如文档内容存在违规,或者侵犯商业秘密、侵犯著作权等,请点击“违规举报”。

碎片内容

石膏板A级燃烧性能报告

文库当当响+ 关注
实名认证
内容提供者

该用户很懒,什么也没介绍

确认删除?
VIP
微信客服
  • 扫码咨询
会员Q群
  • 会员专属群点击这里加入QQ群
客服邮箱
回到顶部