电脑桌面
添加小米粒文库到电脑桌面
安装后可以在桌面快捷访问

硬度单位换算表,布氏洛氏维氏硬度换算公式

硬度单位换算表,布氏洛氏维氏硬度换算公式_第1页
1/5
硬度单位换算表,布氏洛氏维氏硬度换算公式_第2页
2/5
硬度单位换算表,布氏洛氏维氏硬度换算公式_第3页
3/5
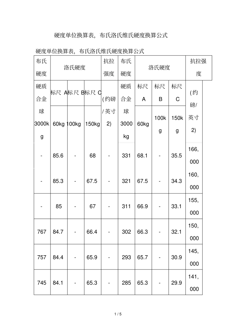
1 / 5 硬度单位换算表,布氏洛氏维氏硬度换算公式硬度单位换算表,布氏洛氏维氏硬度换算公式布氏硬度洛氏硬度抗拉强度布氏硬度洛氏硬度抗拉强度硬质合金球3000kg 标尺 A 标尺 B 标尺 C ( 约磅/ 英寸2) 硬质合金球3000kg 标尺A 标尺B 标尺C ( 约磅/英寸2) 60kg 100kg 150kg 60kg 100kg 150kg - 85.6 - 68 - 331 68.1 - 35.5 166,000 - 85.3 - 67.5 - 321 67.5 - 34.3 160,000 - 85 - 67 - 311 66.9 - 33.1 155,000 767 84.7 - 66.4 - 302 66.3 - 32.1 150,000 757 84.4 - 65.9 - 293 65.7 - 30.9 145,000 745 84.1 - 65.3 - 285 65.3 - 29.9 141,000 2 / 5 733 83.8 - 64.7 - 277 64.6 - 28.8 137,000 722 83.4 - 64 - 269 64.1 - 27.6 133,000 712 - - - - 262 63.6 - 26.6 129,000 710 83 - 63.3 - 255 63 - 25.4 126,000 698 82.6 - 62.5 - 248 62.5 - 24.2 122,000 684 82.2 - 61.8 - 241 61.8 100 22.8 118,000 682 82.2 - 61.7 - 235 61.4 99 21.7 115,000 670 81.8 - 61 - 229 60.8 98.2 20.5 111,000 使用 硬度计 , 根据德国标准DIN50150, 以下是常用范围的钢材抗拉强度与维氏硬度、布氏硬度、洛氏硬度的对照表。如果您要查的抗拉强度>1000N/mm2,或者维氏硬度 >310HV,或者布氏硬度 >300HB,或者洛氏硬度 >32HRC,请查本表3 / 5 抗拉强度RmN/mm2 维氏硬度HV 布氏硬度HB 洛氏硬度HRC 抗拉强度RmN/mm2 维氏硬度HV 布氏硬度HB 洛氏硬度HRC 250 80 76 - 1030 320 304 32.2 270 85 80.7 - 1060 330 314 33.3 285 90 85.2 - 1095 340 323 34.4 305 95 90.2 - 1125 350 333 35.5 320 100 95 - 1115 360 342 36.6 335 105 99.8 - 1190 370 352 37.7 350 110 105 - 1220 380 361 38.8 370 115 109 - 1255 390 371 39.8 380 120 114 - 1290 400 380 40.8 400 125 119 - 1320 410 390 41.8 415 130 124 - 1350 420 399 42.7 430 135 128 - 1385 430 409 43.6 450 140 133 - 1420 440 418 44.5 465 145 138 - 1455 450 428 45.3 480 150 143 - 1485 460 437 46.1 490 155 147 - 1520 470 447 46.9 510 160 152 - 1555 480 -456 47.7 530 165 156 - 1595 490 -466 48.4 4 / 5 545 170 162 - 1630 500 -475 49.1 560 175 166 - 1665 510 -485 49.8 575 180 171 - 1700 520 -494 50.5 595 185 176 - 1740 530 -504 51.1 610 190 181 - 1775 540 -513 51.7 625 195 185 - 1810 550 -523 52.3 640 200 190 - 1845 560 -532 53 660 205 195 - 1880 570 -542 53.6 675 210 199 - 1920 580 -551 54.1 690 215 204 - 1955 590 -561 54.7 705 220 209 - 1995 600 -570 55.2 720 225 214 - 2030 610 -580 55.7 740 230 219 - 2070 620 -589 56.3 755 235 223 - 2105 630 -599 56.8 770 240 228 20.3 2145 640 -608 57.3 785 245 233 21.3 2180 650 -618 57.8 800 250 238 22.2 660 58.3 820 255 242 23.1 670 58.8 835 260 247 24 680 59.2 850 265 252 24.8 690 59.7 865 270 257 25.6 700 60.1 880 275 261 26.4 720 61 5 / 5 900 280 266 27.1 740 61.8 915 285 271 27.8 760 62.5 930 290 276 28.5 780 63.3 950 295 280 29.2 800 64 965 300 285 29.8 820 64.7 995 310 295 31 840 65.3 860 65.9 880 66.4 900 67 920 67.5 940 68

1、当您付费下载文档后,您只拥有了使用权限,并不意味着购买了版权,文档只能用于自身使用,不得用于其他商业用途(如 [转卖]进行直接盈利或[编辑后售卖]进行间接盈利)。
2、本站所有内容均由合作方或网友上传,本站不对文档的完整性、权威性及其观点立场正确性做任何保证或承诺!文档内容仅供研究参考,付费前请自行鉴别。
3、如文档内容存在违规,或者侵犯商业秘密、侵犯著作权等,请点击“违规举报”。

碎片内容

硬度单位换算表,布氏洛氏维氏硬度换算公式

文库当当响+ 关注
实名认证
内容提供者

该用户很懒,什么也没介绍

确认删除?
VIP
微信客服
  • 扫码咨询
会员Q群
  • 会员专属群点击这里加入QQ群
客服邮箱
回到顶部