电脑桌面
添加小米粒文库到电脑桌面
安装后可以在桌面快捷访问

焊接工艺作业指导书样本

焊接工艺作业指导书样本_第1页
1/12
焊接工艺作业指导书样本_第2页
2/12
焊接工艺作业指导书样本_第3页
3/12
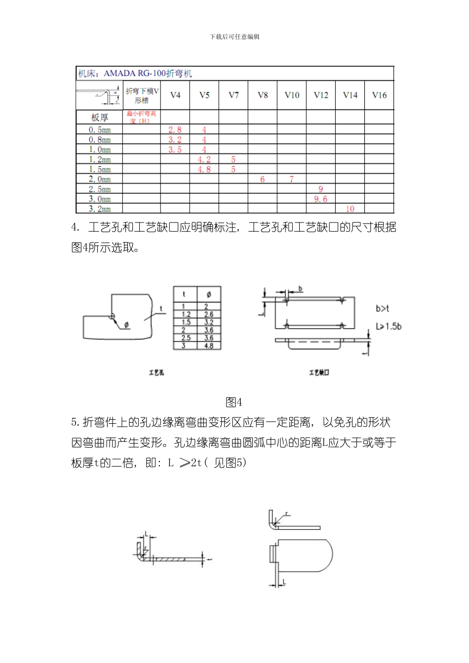
下载后可任意编辑一、 钣金加工工序1、 冲裁与下料1、 冲裁件的形状尽可能成对称、 简单和减少废料; 2、 冲裁件的外形和内孔应避开尖角, 在各直线或曲线的连接处应有诗意的圆角相连。一般情况下圆角半径大于或等于板厚 t, 即 R≥t; 3、 冲孔有限选用圆形孔, 冲孔的最小尺寸与孔的形状、 材料机械性能和材料厚度有关。自有凸模冲孔的直径 d 或边宽 a 按下表确定: 4、 冲才见上应避开窄长的悬臂和凹槽( 见图 1) 。一般一般凸出 或 凹 入 部 分 的 宽 度 B 应 大 于 或 等 于 板 厚 t 的 一 倍 半 , 即B≥1.5t 。 对 高 碳 钢 、 合 金 钢 等 较 硬 材 料 B 值 应 乘 以 系 数K=1.3~1.5; 对黄铜、 铝等材料 B 值应再乘以系数 K=0.75~0.8。 图 1 图 25、 孔边距和孔间距均应大于或等于板厚 t 的两倍, 即 A≥2t; B≥1.5t( 见图 2) 。2、 折弯下载后可任意编辑1. 一般原则: ( 1) 折弯件在弯曲变形区截面会产生变化, 折弯半径与板厚之比越小, 截面形状变化越大; ( 2) 折弯件的弯曲线最好垂直于轧纹方向, 最好将毛坯的光亮面作为弯曲件的外表面, 以减少外层拉裂; ( 3) 折弯成形时会产生回弹现象, 折弯半径与板厚之比越大, 回弹就越大。2. 折弯件的折弯半径应选择适当, 不宜过大或过小, 最小折弯半径只有在结构上必要时才选用。其数值见下表: 另外, 特别情况下必须选用0.5以下的折弯半径时, 可采纳折弯前压线的工艺方法。3. 折弯件的直边高度应选择适当, 折弯件的最小直边高度按下表确定。下载后可任意编辑4. 工艺孔和工艺缺口应明确标注, 工艺孔和工艺缺口的尺寸根据图4所示选取。 图45.折弯件上的孔边缘离弯曲变形区应有一定距离, 以免孔的形状因弯曲而产生变形。孔边缘离弯曲圆弧中心的距离L应大于或等于板厚t的二倍, 即: L ≥2t( 见图5) 下载后可任意编辑 图5 图66. 折弯件的弯曲线应避开尺寸突变的位置, 离变形区的距离L应大于弯曲半径r, 即: L≥r( 见图6) 。7. 带斜边的折弯边应避开变形区( 见图7) 。 图73、 拉伸与成型<1>拉伸变形1. 拉伸件的底与壁之间最小圆角半径应大于板厚, 即r1 >t, 为了使拉伸进行得更顺利, 一般取r1=(3~5)t, 最大圆角半径应小于或等于板厚的8倍, 即r1≤8t。( 参见图8) 2. 拉伸件凸缘与壁之间的圆角半径应大于板厚的二倍, 即r2 >2t, 为了使拉伸进行得更顺利, 一般取r2=...

1、当您付费下载文档后,您只拥有了使用权限,并不意味着购买了版权,文档只能用于自身使用,不得用于其他商业用途(如 [转卖]进行直接盈利或[编辑后售卖]进行间接盈利)。
2、本站所有内容均由合作方或网友上传,本站不对文档的完整性、权威性及其观点立场正确性做任何保证或承诺!文档内容仅供研究参考,付费前请自行鉴别。
3、如文档内容存在违规,或者侵犯商业秘密、侵犯著作权等,请点击“违规举报”。

碎片内容

焊接工艺作业指导书样本

文旅传媒+ 关注
实名认证
内容提供者

传播文化,成就未来

确认删除?
VIP
微信客服
  • 扫码咨询
会员Q群
  • 会员专属群点击这里加入QQ群
客服邮箱
回到顶部