电脑桌面
添加小米粒文库到电脑桌面
安装后可以在桌面快捷访问

玻璃隔断墙施工工艺标准

玻璃隔断墙施工工艺标准_第1页
1/15
玻璃隔断墙施工工艺标准_第2页
2/15
玻璃隔断墙施工工艺标准_第3页
3/15
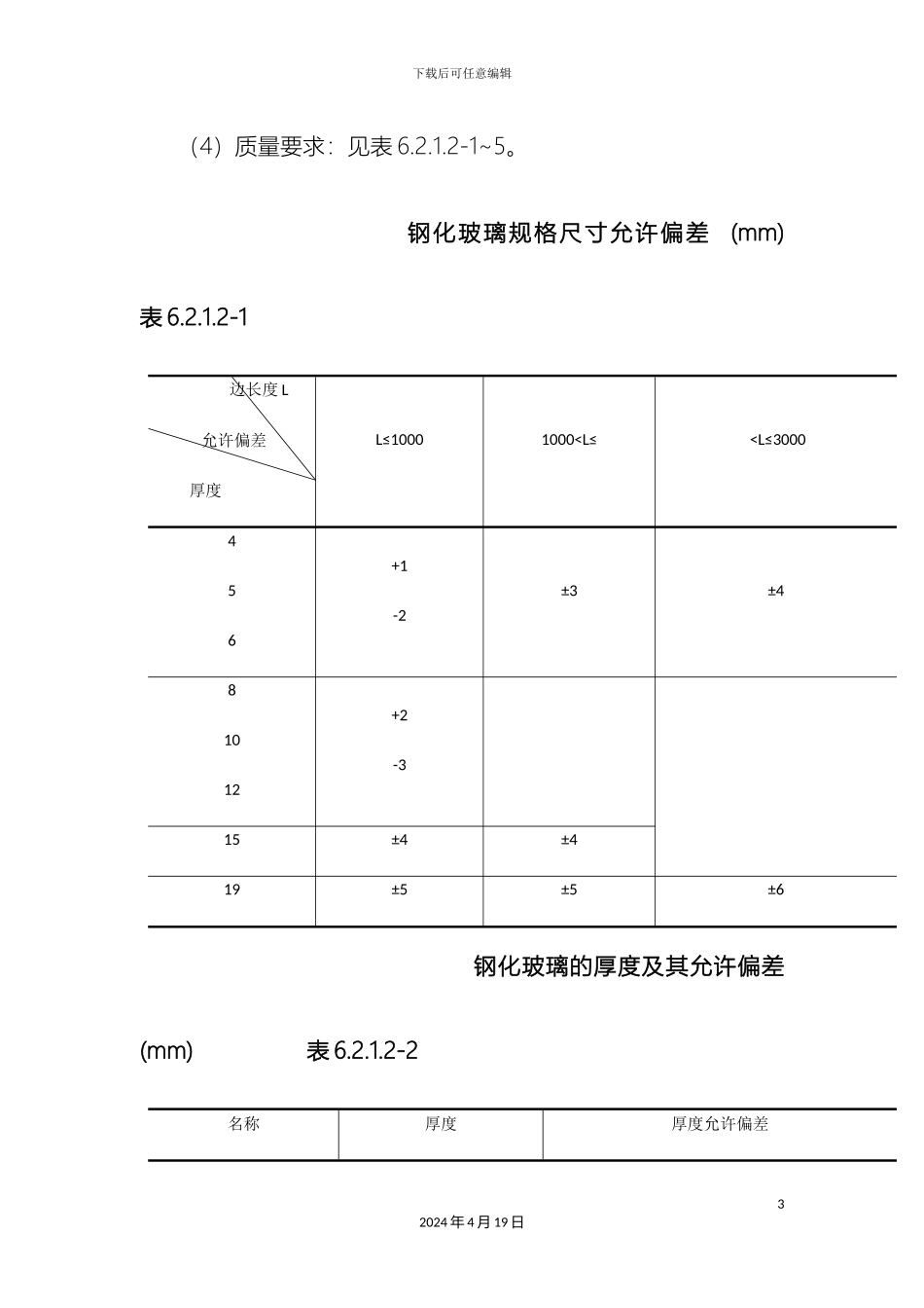
下载后可任意编辑玻璃隔断墙施工工艺标准12024 年 4 月 19 日下载后可任意编辑玻璃隔断墙施工工艺标准1 施工准备1.1 技术准备 编制玻璃隔断墙工程施工方案,并对工人进行书面技术及安全交底。1.2 材料要求 (1)根据设计要求的各种玻璃、木龙骨(60mm×120mm)、玻璃胶、橡胶垫和各种压条。 (2)紧固材料:膨胀螺栓、射钉、自攻螺丝、木螺丝和粘贴嵌缝料,应符合设计要求。 (3)玻璃规格:厚度有 8、10、12、15、18、22mm 等,长宽根据工程设计要求确定。22024 年 4 月 19 日下载后可任意编辑(4)质量要求:见表 6.2.1.2-1~5。钢化玻璃规格尺寸允许偏差 (mm) 表 6.2.1.2-1 边长度 L 允许偏差厚度L≤10001000100供需双方商定普 通 平 板 玻 璃 厚 度 偏 差 (mm) 表 6.2.1.2-4厚度允许偏差厚度允许偏差42024 年 4 月 19 日下载后可任意编辑2±0.204±0.203±0.205±0.25普 通 平 板 玻 璃 外 观 质 量 的 要 求 表 6.2.1.2-5缺陷种类说 明优等品一等品合格品波 筋(括纹辊子花)不产生变形的最大入射角60°45° 50mm 边部, 30°30° 100mm 边部, 0°气泡长度 1mm 以下的集中的不允许集中的不允许不限长度大于 1mm 的每平方米允许个数≤6mm, 6≤8mm, 8>8~10mm, 2≤10mm, 12>10~20mm, 2>20~25mm, 1划伤宽≤0.1mm 每平方米允许条数长≤50mm3长≤100mm5不限宽>0.1 每平方米允许条数不许有宽≤0.4m长<100mm宽≤0.8m长<100mm砂粒非 破 坏 性 的 , 直 径0.5~2mm 每平方米允许个数不许有38疙瘩非破坏性的疙瘩波及范 围 直 径 不 大 于不许有1352024 年 4 月 19 日下载后可任意编辑3mm, 每 平 方 米 允 许个数线道正面能够看到的每片玻璃允许条数不许有30mm 边部宽≤0.5mm宽≤0.5mm2麻点表面呈现的集中麻点不许有不许有每平米不超过 3 处稀疏的麻点,每平方米允许个数1015306.2.1.3 主要机具(表 6.2.1.3)主 要 机 具 一 览 表 表 6.2.1.3序号机械、设备名称规格型号定额功率或容量数量性能工种备注1...

1、当您付费下载文档后,您只拥有了使用权限,并不意味着购买了版权,文档只能用于自身使用,不得用于其他商业用途(如 [转卖]进行直接盈利或[编辑后售卖]进行间接盈利)。
2、本站所有内容均由合作方或网友上传,本站不对文档的完整性、权威性及其观点立场正确性做任何保证或承诺!文档内容仅供研究参考,付费前请自行鉴别。
3、如文档内容存在违规,或者侵犯商业秘密、侵犯著作权等,请点击“违规举报”。

碎片内容

玻璃隔断墙施工工艺标准

确认删除?
VIP
微信客服
  • 扫码咨询
会员Q群
  • 会员专属群点击这里加入QQ群
客服邮箱
回到顶部