电脑桌面
添加小米粒文库到电脑桌面
安装后可以在桌面快捷访问

履带起重机自报告书

履带起重机自报告书_第1页
1/12
履带起重机自报告书_第2页
2/12
履带起重机自报告书_第3页
3/12
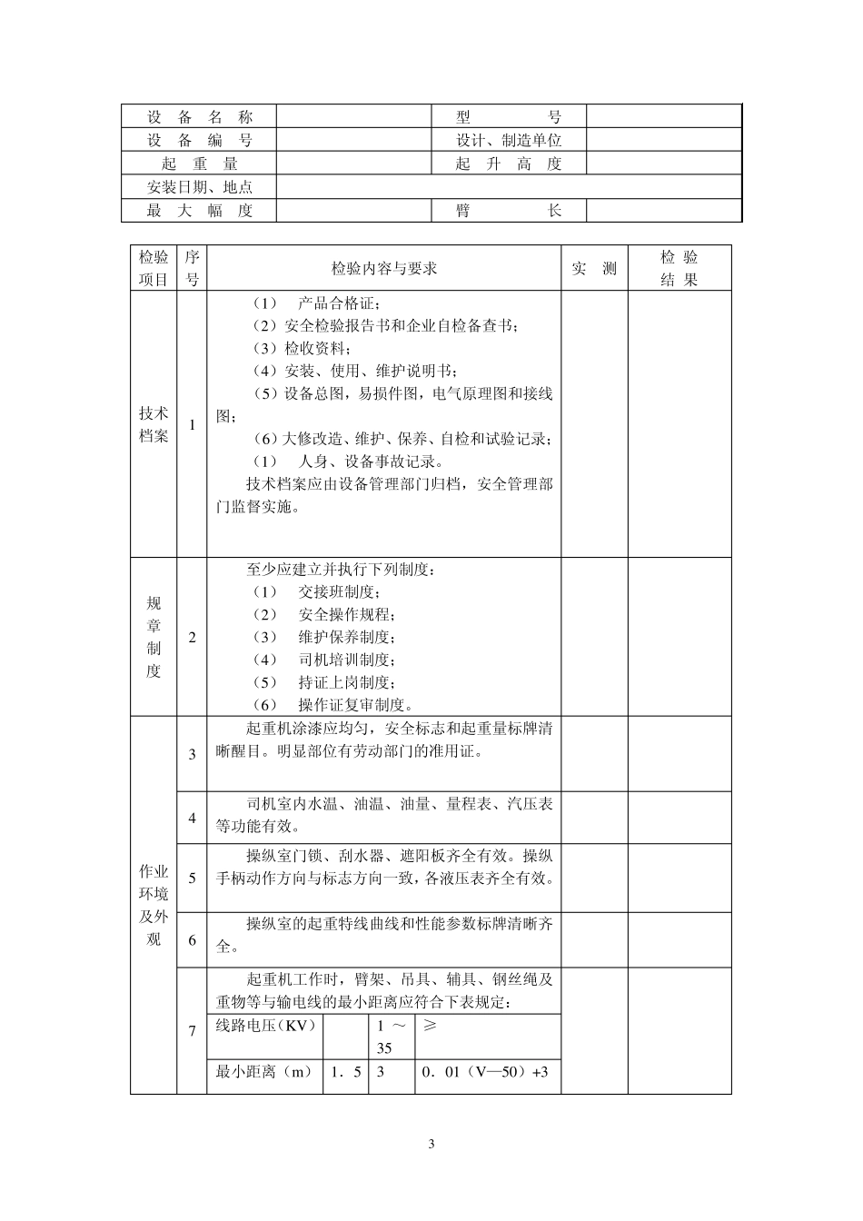
1 履 带 式 起 重 机 安 全 技 术 检 验 报 告 书 (企业自检用) 管理编号 使用单位 检验日期 东 电 四 公 司 2 检 验 须 知 1.本报告适用于新安装、大修改造后和在用的各种履带式起重机。 2.露天工作的起重机,检验时环境温度应在—25℃~+40℃之间;风力不大于5 级,沿海地区不大于6 级。 3.检验用仪器、量具必须有产品合格证,其性能和精度应符合有关标准的规定,并在国家计量部门定期校准的有效期内。 4.企业的检验人员应具备检验资格,有劳动部门签发的检验员证。 5.上机检验前,作业环境所需要的检验员自身安全防护用品应装束整齐。检验前必须先切断起重机动力电源,试车时送电。 6.用钢笔填写,字迹工整。 7.“检验报告书”由企业自检,保存期为三年,随时提供给劳动部门和主管部门检查。 8.本报告书无检验员和审核负责人签章无效。 9.报告书实测栏应填写检测数据或特殊情况的说明。 10.检验方法按劳动部 1993 年颁发的《起重机安全技术检验大纲》(企业自检用)进行。 3 设 备 名 称 型 号 设 备 编 号 设计、制造单位 起 重 量 起 升 高 度 安装日期、地点 最 大 幅 度 臂 长 检验项目 序号 检验内容与要求 实 测 检 验 结 果 技术档案 1 (1) 产品合格证; (2)安全检验报告书和企业自检备查书; (3)检收资料; (4)安装、使用、维护说明书; (5)设备总图,易损件图,电气原理图和接线图; (6)大修改造、维护、保养、自检和试验记录; (1) 人身、设备事故记录。 技术档案应由设备管理部门归档,安全管理部门监督实施。 规 章 制 度 2 至少应建立并执行下列制度: (1) 交接班制度; (2) 安全操作规程; (3) 维护保养制度; (4) 司机培训制度; (5) 持证上岗制度; (6) 操作证复审制度。 作业环境及外观 3 起重机涂漆应均匀,安全标志和起重量标牌清晰醒目。明显部位有劳动部门的准用证。 4 司机室内水温、油温、油量、量程表、汽压表等功能有效。 5 操纵室门锁、刮水器、遮阳板齐全有效。操纵手柄动作方向与标志方向一致,各液压表齐全有效。 6 操纵室的起重特线曲线和性能参数标牌清晰齐全。 7 起重机工作时,臂架、吊具、辅具、钢丝绳及重物等与输电线的最小距离应符合下表规定: 线路电压(KV) <1 1 ~35 ≥60 最小距离(m) 1.5 3 0.01(V—50)+3 4 检验...

1、当您付费下载文档后,您只拥有了使用权限,并不意味着购买了版权,文档只能用于自身使用,不得用于其他商业用途(如 [转卖]进行直接盈利或[编辑后售卖]进行间接盈利)。
2、本站所有内容均由合作方或网友上传,本站不对文档的完整性、权威性及其观点立场正确性做任何保证或承诺!文档内容仅供研究参考,付费前请自行鉴别。
3、如文档内容存在违规,或者侵犯商业秘密、侵犯著作权等,请点击“违规举报”。

碎片内容

履带起重机自报告书

您可能关注的文档

确认删除?
VIP
微信客服
  • 扫码咨询
会员Q群
  • 会员专属群点击这里加入QQ群
客服邮箱
回到顶部