电脑桌面
添加小米粒文库到电脑桌面
安装后可以在桌面快捷访问

八、质量安全文明施工保证措施

八、质量安全文明施工保证措施_第1页
1/22
八、质量安全文明施工保证措施_第2页
2/22
八、质量安全文明施工保证措施_第3页
3/22
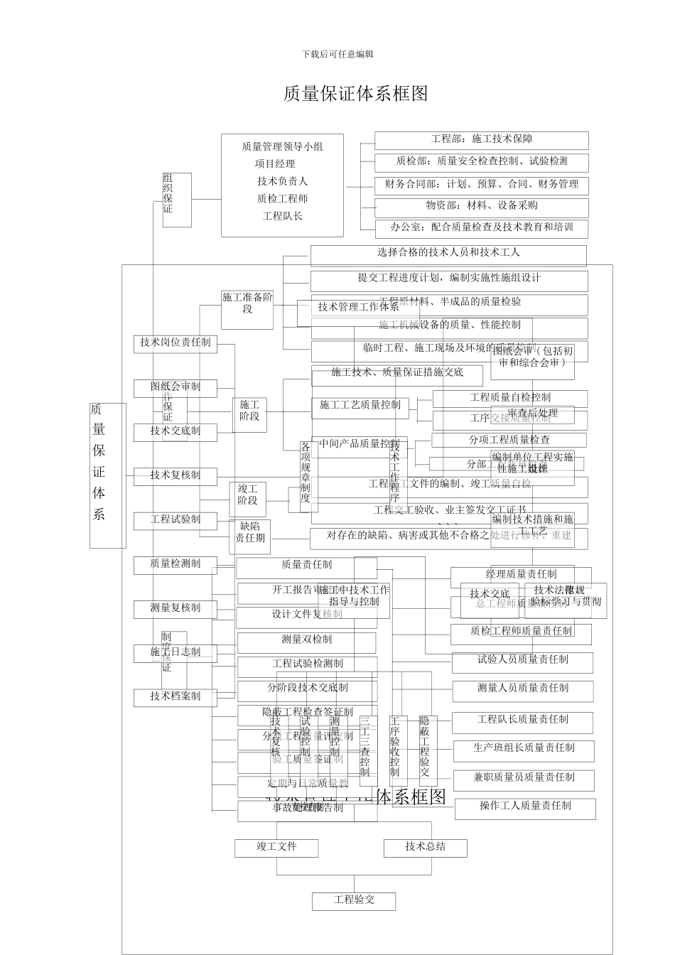
下载后可任意编辑施工质量保证体系一、质量体系认证我公司将在本项目施工的全过程按ISO 2000版新标准及我公司质量体系文件运作,确保工程质量目标的实现。二、质量保证体系框图建立健全质量保证体系,项目经理部成立质量管理领导小组,由项目经理任组长,项目副经理、技术负责人任副组长,负责全项目质量领导工作;项目经理部设质检部负责全项目质量管理工作,质检部配备专职质检员,负责质量监督检查和各项检验工作,配备数量足、精度高的质检仪器和设备。定期召开质量分析会,虚心听取设计人员、监理人员的意见,发现问题及时纠正,并制定改进措施,推动和改进质量管理,做到横向到边、纵向到底、控制有效,加强施工过程的自检、互检和交接检工作,并将质量管理工作与内部经济效益挂钩,确保创优目标的实现。下载后可任意编辑质量保证体系框图技术管理工作体系框图制度保证测量双检制分阶段技术交底制组织保证中间产品质量控制质 量 保 证 体 系工作保证质量管理领导小组项目经理 技术负责人质检工程师工程队长施工阶段施工准备阶段竣工阶段缺陷责任期选择合格的技术人员和技术工人财务合同部:计划、预算、合同、财务管理物资部:材料、设备采购办公室:配合质量检查及技术教育和培训工程部:施工技术保障施工机械设备的质量、性能控制临时工程、施工现场及环境的质量控制工程原材料、半成品的质量检验提交工程进度计划,编制实施性施组设计施工工艺质量控制施工技术、质量保证措施交底工程竣工文件的编制、竣工质量自检工程交工验收、业主签发交工证书、、、对存在的缺陷、病害或其他不合格之处进行修补、重建质量责任制开工报告审批制设计文件复核制隐蔽工程检查签证制工程试验检测制分项工程质量评定制事故处理报告制定期与日常质量教育检查制验工质量签证制工程质量自检控制工序交接质量控制分项工程质量检查分部工程质量检查经理质量责任制总工程师质量责任制质检工程师质量责任制试验人员质量责任制测量人员质量责任制工程队长质量责任制生产班组长质量责任制兼职质量员质量责任制操作工人质量责任制质检部:质量安全检查控制、试验检测技术管理工作体系技术岗位责任制图纸会审制技术交底制技术复核制工程试验制质量检测制测量复核制施工日志制技术档案制审查后处理编制单位工程实施性施工组织设计图纸会审 ( 包括初审和综合会审 )编制技术措施和施工工艺各项规章制度技术工作程序试验控制测量控制三工三查控制工序验收控制隐蔽...

1、当您付费下载文档后,您只拥有了使用权限,并不意味着购买了版权,文档只能用于自身使用,不得用于其他商业用途(如 [转卖]进行直接盈利或[编辑后售卖]进行间接盈利)。
2、本站所有内容均由合作方或网友上传,本站不对文档的完整性、权威性及其观点立场正确性做任何保证或承诺!文档内容仅供研究参考,付费前请自行鉴别。
3、如文档内容存在违规,或者侵犯商业秘密、侵犯著作权等,请点击“违规举报”。

碎片内容

八、质量安全文明施工保证措施

一帆文传+ 关注
实名认证
内容提供者

欢迎光临店铺,各类公文供您挑选。

确认删除?
VIP
微信客服
  • 扫码咨询
会员Q群
  • 会员专属群点击这里加入QQ群
客服邮箱
回到顶部