电脑桌面
添加小米粒文库到电脑桌面
安装后可以在桌面快捷访问

空气能验收规范VIP专享

空气能验收规范_第1页
1/4
空气能验收规范_第2页
2/4
空气能验收规范_第3页
3/4
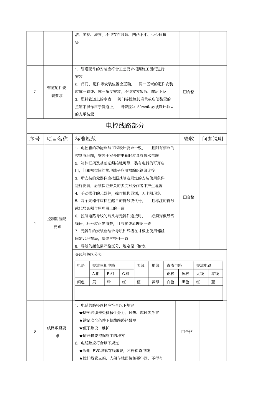
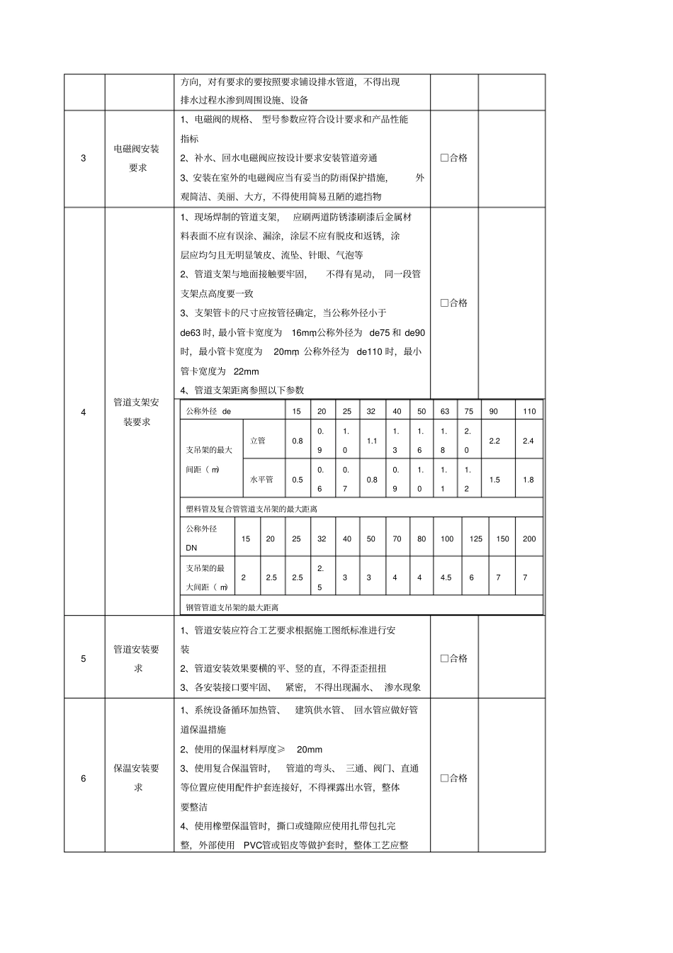
空气能验收规范项目名称施工负责人验收人日期空气能主机部分序号设备名称标准规范验收问题说明1 机组布置要求1、机组不得布置在通风条件差、环境噪音控制严及人员密集的场地2、机组进风面遮挡物宜大于1.5m,控制面板距墙宜大于 1.2m,顶部出风的机组,其上部净空气大于3.5m 3、机组进风面相对布置时,其间距宜大于0.8m □合格2 机组安装要求1、机组安装牢固、 平衡, 脚部安装防震胶垫,用地脚螺丝加固时需拧紧螺栓2、使用金属管道连接主机时需加装软连接减震装置3、根据要求具备防雷措施4、电源接线牢固,不得有松动,并有可靠的接地线□合格3 机组基础要求1、现场焊制基础, 应刷两道防锈漆 (醇酸) 和一道面漆(银粉)漆,刷漆后金属材料表面不应有误涂、漏涂,涂层不应有脱皮和返锈,涂层应均匀且无明显皱皮、流坠、针眼、气泡等□合格楼面热水管道部分序号设备名称标准规范验收问题说明1 水泵安装要求1、水泵的规格、 型号参数应符合设计要求和产品性能指标2、防震胶垫与水泵基础连接牢固、平稳,用地脚螺丝加固时需拧紧螺栓3、使用金属管道连接时水泵前后需加装软连接减震装置4、安装在室外的水泵应当有妥当的防雨保护措施,外观简洁、美丽、大方,不得使用简易丑陋的遮挡物5、电源接线牢固,不得有松动,并有可靠的接地线6、现场焊制的水泵基础, 应刷两道防锈漆刷漆后金属材料表面不应有误涂、漏涂,涂层不应有脱皮和返锈,涂层应均匀且无明显皱皮、流坠、针眼、气泡等□合格2 水箱安装要求1、水箱摆放位置应正确, 确保底部受力均衡分布在受力基础上,水箱底部与水箱基础应牢靠、稳固 . 2、水箱排污阀、 溢流管的排水方向应朝向建筑的排水点□合格方向,对有要求的要按照要求铺设排水管道,不得出现排水过程水渗到周围设施、设备3 电磁阀安装要求1、电磁阀的规格、 型号参数应符合设计要求和产品性能指标2、补水、回水电磁阀应按设计要求安装管道旁通3、安装在室外的电磁阀应当有妥当的防雨保护措施,外观简洁、美丽、大方,不得使用简易丑陋的遮挡物□合格4 管道支架安装要求1、现场焊制的管道支架, 应刷两道防锈漆刷漆后金属材料表面不应有误涂、漏涂,涂层不应有脱皮和返锈,涂层应均匀且无明显皱皮、流坠、针眼、气泡等2、管道支架与地面接触要牢固,不得有晃动, 同一段管支架点高度要一致3、支架管卡的尺寸应按管径确定,当公称外径小于de63 时,最小管卡宽度为16mm,公称外径为 de75 和 de90时,最...

1、当您付费下载文档后,您只拥有了使用权限,并不意味着购买了版权,文档只能用于自身使用,不得用于其他商业用途(如 [转卖]进行直接盈利或[编辑后售卖]进行间接盈利)。
2、本站所有内容均由合作方或网友上传,本站不对文档的完整性、权威性及其观点立场正确性做任何保证或承诺!文档内容仅供研究参考,付费前请自行鉴别。
3、如文档内容存在违规,或者侵犯商业秘密、侵犯著作权等,请点击“违规举报”。

碎片内容

空气能验收规范

确认删除?
VIP
微信客服
  • 扫码咨询
会员Q群
  • 会员专属群点击这里加入QQ群
客服邮箱
回到顶部