电脑桌面
添加小米粒文库到电脑桌面
安装后可以在桌面快捷访问

空气质量检测标准VIP专享

空气质量检测标准_第1页
1/4
空气质量检测标准_第2页
2/4
空气质量检测标准_第3页
3/4
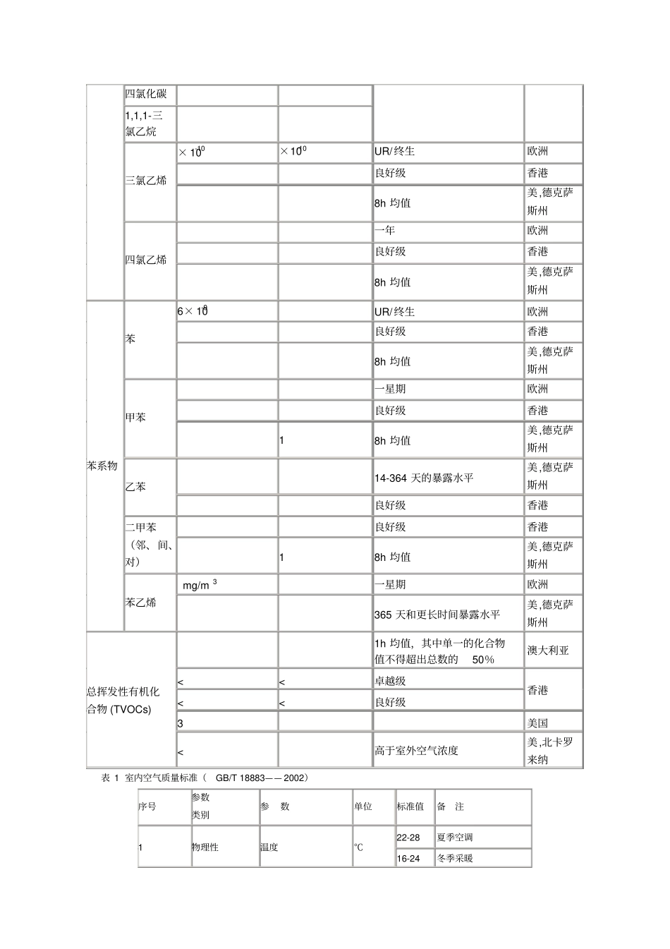
室内空气污染限量标准GB50325-2001《民用建筑工程室内环境污染控制规范》中有关空气质量验收标准如下:污染物Ⅰ类民用建筑工程Ⅱ类民用建筑工程氡( Bq/m3)≤200≤400甲醛( mg/ m 3)≤≤苯( mg/ m 3)≤≤氨( mg/ m 3)≤≤TVOC(mg/ m 3)≤≤其中:Ⅰ类民用建筑工程包括:住宅、医院病房、老年建筑、幼儿园、学校教室等建筑工程; Ⅱ类民用建筑工程包括: 办公室、旅店、文化娱乐场所、书店、图书馆、展览馆、体育馆、商场(店)、公共交通工具等候室、医院候诊室、饭店(馆)、理发店等公共建筑。美国、欧洲等国家和香港特区空气中挥发性有害有机气体限量标准污染物水平指标( mg/m 3)水平指标( ppmv )测量标准国家或地区醛酮类甲醛限量 ,适用于居民住宅和学校建筑物澳大利亚30 分钟平均值欧洲<<卓越级香港<<良好级目标水平: ;行动水平:目标水平:;行动水平:长期暴露量加拿大短期暴露量8 小时均值美国产生气味的阈值是美,德克萨斯州丙酮268h 均值美,德克萨斯州烷烃类异丁烷8h 均值美,德克萨斯州正己烷癸烷汽油(<%苯)/卤代烃或卤代芳烃类二氯甲烷324 小时欧洲8h 均值美,德克萨斯州氯仿(三氯甲烷)良好级香港四氯化碳1,1,1-三氯乙烷三氯乙烯× 10-10×10-10UR/终生欧洲良好级香港8h 均值美,德克萨斯州四氯乙烯一年欧洲良好级香港8h 均值美,德克萨斯州苯系物苯6× 10-9UR/终生欧洲良好级香港8h 均值美,德克萨斯州甲苯一星期欧洲良好级香港18h 均值美,德克萨斯州乙苯14-364 天的暴露水平美,德克萨斯州良好级香港二甲苯(邻、间、对)良好级香港18h 均值美,德克萨斯州苯乙烯mg/m 3一星期欧洲365 天和更长时间暴露水平美,德克萨斯州总挥发性有机化合物 (TVOCs)1h 均值,其中单一的化合物值不得超出总数的50%澳大利亚<<卓越级香港<<良好级3美国<高于室外空气浓度美,北卡罗来纳表 1 室内空气质量标准(GB/T 18883—— 2002)序号参数类别参数单位标准值备注1物理性温度℃22-28夏季空调16-24冬季采暖2相对湿度%40-80夏季空调30-60冬季采暖3空气流速m/s夏季空调冬季采暖4新风量m3/h ·人30 a5化学性二氧化硫 SO2mg/m 31h 均值6过氧化氮 NO2mg/m 31h 均值7一氧化碳 COmg/m 3101h 均值8二氧化碳 CO2%日平均值9氨 NH3mg/m 31h 均值10臭氧 O3mg/m 331h 均值11甲醛 HCHOmg/m 31h 均值12苯 C6H6mg/m 31h 均值13甲苯 C7H8mg/m 31h 均值14二甲苯 C8H10mg/m 31h 均值1...

1、当您付费下载文档后,您只拥有了使用权限,并不意味着购买了版权,文档只能用于自身使用,不得用于其他商业用途(如 [转卖]进行直接盈利或[编辑后售卖]进行间接盈利)。
2、本站所有内容均由合作方或网友上传,本站不对文档的完整性、权威性及其观点立场正确性做任何保证或承诺!文档内容仅供研究参考,付费前请自行鉴别。
3、如文档内容存在违规,或者侵犯商业秘密、侵犯著作权等,请点击“违规举报”。

碎片内容

空气质量检测标准

确认删除?
VIP
微信客服
  • 扫码咨询
会员Q群
  • 会员专属群点击这里加入QQ群
客服邮箱
回到顶部