电脑桌面
添加小米粒文库到电脑桌面
安装后可以在桌面快捷访问

2024年园区GIS信息化管理系统建设方案设计VIP免费

2024年园区GIS信息化管理系统建设方案设计_第1页
1/24
2024年园区GIS信息化管理系统建设方案设计_第2页
2/24
2024年园区GIS信息化管理系统建设方案设计_第3页
3/24
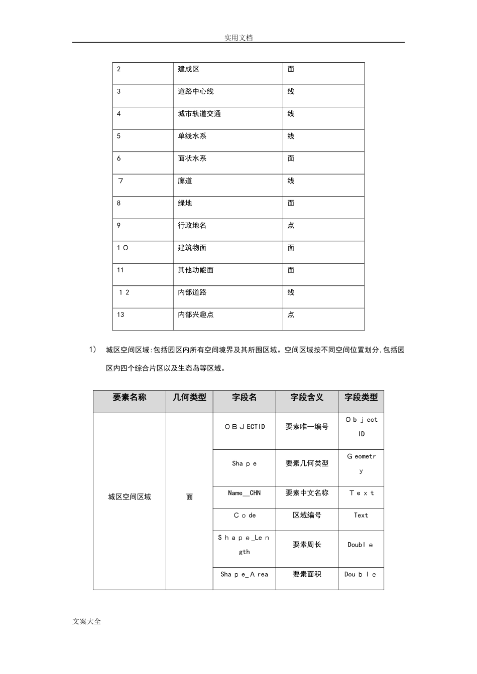
实用文档园区GIS建设随着地理信息应用逐步由少数的专业政务应用向普遍的政务应用,甚至向企业、公众应用领域拓展,人们的注意力也正从关注地理信息数据生产加工、数据获取向关注应用效果、用户体验方面转移,应用方式也从单一固化的模式向多平台、多渠道转变。随着各种工业园区、商务园区、综合性园区在管理上越来越精细,结合GIS的智慧园区应用越来越多的被引进到现代化园区管理里面来,通过充分整合园区现有的数据资源、通讯资源、网络资源、基础设施资源等基础上,建立集园区电子地图、设施空间信息、属性信息、传感信息、视频监控、养护巡检于一体的园区综合信息平台,实现对园区的实时监控、管理、服务等业务的可视化、智能化和协同共享。园区地理信息系统在园区管理上就更加及时性、准确性、综合性和科学性,能够推动企业人力资源整合、物资资源合理调度和使用,全面提升园区的整体运营水平。1.基础数据制作1.1.基础地图数据库建设针对基础地图在线浏览,标注,搜索的需要,对矢量数据进行内容选取组合所形成的数据集,经符号化处理、图面整饰后形成重点突出、色彩协调、符号形象、图面美观的各类地理底图,可用于在线浏览、专题标图,也可供用户下载后打印输出或作为文档插图。园区所有地图将以精细化制图进行绘制,以求精细,美观,逼真地反映园区地表地物。基础地图数据所包含的图层,以下述中所列条目为基础,结合当地实际地物信息现状表示。编号要素名称要素类型1城区空间区域面文案大全实用文档2建成区面3道路中心线线4城市轨道交通线5单线水系线6面状水系面7廊道线8绿地面9行政地名点10建筑物面面11其他功能面面12内部道路线13内部兴趣点点1)城区空间区域:包括园区内所有空间境界及其所围区域。空间区域按不同空间位置划分,包括园区内四个综合片区以及生态岛等区域。要素名称几何类型字段名字段含义字段类型城区空间区域面OBJECTID要素唯一编号ObjectIDShape要素几何类型GeometryName_CHN要素中文名称TextCode区域编号TextShape_Length要素周长DoubleShape_Area要素面积Double文案大全实用文档2)建成区:建成区主要表示园区市区范围,以其市区界线及其所围区域构成。要素名称几何类型字段名字段含义字段类型建成区面OBJECTID要素唯一编号ObjectIDShape要素几何类型GeometryID要素编号ShortIntegerShape_Length要素周长DoubleShape_Area要素面积Double3)道路中心线:按道路名称,等级进行划分,以道路中心线表达。即将具有同一名称的道路的中心线定义为表示该道路的要素。所有道路实体构成连通的道路网。要素名称几何类型字段名字段含义字段类型道路中心线线OBJECTID要素唯一编号ObjectIDShape要素几何类型GeometryName_ENG要素英文名称TextName_PY要素拼音名称TextWidth要素宽度FloatRoad道路标识编号DoubleShape_Length要素长度DoubleName_CHN要素中文名称TextRoadclass道路等级ShortInteger4)城市轨道交通:按园区内轨道交通名称,类型进行划分,以轨道中心线表达。所有轨道交通构成联通的轨道交通网。要素名称几何类型字段名字段含义字段类型文案大全实用文档城市轨道交通线OBJECTID要素唯一编号ObjectIDShape要素几何类型GeometryName_CHN要素中文名称TextName_PY要素拼音名称TextType要素类型DoubleShape_Length要素长度Double5)单线水系:按城区内河流名称划分,以河流中心线表达。即将具有同一名称的河流的中心线线定义为表示该河流的要素,构成连通的水网。要素名称几何类型字段名字段含义字段类型单线水系线OBJECTID要素唯一编号ObjectIDShape要素几何类型GeometryName_CHN要素中文名称TextName_ENG要素英文名称TextType要素类型ShortIntegerShape_Length要素长度Double6)面状水系:按城区类河流湖泊名称划分,以面要素表达河流湖泊。要素名称几何类型字段名字段含义字段类型面状水系面OBJECTID要素唯一编号ObjectIDShape要素几何类型Geometry文案大全实用文档Name_CHN要素中文名称TextName_ENG要素英文名称TextType要素类型ShortIntege...

1、当您付费下载文档后,您只拥有了使用权限,并不意味着购买了版权,文档只能用于自身使用,不得用于其他商业用途(如 [转卖]进行直接盈利或[编辑后售卖]进行间接盈利)。
2、本站所有内容均由合作方或网友上传,本站不对文档的完整性、权威性及其观点立场正确性做任何保证或承诺!文档内容仅供研究参考,付费前请自行鉴别。
3、如文档内容存在违规,或者侵犯商业秘密、侵犯著作权等,请点击“违规举报”。

碎片内容

2024年园区GIS信息化管理系统建设方案设计

您可能关注的文档

确认删除?
VIP
微信客服
  • 扫码咨询
会员Q群
  • 会员专属群点击这里加入QQ群
客服邮箱
回到顶部