电脑桌面
添加小米粒文库到电脑桌面
安装后可以在桌面快捷访问

法兰连接质量验收记录

法兰连接质量验收记录_第1页
1/11
法兰连接质量验收记录_第2页
2/11
法兰连接质量验收记录_第3页
3/11
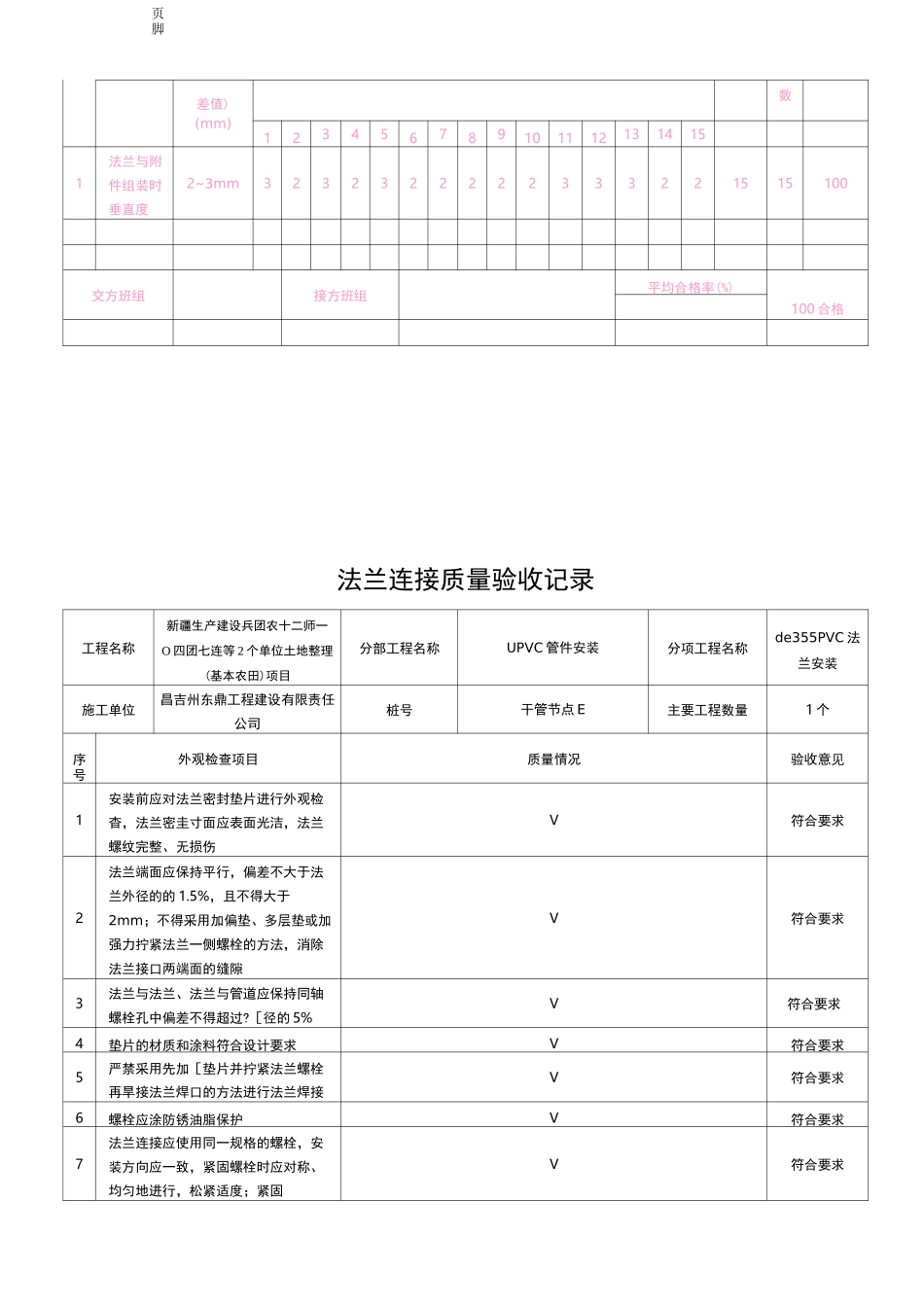
页脚法兰连接质量验收记录工程名称新疆生产建设兵团农十二师—o 四团七连等 2 个单位土地整理(基本农田)项目分部工程名称管道安装分项工程名称DN800 钢制法兰安装施工单位昌吉州东鼎工程建设有限责任公司桩号干管节点 O/Q主要工程数量4 套序号外观检查项目质量情况验收意见1安装前应对法兰密封垫片进行外观检杳,法兰密圭寸面应表面光洁,法兰螺纹完整、无损伤V2法兰端面应保持平行,偏差不大于法兰外径的的 1.5%,且不得大于2mm;不得采用加偏垫、多层垫或加强力拧紧法兰一侧螺栓的方法,消除法兰接口两端面的缝隙V3法兰与法兰、法兰与管道应保持同轴,螺栓孔中心偏差不得超过孔径的 5%V4垫片的材质和川人、八、丄曲七涂料付合设计要求V5严禁采用先加垫片并拧紧法兰螺栓,再焊接法兰焊口的方法进行法兰焊接V7法兰连接应使用同一规格的螺栓,安装方向应一致,紧固螺栓时应对称、均匀地进行,松紧适度;紧固后丝扣外露长度应为 2~3 倍螺距,需要用垫圈调整时,每个螺栓应采用一个垫圈VV9软垫片的周边应整齐,垫片尺寸应与法兰密封面相符,允许偏差符合GB50235 的规定V序号量测项目允许偏差(规定值±偏差值)(mm)实测点偏差值或实测值应量测点数合合格点数合格率(%)1234567891011121314151法兰与2~2332323323232331515100页脚附件组装时,垂直度3mm交方班组接方班组平均合格率(%)100 合格测定结果法兰连接质量验收记录工程名称新疆生产建设兵团农十二师一O 四团七连等 2 个单位土地整理(基本农田)项目分部工程名称管道安装分项工程名称DN500 钢制法兰安装施工单位昌吉州东鼎工程建设有限责任公司桩号干管节点 O/K主要工程数量4 套序号外观检查项目质量情况验收意见1安装前应对法兰密封垫片进行外观检杳,法兰密圭寸面应表面光洁,法兰螺纹完整、无损伤V2法兰端面应保持平行,偏差不大于法兰外径的的 1.5%,且不得大于2mm;不得采用加偏垫、多层垫或加强力拧紧法兰一侧螺栓的方法,消除法兰接口两端面的缝隙V3法兰与法兰、法兰与管道应保持同轴螺栓孔中偏差不得超过?[径的 5%V4垫片的材质和涂料符合设计要求V5严禁采用先加[垫片并拧紧法兰螺栓再旱接法兰焊口的方法进行法兰焊接V螺栓应涂防锈油脂保护V7法兰连接应使用同一规格的螺栓,安装方向应一致,紧固螺栓时应对称、均匀地进行,松紧适度;紧固后丝扣外露长度应为 2~3 倍螺距,需要用垫圈调整时,每个螺栓应采用一个垫圈V9软垫片的周边应整齐,垫片尺寸应与法兰密封面相符,...

1、当您付费下载文档后,您只拥有了使用权限,并不意味着购买了版权,文档只能用于自身使用,不得用于其他商业用途(如 [转卖]进行直接盈利或[编辑后售卖]进行间接盈利)。
2、本站所有内容均由合作方或网友上传,本站不对文档的完整性、权威性及其观点立场正确性做任何保证或承诺!文档内容仅供研究参考,付费前请自行鉴别。
3、如文档内容存在违规,或者侵犯商业秘密、侵犯著作权等,请点击“违规举报”。

碎片内容

法兰连接质量验收记录

您可能关注的文档

确认删除?
VIP
微信客服
  • 扫码咨询
会员Q群
  • 会员专属群点击这里加入QQ群
客服邮箱
回到顶部