电脑桌面
添加小米粒文库到电脑桌面
安装后可以在桌面快捷访问

组合梁桥面板预制首件方案

组合梁桥面板预制首件方案_第1页
1/22
组合梁桥面板预制首件方案_第2页
2/22
组合梁桥面板预制首件方案_第3页
3/22
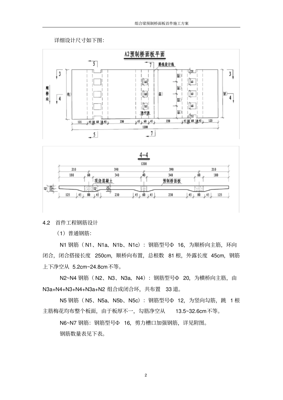
组合梁预制桥面板首件施工方案1 组合梁桥预制桥面板首件施工方案(** 桥组合梁 A2型预制桥面板)一、编制目的为加强对 组合梁桥预制桥面板 的工序控制; 贯彻以工序保分项、 以分项保分部、以分部保单位、 以单位保整体的质量创优保障原则,推动本项目规范标准作业,实现本项目国优的质量目标。特制订本方案。二、编制依据1.最新下达的设计施工图纸;2.经专家评审并修订上报的《** 桥施工专项方案》;3.指挥部下达的《首件工程示范制实施细则》;4. 《钢-混凝土组合桥梁设计规范》(GB 50917-2013) ;5.《公路桥涵施工技术规范》(JTG/T F50-2011);6. 《公路工程质量检验评定标准》(土建工程)(JTG /F80/1-2004);7.相关技术规范、规程、标准等。三、首件工程质量目标1.实体质量目标 :钢筋制作及安装及混凝土强度达到设计要求、桥面板平整度控制在± 3mm 以内;板厚公差控制在0-3mm 范围以内;面板对角相对高差控制在 5mm 范围以内;预埋件准确,不漏埋不错埋;预留剪力槽口大小控制在±10mm 以内,预留槽口位置精度控制在±20mm 以内。2.外观质量目标 :无漏浆、蜂窝、麻面等混凝土外观缺陷;板顶表面拉毛深度不小于 2mm,所有堵塞缝隙的泡沫胶清理彻底。四、首件工程选定及首件工程设计情况经综合考虑,选择 ** 桥组合桥面板 A2 型为本次首件工程,首件工程预制台座选择在预制场 A3#预制台座上实施。4.1 首件工程结构尺寸A2 型桥面板宽度 12m,平面圆曲线半径360m,路线中心线弧长400cm,外弧长 407cm,内弧长 394cm。共布置有 250×600mm 型槽口 4 个,500×600mm型槽口 6 个,500×400mm 型槽口 3 个。悬臂端部板厚 200mm,槽口板厚 400mm,行车道板板厚 260mm,倒角长度为 450mm。单块板设计混凝土数量为: 12.995m3。组合梁预制桥面板首件施工方案2 详细设计尺寸如下图:4.2 首件工程钢筋设计(1)普通钢筋:N1 钢筋( N1、N1a、N1b、N1c):钢筋型号Ф 16,为顺桥向主筋,环向闭合,闭合搭接长度250cm,顺桥向布置,总根数81 根,外露长度 45cm,钢筋上下净空从 5.2cm~24.8cm不等。N2~N4 钢筋( N2、N3、N3a、N4):钢筋型号Ф 20,为横桥向主筋,由N3a+N4+N3+N4+N3a+N2 组合成闭合环,共布置33 道。N5 钢筋( N5、N5a、N5b、N5c):钢筋型号Ф 12,为竖向勾筋,跳 1 根主筋梅花均布整个板面,由于板厚不一,勾筋净空从13.5~32.6cm不等。N6~N7 钢筋:钢筋型号Ф16...

1、当您付费下载文档后,您只拥有了使用权限,并不意味着购买了版权,文档只能用于自身使用,不得用于其他商业用途(如 [转卖]进行直接盈利或[编辑后售卖]进行间接盈利)。
2、本站所有内容均由合作方或网友上传,本站不对文档的完整性、权威性及其观点立场正确性做任何保证或承诺!文档内容仅供研究参考,付费前请自行鉴别。
3、如文档内容存在违规,或者侵犯商业秘密、侵犯著作权等,请点击“违规举报”。

碎片内容

组合梁桥面板预制首件方案

您可能关注的文档

确认删除?
VIP
微信客服
  • 扫码咨询
会员Q群
  • 会员专属群点击这里加入QQ群
客服邮箱
回到顶部