电脑桌面
添加小米粒文库到电脑桌面
安装后可以在桌面快捷访问

内衬塑钢管安装工艺VIP免费

内衬塑钢管安装工艺_第1页
1/10
内衬塑钢管安装工艺_第2页
2/10
内衬塑钢管安装工艺_第3页
3/10
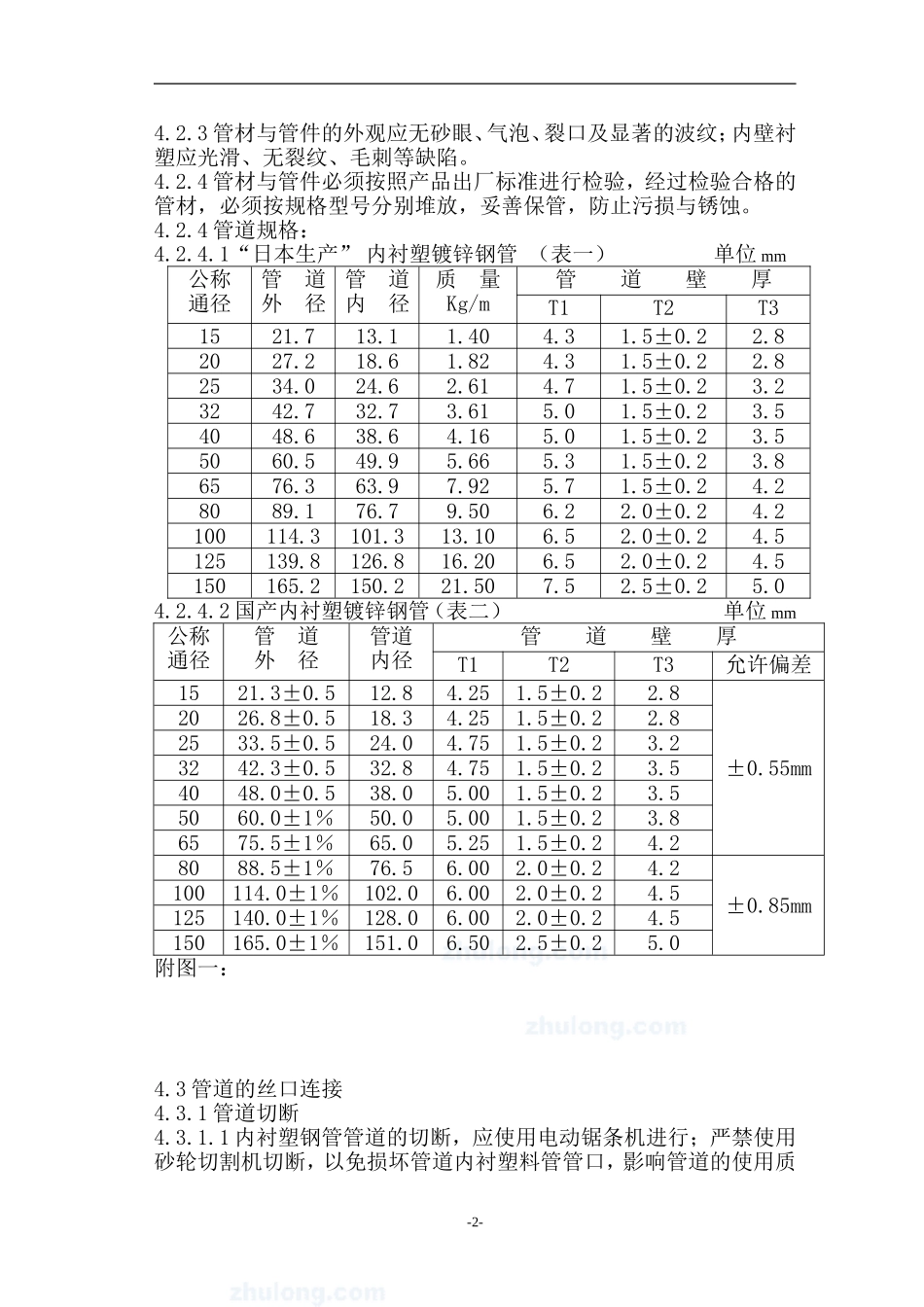
内衬塑钢管安装工艺1范围:本工艺适用于内衬塑(镀锌)钢管管道安装,其工作压力≤1.0Mpa的水系统管道;当管道的内衬塑材料为聚乙烯(PE)时,其工作温度为<40℃;当管道的内衬塑材料为辐照交联聚乙烯(PEX)时,其工作温度为<95℃。3工艺流程方框图;4.1施工准备4.2管材及附件检验4.3管道预制加工4.4支架预制安装4.5管道安装4.6管道与阀类连接4.7管道试压与冲洗4.8交工验收4.工艺过程4.1施工准备4.1.1熟悉“内衬塑镀锌钢管”管道的施工技术文件和工艺要求,认真仔细审图,发现问题及时会同有关部门解决,并且做好施工图的会审记录。4.1.2根据施工图及时编制施工预算和施工方案。4.1.3根据工程总进度编制材料供应计划、机具及劳动力配备计划。4.1.4根据设计施工图进行现场测绘,并绘制管道加工预制单线图,进行加工预制。4.1.5根据工程量和进度计划,合理布置现场加工预制场,并合理配备施工机具。4.1.6根据施工方案,及时对施工人员进行管道安装技术要求和安全交底,交安全、质量、主要施工方法、验收规范要求和进度计划要求。4.2管材及附件检验4.2.1管材及附件必须具有制造厂商的质量保证书,其产品质量不得低于国家现行标准,并能满足设计与使用要求。4.2.2内衬塑镀锌钢管及注塑镀锌管件的成品外表面不允许有分层、裂纹和影响强度的褶皱等缺陷存在;-1-4.2.3管材与管件的外观应无砂眼、气泡、裂口及显著的波纹;内壁衬塑应光滑、无裂纹、毛刺等缺陷。4.2.4管材与管件必须按照产品出厂标准进行检验,经过检验合格的管材,必须按规格型号分别堆放,妥善保管,防止污损与锈蚀。4.2.4管道规格:4.2.4.1“日本生产”内衬塑镀锌钢管(表一)单位mm公称通径管道外径管道内径质量Kg/m管道壁厚T1T2T31521.713.11.404.31.5±0.22.82027.218.61.824.31.5±0.22.82534.024.62.614.71.5±0.23.23242.732.73.615.01.5±0.23.54048.638.64.165.01.5±0.23.55060.549.95.665.31.5±0.23.86576.363.97.925.71.5±0.24.28089.176.79.506.22.0±0.24.2100114.3101.313.106.52.0±0.24.5125139.8126.816.206.52.0±0.24.5150165.2150.221.507.52.5±0.25.04.2.4.2国产内衬塑镀锌钢管(表二)单位mm公称通径管道外径管道内径管道壁厚T1T2T3允许偏差1521.3±0.512.84.251.5±0.22.8±0.55mm2026.8±0.518.34.251.5±0.22.82533.5±0.524.04.751.5±0.23.23242.3±0.532.84.751.5±0.23.54048.0±0.538.05.001.5±0.23.55060.0±1%50.05.001.5±0.23.86575.5±1%65.05.251.5±0.24.28088.5±1%76.56.002.0±0.24.2±0.85mm100114.0±1%102.06.002.0±0.24.5125140.0±1%128.06.002.0±0.24.5150165.0±1%151.06.502.5±0.25.0附图一:4.3管道的丝口连接4.3.1管道切断4.3.1.1内衬塑钢管管道的切断,应使用电动锯条机进行;严禁使用砂轮切割机切断,以免损坏管道内衬塑料管管口,影响管道的使用质-2-量和寿命。4.3.1.2管端端口,应按照内衬塑镀锌钢管衬塑厚度的1/2进行内倒角,用专用刮刀或塑料管用铰刀进行,并且用木挫刀或砂纸将管端头(衬塑)部位的毛刺清除干净。(见附图二)附图二:(t-管道衬塑层)4.3.2管道的套丝4.3.2.1应使用配套的电动套丝机进行管道进行锥形螺纹套丝。切削用润滑油应使用专用冷却润滑油;4.3.2.2正确使用电动套丝机和配套工具,及时调整好管道丝锥的长度和松紧度。4.3.2.3“日产”内衬塑料钢管管道的丝口检验:用配套的“标准螺纹量规”对管道丝锥加工尺寸进行确认。4.3.2.4“国产”内衬塑料钢管套丝的丝锥螺纹加工,必须符合现行国家标准GB7306-87《螺纹密封的管螺纹》的规定;4.3.2.5管道的丝口加工须光滑清楚,不得有毛刺和乱丝、断扣或缺口的尺寸不得超过全长的10%。4.3.3.管道连接4.3.3.1管道连接前应将丝口端部进行清洗,用清水将端部处机油、金属与塑料粒屑清除干净并擦干。4.3.3.2“日产”内衬塑料钢管管道填料及连接:1)填料:采用配套“给水#100N”密封胶涂抹在管道端部和螺纹处,外缠“塑料王”,≤DN50时可外缠一圈,>DN50则应管件外缠二圈,“塑料王”不可碰到管道丝口端部,管道配件所连接的丝口处也要涂抹密封胶。(密封胶与“塑料王”用量见表三)表三:管道直径mm...

1、当您付费下载文档后,您只拥有了使用权限,并不意味着购买了版权,文档只能用于自身使用,不得用于其他商业用途(如 [转卖]进行直接盈利或[编辑后售卖]进行间接盈利)。
2、本站所有内容均由合作方或网友上传,本站不对文档的完整性、权威性及其观点立场正确性做任何保证或承诺!文档内容仅供研究参考,付费前请自行鉴别。
3、如文档内容存在违规,或者侵犯商业秘密、侵犯著作权等,请点击“违规举报”。

碎片内容

内衬塑钢管安装工艺

您可能关注的文档

确认删除?
VIP
微信客服
  • 扫码咨询
会员Q群
  • 会员专属群点击这里加入QQ群
客服邮箱
回到顶部