电脑桌面
添加小米粒文库到电脑桌面
安装后可以在桌面快捷访问

技嘉委托检验协议书-样表

技嘉委托检验协议书-样表_第1页
1/48
技嘉委托检验协议书-样表_第2页
2/48
技嘉委托检验协议书-样表_第3页
3/48
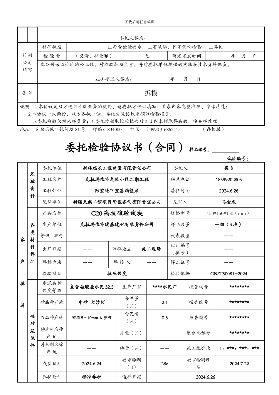
下载后可任意编辑委托检验协议书(合同) 样品编号: 试验 编号: 客户填写基础资料委托单位新疆瑞基工程建设有限责任公司委托人梁飞工程名称龙凤小区二期项目防空地下室联系电话18599202808工程部位地下车库 A 区梁板、柱、墙委托时间2024.8.9见证单位新疆天麒工程项目管理咨询有限责任公司见证人马金龙各类材料样品产品名称C30 砼试块规格型号150×150×150mm生产单位瑞基建材搅拌站样品数量6 组(1 组 3 块)等级、牌号C30代表数量1005m³出厂日期――取样地点施工现场出厂编号(批号)――焊接方法――焊 接 人――焊工证号――检验项目抗压强度检验依据GB/T50081-2024砼砂浆试件水泥品种强度等级复合硅酸盐水泥 32.5生产厂家****水泥厂报告编号********砂品种产地中砂 大沙河含泥量(%)2.1报告编号********石品种产地卵石 5-40mm 大沙河含泥量(%)0.5报告编号********掺和料名称产 地――掺量(%)――配合比编号********外加剂名称产 地――掺量(%)――施工配合比1:***:***:***成型日期2024.8.8要求龄期(d)28要求检测日期2024.9.5养护条件标准养护送样日期2024.8.9等效养护龄期累计达到 600℃所对应龄期(d)――等效养护龄期累计达到温度(℃)――要求样品制备及处理意见□委托制样 □客户制样□试验完毕取回 □废弃其他事项1.是否同意采纳非标准方法进行检测? □同意 □不同意2.是否同意 项目采纳分包方式进行检测 □同意 □不同意我方保证对所提供的一切资料、实物的真实性负责,并提供必要的合作。所需检验费用由我方支付。 委托人签名:检测公司填写样品状态□符合检验要求 □有缺陷,但不影响检验 □其他检 验 费(交清、押金¥) 元商定完成时间年 月 日本公司保证检验的公正性,对检验数据负责,并对委托单位提供的实物和技术资料保密。 业务受理人签名: 年 月 日下载后可任意编辑备 注说明:1.本协议是双方进行检验业务的契约,请委托方仔细填写,要求内容完整准确、字体清楚; 2.本协议一式两份,双方各执一份,委托方凭协议书领取检验报告; 3.委托检验仅对来样负责;4.委托方领取检验报告后 3 日内未领取样品的,按弃样处理。地址:克拉玛依市银河路 81 号 邮编:834000 电话:(0990)6862413 (存档联)委托检验协议书(合同) 样品编号: 试验 编号 : 客户填写基础资料委托单位新疆瑞基工程建设有限责任公司委托人梁飞工程名称克拉玛依龙凤小区二期...

1、当您付费下载文档后,您只拥有了使用权限,并不意味着购买了版权,文档只能用于自身使用,不得用于其他商业用途(如 [转卖]进行直接盈利或[编辑后售卖]进行间接盈利)。
2、本站所有内容均由合作方或网友上传,本站不对文档的完整性、权威性及其观点立场正确性做任何保证或承诺!文档内容仅供研究参考,付费前请自行鉴别。
3、如文档内容存在违规,或者侵犯商业秘密、侵犯著作权等,请点击“违规举报”。

碎片内容

技嘉委托检验协议书-样表

您可能关注的文档

确认删除?
VIP
微信客服
  • 扫码咨询
会员Q群
  • 会员专属群点击这里加入QQ群
客服邮箱
回到顶部