电脑桌面
添加小米粒文库到电脑桌面
安装后可以在桌面快捷访问

结构设计说明

结构设计说明_第1页
1/4
结构设计说明_第2页
2/4
结构设计说明_第3页
3/4
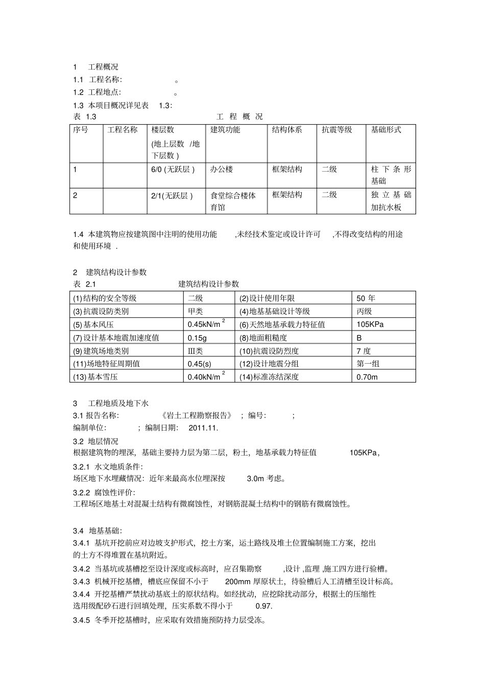
1工程概况1.1 工程名称:。1.2 工程地点:。1.3 本项目概况详见表1.3:表 1.3 工 程 概 况序号工程名称楼层数(地上层数 /地下层数 ) 建筑功能结构体系抗震等级基础形式1 6/0 (无跃层 ) 办公楼框架结构二级柱 下 条 形基础2 2/1(无跃层 ) 食堂综合楼体育馆框架结构二级独 立 基 础加抗水板1.4 本建筑物应按建筑图中注明的使用功能,未经技术鉴定或设计许可,不得改变结构的用途和使用环境 . 2 建筑结构设计参数表 2.1 建筑结构设计参数(1)结构的安全等级二级(2)设计使用年限50 年(3)抗震设防类别甲类(4)地基基础设计等级丙级(5)基本风压0.45kN/m2(6)天然地基承载力特征值105KPa (7)设计基本地震加速度值0.15g (8)地面粗糙度B (9)建筑场地类别Ⅲ类(10)抗震设防烈度7 度(11)场地特征周期值0.45(s) (12)设计地震分组第一组(13)基本雪压0.40kN/m2(14)标准冻结深度0.70m 3工程地质及地下水3.1 报告名称:《岩土工程勘察报告》 ;编号:;编制单位:;编制日期: 2011.11. 3.2 地层情况根据建筑物的埋深,基础主要持力层为第二层,粉土,地基承载力特征值105KPa,3.2.1 水文地质条件:场区地下水埋藏情况:近年来最高水位埋深按3.0m 考虑。3.2.2 腐蚀性评价:工程场区地基土对混凝土结构有微腐蚀性,对钢筋混凝土结构中的钢筋有微腐蚀性。3.4 地基基础:3.4.1 基坑开挖前应对边坡支护形式,挖土方案,运土路线及堆土位置编制施工方案,挖出的土方不得堆置在基坑附近。3.4.2 当基坑或基槽挖至设计深度或标高时,应召集勘察,设计 ,监理 ,施工四方进行验槽。3.4.3 机械开挖基槽,槽底应保留不小于200mm 厚原状土,待验槽后人工清槽至设计标高。3.4.4 开挖基槽严禁扰动基底土的原状结构。如经扰动,应挖除扰动部分,根据土的压缩性选用级配砂石进行回填处理,压实系数不得小于0.97. 3.4.5 冬季开挖基槽时,应采取有效措施预防持力层受冻。3.4.6 开挖基坑时应根据勘察报告提供的参数进行放坡,对基坑距道路,市政设施和现有建筑较近处应进行边坡支护。定期观测其对周围道路,市政设施和建筑物有无不利影响,保证施工的顺利进行。 边坡支护应由有相应资质的单位承担。非自然放坡开挖时,基坑护壁应做专门设计。3.5 回填土:3.5.1 地下室各层顶板混凝土达到设计强度后及侧壁防水层施工完成后,应尽早进行肥槽回填。回填地下室周围应采用素土或灰土均匀分层夯实回填,压实系数不小于0.94。3.5.2 位于设...

1、当您付费下载文档后,您只拥有了使用权限,并不意味着购买了版权,文档只能用于自身使用,不得用于其他商业用途(如 [转卖]进行直接盈利或[编辑后售卖]进行间接盈利)。
2、本站所有内容均由合作方或网友上传,本站不对文档的完整性、权威性及其观点立场正确性做任何保证或承诺!文档内容仅供研究参考,付费前请自行鉴别。
3、如文档内容存在违规,或者侵犯商业秘密、侵犯著作权等,请点击“违规举报”。

碎片内容

结构设计说明

爱的疯狂+ 关注
实名认证
内容提供者

该用户很懒,什么也没介绍

确认删除?
VIP
微信客服
  • 扫码咨询
会员Q群
  • 会员专属群点击这里加入QQ群
客服邮箱
回到顶部