电脑桌面
添加小米粒文库到电脑桌面
安装后可以在桌面快捷访问

继电器术语解释及使用指引

继电器术语解释及使用指引_第1页
1/30
继电器术语解释及使用指引_第2页
2/30
继电器术语解释及使用指引_第3页
3/30
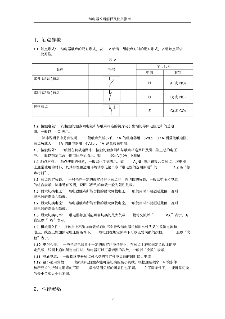
继电器术语解释及使用指南1 继电器术语解释及使用指南我们非常高兴和感谢您选用宏发继电器。在此我们将就产品说明书和继电器的有关事项进行说明,请打开您关注的相关章节。前言继电器是当输入量达到规定条件时,其一个或多个输出量产预定跃变的元器件。对于电磁继电器、固体继电器和组合式继电器,可简单的理解为:在输入端施加规定的电信号,其输出端接通和断开被控制电路的一种开关。继电器的分类方式有很多种,宏发采用的是表1 的分类方式。表 1 种类适用范围优点电磁继电器通讯继电器一般用于通讯和信号控制断开的输出端无漏电流大负载情况下,无需外加散热器通用继电器一般用于家用、工业控制和电力控制汽车继电器适用于汽车领域密封继电器适用于环境恶劣或可靠性要求高的领域固体继电器适用于环境较恶劣、 噪声要求低或可靠性要求高的领域电耐久性长无声抗振动和冲击性能好组合式继电器需要实现一定控制功能的领域具有一定的控制逻辑根据继电器的分类,宏发的继电器说明书分为通用继电器分册、汽车继电器分册、 固体继电器分册和密封继电器分册。其中通用继电器分册,包括了通讯继电器、和通用继电器,汽车继电器分册包括了汽车继电器和组合式继电器。同时宏发也提供配套继电器的插座,参见插座分册。本文就电磁继电器的一些基本信息进行说明,同时列出一些电磁继电器的选用原则及使用注意事项。除非另有说明, 一般宏发产品说明书所列参数均是在标准状态下测得的初始 值。标准状态是:1)温度: 15℃~ 35℃;2)相对湿度: 25%~75%;3)大气压: 86kPa~106kPa。除非另有说明,一般宏发提供的图纸均使用第一象限投影方式,如图1。图 1 一、继电器的一些基本术语继电器基本术语的排列大致按照宏发产品说明书的布局进行描述,以便于您的参考和对照,分为以下几部分:继电器术语解释及使用指南2 1、触点参数 :1.1 触点形式: 继电器触点的配对形式,表2 给出一组触点对时的配对形式,多组触点可依此类推。表 2 名称符号字母代号中国其它常开 (动合 )触点H A( 或 NO) 常闭 (动断 )触点D B(或 NC) 转换触点Z C(或 CO) 1.2 接触电阻: 指接触的触点间电阻和与触点相连的簧片及引出端的导体电阻之和的总电阻。一般以mΩ 表示。除非说明书中另有说明,一般触点负载小于1A 的继电器用6Vd.c. ,0.1A 测量接触电阻,触点负载大于1A 的继电器用6Vd.c. ,1A 测量接触电阻。1.3 接触压降: 一般指在负载电...

1、当您付费下载文档后,您只拥有了使用权限,并不意味着购买了版权,文档只能用于自身使用,不得用于其他商业用途(如 [转卖]进行直接盈利或[编辑后售卖]进行间接盈利)。
2、本站所有内容均由合作方或网友上传,本站不对文档的完整性、权威性及其观点立场正确性做任何保证或承诺!文档内容仅供研究参考,付费前请自行鉴别。
3、如文档内容存在违规,或者侵犯商业秘密、侵犯著作权等,请点击“违规举报”。

碎片内容

继电器术语解释及使用指引

确认删除?
VIP
微信客服
  • 扫码咨询
会员Q群
  • 会员专属群点击这里加入QQ群
客服邮箱
回到顶部