电脑桌面
添加小米粒文库到电脑桌面
安装后可以在桌面快捷访问

2024年智能站一体化UNIX监控系统加固方案VIP免费

2024年智能站一体化UNIX监控系统加固方案_第1页
1/18
2024年智能站一体化UNIX监控系统加固方案_第2页
2/18
2024年智能站一体化UNIX监控系统加固方案_第3页
3/18
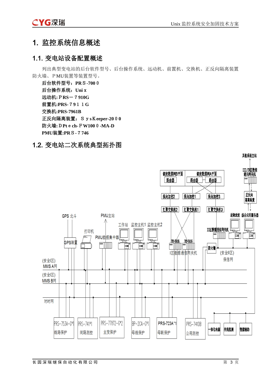
Unix监控系统安全加固技术方案Unix监控系统安全加固技术方案长园深瑞继保自动化有限公司第1页Unix监控系统安全加固技术方案2016年7月13日长园深瑞继保自动化有限公司第2页Unix监控系统安全加固技术方案1.监控系统信息概述1.1.变电站设备配置概述列出典型变电站的后台软件型号、后台操作系统、远动机、前置机、交换机、正反向隔离装置防火墙、PMU装置等装置型号。后台软件型号:PRS-7000后台操作系统:Unix远动机:PRS-7910G前置机:PRS-7911G交换机:PRS-7961B正反向隔离装置:SysKeeper-2000防火墙:DPtech-FW1000-MA-DPMU装置:PRS-77461.2.变电站二次系统典型拓扑图长园深瑞继保自动化有限公司第3页Unix监控系统安全加固技术方案2.监控系统设备加固项目1.1监控主机监控主机包括操作员站、工程师站、数据服务器、综合应用服务器、图形网关机等。2.1.1.硬件加固对于计算机的光驱,空余USB接口、以太网端口,均采取封条方式封闭。2.1.2.操作系统2.1.2.1.UNIX系统加固方案如下:A.系统帐户优化1)备份/etc/passwd:cp/etc/passwd/etc/passwd_back2)加固如果系统默认账户、测试账户不需要的话,建议删除。使用命令gedit/etc/passwd,打开/etc/passwd文件,删除非必须账户,如:lp、uucp、nuucp、unknow、nobody4、aiuser。3)若出现异常,回退将文件名/etc/passwd_back改为/etc/passwd:mv/etc/passwd_back/etc/passwdB.增强口令策略1)备份/etc/default/passwd:cp/etc/default/passwd/etc/default/passwd_bak2)加固使用命令gedit/etc/default/passwd,打开/etc/default/passwd文件进行修改,设置参数:#MINDIFF=3#最小的差异数,新密码和旧密码的差异数。MAXWEEKS=8密码最长有效时间PASSLENGTH=8最短密码长度MINWEEKS=最短改变时间WARNWEEKS=5密码失效前几天通知用户长园深瑞继保自动化有限公司第4页Unix监控系统安全加固技术方案MINALPHA=1#最少字母要多少MINNONALPHA=1#最少的非字母,包括了数字和特殊字符。#MINUPPER=0#最少大写#MINLOWER=0#最少小写#MAXREPEATS=0#最大的重复数目#MINSPECIAL=0#最小的特殊字符#MINDIGIT=0#最少的数字#WHITESPACE=YES#能使用空格吗?3)若出现异常,回退将文件名/etc/default/passwd_bak改为/etc/default/passwd:mv/etc/default/passwd_bak/etc/default/passwdC.消除系统弱口令设置密码最短长度为8,要求大小字母与数字混排。终端里面输入sudopasswdroot回车,按要求修改root的密码,修改后注销用户重新登录,检查密码已生效;终端里面输入sudopasswdoracle回车,按要求修改oracle密码,修改后注销用户重新登录,检查密码已生效D.禁用root远程登录1)备份/etc/default/login:cp/etc/default/login/etc/default/login_bak2)加固使用命令gedit/etc/default/login,打开/etc/default/login文件进行修改,增加或修改/etc/default/login文件中如下行:CONSOLE=/dev/console3)若出现异常,回退将文件名/etc/default/login_bak改为/etc/default/login:mv/etc/default/login_bak/etc/default/loginE.登录超时设置1)备份/etc/default/login:cp/etc/default/login/etc/default/login_bak2)加固长园深瑞继保自动化有限公司第5页Unix监控系统安全加固技术方案使用命令gedit/etc/default/login,打开/etc/default/login文件进行修改,增加或修改/etc/default/login文件中如下行:TIMEOUT=6003)若出现异常,回退将文件名/etc/default/login_bak改为/etc/default/login:mv/etc/default/login_bak/etc/default/loginF.非必需系统服务关闭1)备份查看加固服务是否开启(以加固sendmail为例)打开终端输入:svcssendmail,回车,显示如下STATESTIMEFMRIdisabled7月20svc:/network/smtp:sendmail记录sendmail当前运行状态“disable”。2)加固打开终端输入:svcadmd...

1、当您付费下载文档后,您只拥有了使用权限,并不意味着购买了版权,文档只能用于自身使用,不得用于其他商业用途(如 [转卖]进行直接盈利或[编辑后售卖]进行间接盈利)。
2、本站所有内容均由合作方或网友上传,本站不对文档的完整性、权威性及其观点立场正确性做任何保证或承诺!文档内容仅供研究参考,付费前请自行鉴别。
3、如文档内容存在违规,或者侵犯商业秘密、侵犯著作权等,请点击“违规举报”。

碎片内容

2024年智能站一体化UNIX监控系统加固方案

您可能关注的文档

山水人家+ 关注
实名认证
内容提供者

读万卷书,行万里路。

确认删除?
VIP
微信客服
  • 扫码咨询
会员Q群
  • 会员专属群点击这里加入QQ群
客服邮箱
回到顶部