电脑桌面
添加小米粒文库到电脑桌面
安装后可以在桌面快捷访问

胶体免维护蓄电池说明书0

胶体免维护蓄电池说明书0_第1页
1/7
胶体免维护蓄电池说明书0_第2页
2/7
胶体免维护蓄电池说明书0_第3页
3/7
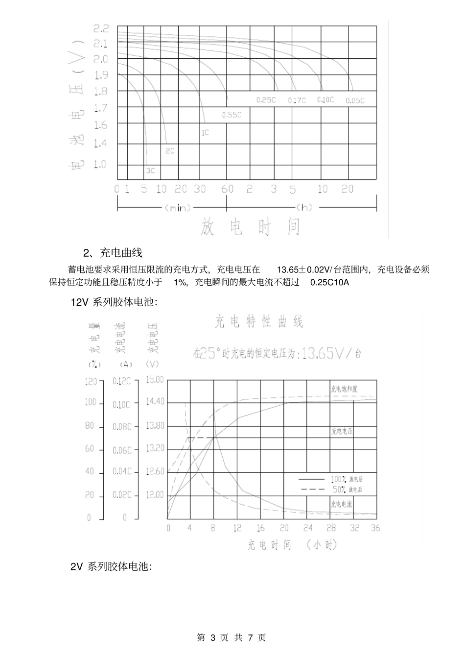
第 1 页 共 7 页胶体免维护蓄电池说明书一、标准:胶体免维护蓄电池符合如下标准:1、JIS C 8707-1992 阴极吸收式密封固定型铅酸蓄电池标准2、JB/T 8451-96 中华人民共和国机械行业标准3、YD/T 799-2002 中华人民共和国通信行业标准4、DL/T 637-1997 中华人民共和国电力行业标准二、应用范围:⑴ 电话交换机⑼ 办公自动化系统⑵ 电器设备、医疗设备及仪器仪表⑽ 无线电通讯系统⑶ 计算机不间断电源⑾ 应急照明⑷ 输变电站、开关控制和事故照明⑿ 便携式电器及采矿系统⑸ 消防、安全及报警监测⒀ 交通及航标信号灯⑹ 通信用备用电源⒁ 发电厂、水电站直流电源⑺ 变电站开关控制⒂ 铁路用直流电源⑻ 胶体、风能系统⒃ 移动机站三、主要特点;⑴ 寿命长采用耐腐蚀性好的特殊铅钙合金制成的极板,可以具有较长的浮充寿命;采用特殊胶体电液,增加电池酸量,防止电液分层,阻止极板支晶短路,确保电池使用寿命长。胶体电池是在阀控式密封铅酸蓄电池技术的基础上实现了长寿命化。所以12V 系列胶体电池设计寿命为 6~8 年( 25℃);2V 系列胶体电池设计寿命为10~15 年(25℃)。⑵ 自放电少使用特殊铅钙合金制成的板栅,将自放电量限制到最小,可长期保存。⑶ 维护容易由于浮充电时, 电池内部产生的氧气大部分被阴极板吸收还原成电解液,基本上没有电解液的减少,所以完全不必象一般蓄电池那样测量电解液的比重和补水。⑷ 安装简单电池立式、侧卧安装使用均可, 无电液渗漏之患, 而且在正常充电过程中电池不会产生酸雾。因此可将电池安装在办公室或配套设备房内,而无需另建专用电池房,降低工程造价。⑸ 安全性高为预防产生过多的气体,电池装有安全阀。另外,还装有防爆过滤器,在构造上即使有火花接近,亦能防止引火至电池内部。⑹ 使用方便电池出厂时已经完全充电,用户拿到电池后即可安装投入使用。四、胶体电池外形尺寸及其重量参数电 池型 号外壳材料标 准电 压(V)10HR 容 量(Ah)最大外形尺寸( mm)参考重量Kg 配套螺丝(mm )长宽高总高6GFMJ24 ABS 12 24 166 176 128 128 8.8 M5X16 6GFMJ34 ABS 12 34 196 130 155 179 12.0 M5X20 6GFMJ38 ABS 12 38 198 166 170 170 13.0 M5X20 6GFMJ65 ABS 12 65 350 167 178 185 23 M6X20 第 2 页 共 7 页6GFMJ80 ABS 12 80 331 175 216 240 27 M6X20 6GFMJ100 ABS 12 100 331 ...

1、当您付费下载文档后,您只拥有了使用权限,并不意味着购买了版权,文档只能用于自身使用,不得用于其他商业用途(如 [转卖]进行直接盈利或[编辑后售卖]进行间接盈利)。
2、本站所有内容均由合作方或网友上传,本站不对文档的完整性、权威性及其观点立场正确性做任何保证或承诺!文档内容仅供研究参考,付费前请自行鉴别。
3、如文档内容存在违规,或者侵犯商业秘密、侵犯著作权等,请点击“违规举报”。

碎片内容

胶体免维护蓄电池说明书0

文库响当当+ 关注
实名认证
内容提供者

该用户很懒,什么也没介绍

确认删除?
VIP
微信客服
  • 扫码咨询
会员Q群
  • 会员专属群点击这里加入QQ群
客服邮箱
回到顶部