电脑桌面
添加小米粒文库到电脑桌面
安装后可以在桌面快捷访问

广东省工程质量检测收费标准最新

广东省工程质量检测收费标准最新_第1页
1/87
广东省工程质量检测收费标准最新_第2页
2/87
广东省工程质量检测收费标准最新_第3页
3/87
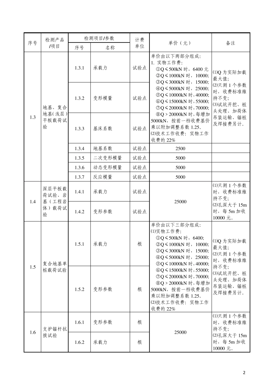
1 广东省房屋建筑和市政工程质量安全检测收费指导价 序号 检测产品 /项目 检测项目/参数 计费 单位 单价(元) 备注 序号 名称 1 地基与基础 1.1 桩竖向抗压、抗拔静载试验 1.1.1 承载力 根 单价由以下两部分组成: ⑴实物工作费: ①Q≤500kN 时,6400; ②Q≤1000kN 时,10000; ③Q≤3000kN 时,15000; ④Q≤5000kN 时,25000; ⑤Q≤10000kN 时,40000; ⑥Q≤15000kN 时,55000; ⑦Q≤20000kN 时,70000; ⑧Q﹥20000kN 时,每增加5000kN,按前一档收费基价乘以附加调整系数1.25。 ⑵技术工作收费:实物工作收费的 22% ⑴Q 为实际加载最大值; ⑵只测1 个参数时,收费标准维持不变; ⑶试坑开挖、桩头处理、加荷体吊装运输、锚桩及焊接费另计。 1.1.2 变形参数 根 1.1.3 桩身内力 试验点 单价由以下两部分组成: ⑴应力应变测试实物工作收费:当一测点传感器个数≤4时,116/点•次;每增加一个传感器递增 29/点•次。 ⑵应力应变测试技术工作收费:实物工作收费的 22% ⑴只测1 个参数时,收费标准维持不变; ⑵应力应变测试的传感器费用、埋设安装费用等另计; ⑶静载试验按承载力与变形参数收费。 1.1.4 桩侧摩阻力 试验点 1.1.5 桩端阻力 试验点 1.2 单桩水平静载试验 1.2.1 承载力 根 单价由以下两部分组成: ⑴实物工作费: ①D≤500m m 时,5000; ②500m m <D≤800m m时,7000; ③800m m <D≤1000m m时,9000; ④D﹥1000m m 时,12000。 ⑵技术工作收费:实物工作收费的 22% ⑴D 为桩径; ⑵只测1 个参数时,收费标准维持不变; ⑶试坑开挖、桩头处理、加荷体吊装运输、锚桩及焊接费另计。 1.2.2 变形参数 根 1.2.3 桩身内力 试验点 单价由以下两部分组成: ⑴应力应变测试实物工作收费:当一测点传感器个数≤4时,116/点•次;每增加一个传感器递增 29/点•次。 ⑵应力应变测试技术工作收费:实物工作收费的 22% ⑴应力应变测试的传感器费用、埋设安装费用等另计; ⑵静载试验按承载力与变形参数收费。 附件 1 2 序号 检测产品 /项目 检测项目/参数 计费 单位 单价(元) 备注 序号 名称 1.3 地基、复合地基(浅层)平板载荷试验 1.3.1 承载力 试验点 单价由以下两部分组成: 1. 实物工作费: ①Q≤500kN 时,6400 元 ②Q≤1000kN 时,10000; ③Q≤3000kN 时,15000; ④Q≤5000kN ...

1、当您付费下载文档后,您只拥有了使用权限,并不意味着购买了版权,文档只能用于自身使用,不得用于其他商业用途(如 [转卖]进行直接盈利或[编辑后售卖]进行间接盈利)。
2、本站所有内容均由合作方或网友上传,本站不对文档的完整性、权威性及其观点立场正确性做任何保证或承诺!文档内容仅供研究参考,付费前请自行鉴别。
3、如文档内容存在违规,或者侵犯商业秘密、侵犯著作权等,请点击“违规举报”。

碎片内容

广东省工程质量检测收费标准最新

您可能关注的文档

确认删除?
VIP
微信客服
  • 扫码咨询
会员Q群
  • 会员专属群点击这里加入QQ群
客服邮箱
回到顶部