电脑桌面
添加小米粒文库到电脑桌面
安装后可以在桌面快捷访问

应力集中分析

应力集中分析_第1页
1/9
应力集中分析_第2页
2/9
应力集中分析_第3页
3/9
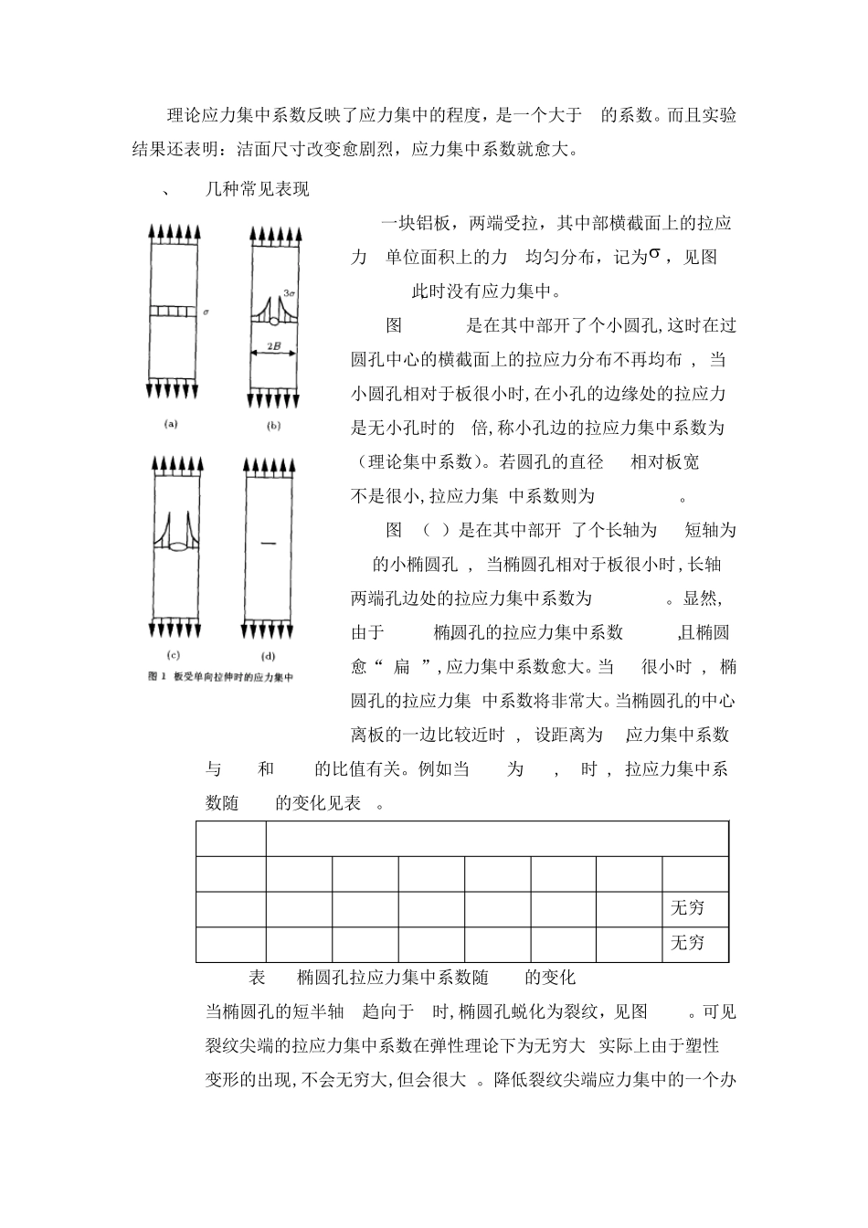
应力集中分析 假设应力在整个横截面上均匀分布而且整个杆件是均匀的,则有公式AF,F为该截面上的拉内力,A为材料该截面的横截面积。而实际上,构件并不是如此理想的,由于某种用途,在构件上经常需要有些孔洞、键槽、缺口、轴肩、螺纹或者是其他杆件在几何外形上的突变。所以在实际工程中,这些看似细小的变形可能导致构件在这些部位产生巨大的应力,其应力峰值远大于由基本公式算得的应力值,这种现象称为应力集中,从而可能产生重大的安全隐患。 应力集中削弱了构件的强度,降低了构件的承载能力。应力集中处往往是构件破坏的起始点,是引起构件破坏的主要因素。同时,应力集中的存在降低了整个构件的材料利用率,因为可能为了一部分结构的稳定而采用较高的等级的材料,与此同时构件其他部分的强度并不需要如此高的性能。因此,为了确保构件的安全使用,提高产品的质量和经济效益,必须科学地处理构件的应力集中问题。 一、 应力集中的表现及解释(主要分析拉压应力) 1、 理论应力集中系数: 工程上用应力集中系数来表示应力增高的程度。应力集中处的最大应力与基准应力之比,定义为理论应力集中系数,简称应力集中系数,即 (4) 在(4)式中,最大应力可根据弹性力学理论、有限元法计算得到,也可由实验方法测得;而基准应力是人为规定的应力比的基准,其取值方式不是唯一的,大致分为以下三种: (1) 假设构件的应力集中因素(如孔、缺口、沟槽等)不存在,以构件未减小时截面上的应力为基准应力。 (2) 以构件应力集中处的最小截面上的平均应力作为基准应力。 (3) 在远离应力集中的截面上,取相应点的应力作为基准应力。 maxnnmax maxn理论应力集中系数反映了应力集中的程度,是一个大于1的系数。而且实验结果还表明:洁面尺寸改变愈剧烈,应力集中系数就愈大。 2、 几种常见表现[1] 一块铝板,两端受拉,其中部横截面上的拉应力 (单位面积上的力) 均匀分布,记为 ,见图 1 (a ) , 此时没有应力集中。 图 l( b ) 是在其中部开了个小圆孔,这时在过圆孔中心的横截面上的拉应力分布不再均布 , 当小圆孔相对于板很小时,在小孔的边缘处的拉应力是无小孔时的3倍,称小孔边的拉应力集中系数为3(理论集中系数)。若圆孔的直径2a相对板宽 2B不是很小,拉应力集 中系数则为2+(l-a/B)。 图1(c)是在其中部开 了个长轴为2a短轴为2b的小椭圆孔 , 当椭圆孔相对于板很小时,长轴两端孔边处的拉应...

1、当您付费下载文档后,您只拥有了使用权限,并不意味着购买了版权,文档只能用于自身使用,不得用于其他商业用途(如 [转卖]进行直接盈利或[编辑后售卖]进行间接盈利)。
2、本站所有内容均由合作方或网友上传,本站不对文档的完整性、权威性及其观点立场正确性做任何保证或承诺!文档内容仅供研究参考,付费前请自行鉴别。
3、如文档内容存在违规,或者侵犯商业秘密、侵犯著作权等,请点击“违规举报”。

碎片内容

应力集中分析

确认删除?
VIP
微信客服
  • 扫码咨询
会员Q群
  • 会员专属群点击这里加入QQ群
客服邮箱
回到顶部